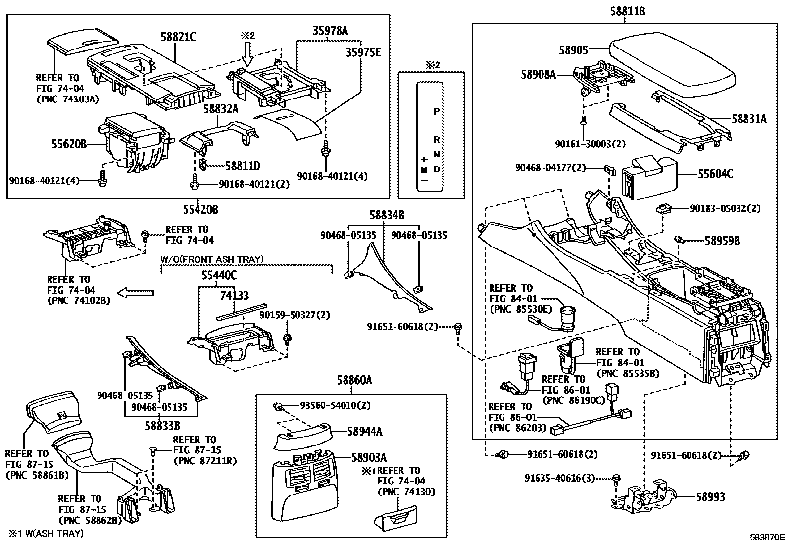
CONSOLE BOX & BRACKET

35975ECOVER, SLIDE (FOR POSITION INDICATOR)
35978AINDICATOR, SHIFT POSITION
55420BPANEL ASSY, INSTRUMENT CLUSTER FINISH, CENTER NO.1
BLACK/WHITE,TRIM2#
55604CHOLDER SUB-ASSY, CONSOLE BOX CUP
55620BHOLDER, INSTRUMENT PANEL CUP
WHITE,TRIM2#
58811BBOX, CONSOLE
BLACK/BLUE,TRIM2#
BLACK/BLUE,TRIM2#
58811DCLIP(FOR CONSOLE BOX)
58821CPANEL, CONSOLE, UPPER
WHITE,TRIM2#
58831AGARNISH, CONSOLE UPPER PANEL, FRONT
BLACK,TRIM2#
58832AGARNISH, CONSOLE UPPER PANEL, REAR
BLACK,TRIM2#
58833BGARNISH, CONSOLE UPPER PANEL, NO.1
58834BGARNISH, CONSOLE UPPER PANEL, NO.2
58860AREGISTER ASSY, CONSOLE BOX
BLACK,TRIM2#
58903APANEL SUB-ASSY, CONSOLE REAR END
BLACK,TRIM2#
58905DOOR SUB-ASSY, CONSOLE COMPARTMENT
BLACK/BLUE,TRIM2#
BLACK/BLUE,TRIM2#
58908ALOCK SUB-ASSY, CONSOLE COMPARTMENT DOOR
BLACK,TRIM2#
58944ACOVER, CONSOLE, REAR
BLACK,TRIM2#
58959BCUSHION, CONSOLE COMPARTMENT DOOR
58993BRACKET, CONSOLE BOX MOUNTING, REAR
7404ASH RECEPTACLE
74133SEAL, FRONT ASH RECEPTACLE
8401SWITCH & RELAY & COMPUTER
8601RADIO RECEIVER & AMPLIFIER & CONDENSER
8715HEATING & AIR CONDITIONING - CONTROL & AIR DUCT
9015950327
main90159-50327
9016130003
main90161-30003
9016840121
main90168-40121
9018305032
main90183-05032
9046804177
main90468-04177
9046805135
main90468-05135
9163540616
main91635-40616
9165160618
main91651-60618
9356054010
main93560-54010
34 parts on this diagram · 1 diagram in section