E
EPC Data

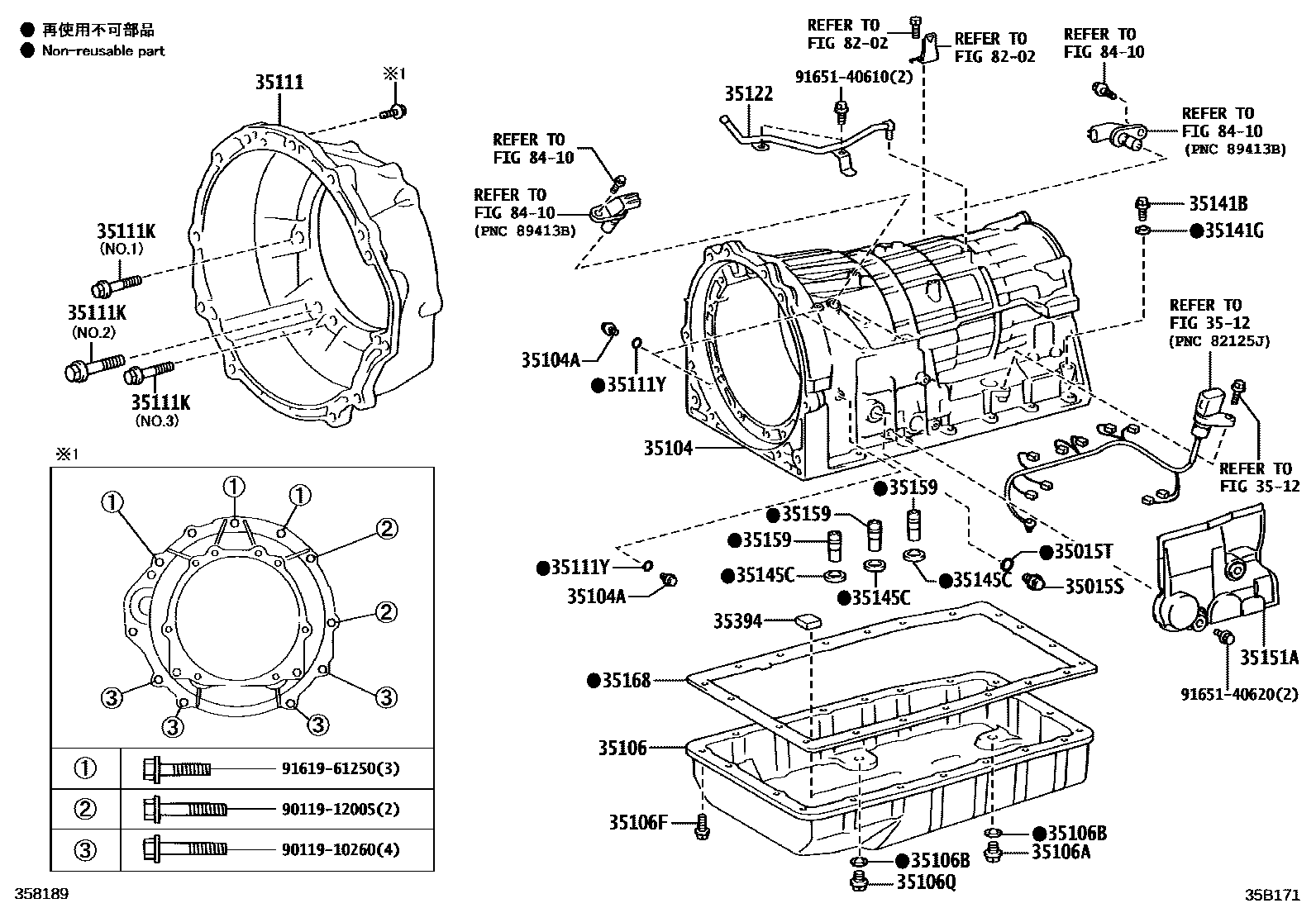
TRANSMISSION CASE & OIL PAN (ATM)

Parts diagram
35015SPLUG, STRAIGHT(FOR TRANSMISSION CASE ADAPTER)
main90341-18059i201610-202009
35015TRING, O(FOR TRANSMISSION CASE ADAPTER)
main90301-15004i201304-201508
35104CASE SUB-ASSY, AUTOMATIC TRANSMISSION
main35104-22080i201304-201508
main35104-30240i201610-202009
main35104-53010i202009-202110
35104APLUG, AUTOMATIC TRANSMISSION CASE
main90341-08001×5i201304-201508
main90341-14011×2i201304-201508
35106PAN SUB-ASSY, AUTOMATIC TRANSMISSION OIL
main35106-30270i201304-201508
main35106-30300i201304-201505
main35106-30310i201508-201610
35106APLUG SUB-ASSY, DRAIN (ATM)
main90341-10011i201304-201508
NO.1:REFER ILLUST.
main90341-10021i202111
NO.2:REFER ILLUST.
35106BGASKET, DRAIN PLUG (ATM)
main35178-30010×2i202111
35106FBOLT (FOR AUTOMATIC TRANSMISSION OIL PAN)
main90119-06173×20i201304-201508
main90119-06982×9i201304-201508
35106QPLUG (FOR AUTOMATIC TRANSMISSION OIL PAN)
main90341-10021i201304-201508
35111HOUSING, AUTOMATIC TRANSMISSION
main35111-22110i201304-201508
35111KBOLT (FOR TRANSMISSION HOUSING & CASE SETTING)
main90119-10232×6i201304-201508
*10-1.5PX35-30,NO.1:REFER ILLUST.
main90119-10947×2i201304-201508
*10-1.50PX35-29.3,NO.3:REFER ILLUST.
main90119-12378×2i201304-201508
*12-1.75PX38-30,NO.2:REFER ILLUST.
35111YRING, O (FOR AUTOMATIC TRANSMISSION CASE)
main90301-06196×5i201304-201508
3512VALVE BODY & OIL STRAINER (ATM)
35122TUBE, BREATHER (FOR AUTOMATIC TRANSAXLE)
main90930-03182i201304-201508
35141BPLUG (FOR AUTOMATIC TRANSMISSION CASE)
main90341-14011i201304-201508
main90341-24017i201508-201610
35141GRING, O (FOR AUTOMATIC TRANSMISSION CASE)
main90301-11030i201304-201508
main90301-20013i201304-201508
35145CGASKET, TRANSAXLE CASE
main35145-60020×3i201304-201508
35151ACOVER, TRANSAXLE CASE, UPPER
main35151-22020i201304-201508
35159GASKET, BRAKE DRUM
main35159-60010×3i201304-201508
35168GASKET, AUTOMATIC TRANSMISSION OIL PAN
main35168-22020i201304-201508
main35168-50010i201304-201508
35394MAGNET, OIL CLEANER (FOR TRANSMISSION)
main35394-30011×3i201304-201508
main35394-48010×3i201304-201508
8202WIRING & CLAMP
8410OVERDRIVE & ELECTRONIC CONTROLLED TRANSMISSION
9011910260
9011912005
9161961250
9165140610
9165140620

28 parts on this diagram · 3 diagrams in section

TRANSMISSION CASE & OIL PAN (ATM) — Toyota Parts Diagram with OEM Numbers & Prices | EPC Data