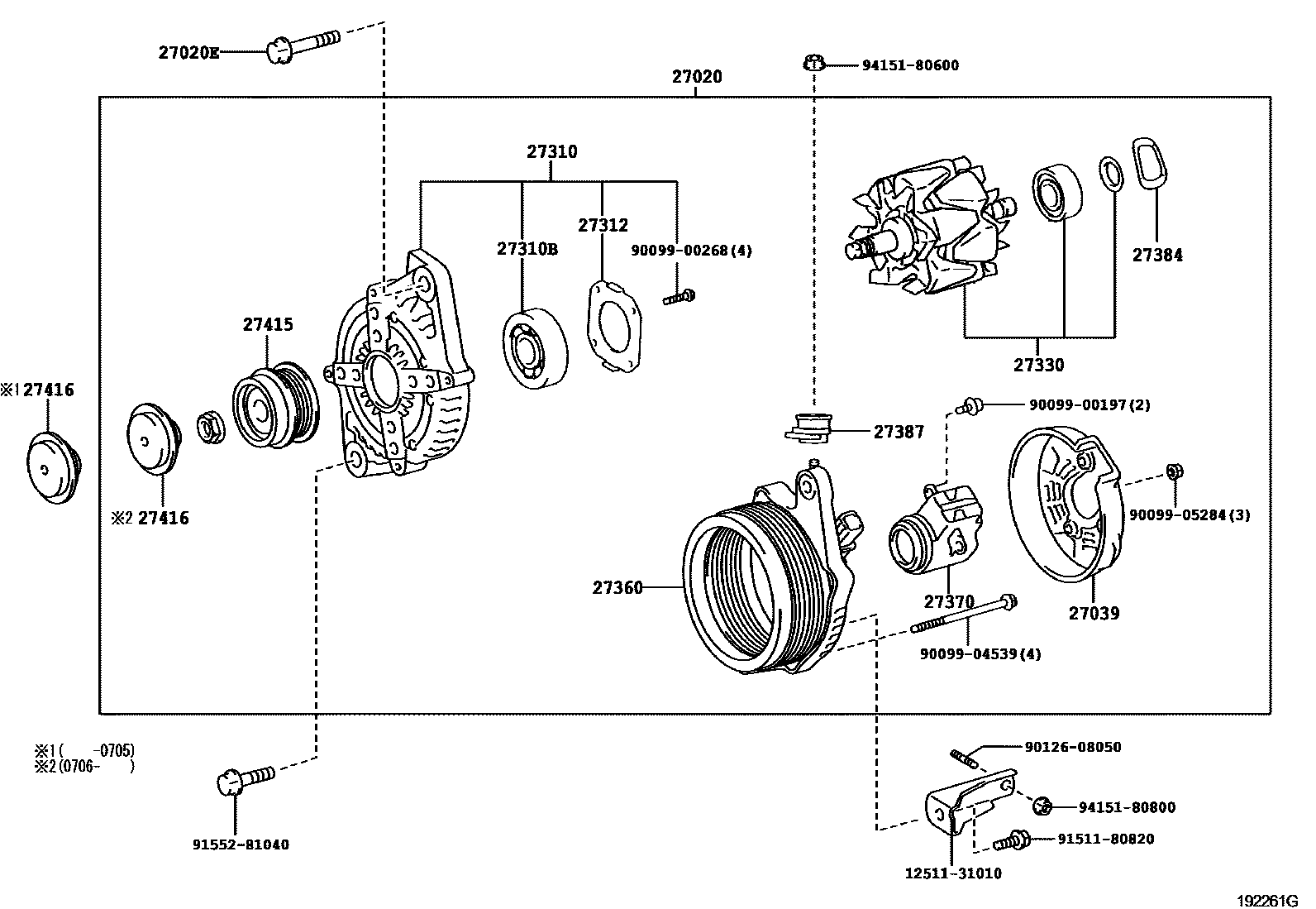
ALTERNATOR

27020ALTERNATOR ASSY
12V 150A
12V 150A
12V 150A,CHINA SPEC
27020EBOLT(FOR ALTERNATOR)
27039COVER, ALTERNATOR REAR END
27310FRAME ASSY, DRIVE END, ALTERNATOR
27312PLATE, RETAINER
27330ROTOR ASSY, ALTERNATOR
27360COIL ASSY, ALTERNATOR
CHINA SPEC
27370HOLDER ASSY, ALTERNATOR BRUSH
27384WASHER
27387INSULATOR, TERMINAL
27415PULLEY, ALTERNATOR W/CLUTCH
sub27415-0W131
27416CAP, ALTERNATOR PULLEY
1251131010BRACKET, ALTERNATOR, NO.1
main12511-31010
9009900197
main90099-00197
9009900268
main90099-00268
9009904539
main90099-04539
9009905284
main90099-05284
9012608050
main90126-08050
9151180820
main91511-80820
9155281040
main91552-81040
9415180600
main94151-80600
9415180800
main94151-80800
23 parts on this diagram · 1 diagram in section