E
EPC Data

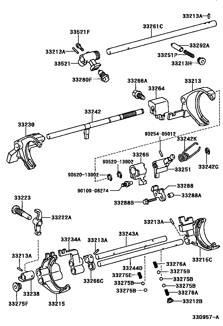
GEAR SHIFT FORK & LEVER SHAFT (MTM)

Parts diagram
33212BPLUG, W/HEAD STRAIGHT SCREW, NO.1
main90341-12008i199901-200107
33213FORK, 1ST & 2ND SHIFT
main33210-53010i199901-200107
33213APIN, SLOTTED SPRING(FOR SHIFT FORK SET)
main90254-05016×5i199901-200107
33213HPLUG, W/HEAD STRAIGHT SCREW, NO.2
main90341-16013i199901-200107
33215FORK, 3RD & 4TH SHIFT
main33220-53010i199901-200107
33215CFORK, 6TH SHIFT
main33215-53010i199901-200107
33222AARM, 5TH SHIFT
main33222-53010i199901-200107
33223PIVOT, SHIFT ARM
main33223-53010i199901-200107
33230FORK, 5TH & REVERSE
main33230-53010i199901-200107
33234AHEAD, GEAR SHIFT, NO.3
main33028-53010i199901-200107
33238HEAD, REVERSE SHIFT ARM
main33238-53010i199901-200107
33242SHAFT, GEAR SHIFT FORK, NO.1
main33242-53010i199901-200107
33242GRING, E (FOR SHIFT FORK SHAFT)
main96160-01000i199901-200107
33242KSPRING, TORSION(FOR SELECT RETURN)
main90949-03080i199901-200107
33243ASHAFT, GEAR SHIFT FORK, NO.2
main33243-53010i199901-200107
33244DSHAFT, GEAR SHIFT FORK, NO.3
main33244-53010i199901-200107
33251LEVER, SHIFT & SELECT
main33251-53010i199901-200107
33251PSPRING (FOR SHIFT & SELECT LEVER)
main90501-16175i199901-200107
33261CSHAFT, SHIFT & SELECT LEVER
main33261-53010i199901-200107
main33261-53011i200208-200507
33264PIN, OR BALL, SHIFT INTERLOCK, NO.1
main33264-53010i199901-200107
33265PIN, SHIFT INTERLOCK, NO.2
main33265-53010i199901-200107
33266ABOLT (FOR SHIFT INTERLOCK PLATE)
main90105-12311i199901-200107
33266CPLATE, SHIFT INTERLOCK
main33266-53010i199901-200104
main33266-53011i200104-200107
33275BBALL, SHAFT DETENT
main90360-10003×5i199901-200107
33275ESPRING, COMPRESSION (FOR SHIFT DETENT BALL)
main90501-06101i199901-200107
33275FPLUG (FOR SHIFT DETENT BALL)
main90341-20010i199901-200107
33276ASPRING, COMPRESSION, NO.2 (FOR SHIFT DETENT BALL)
main90501-10223×2i199901-200107
33280FPIN ASSY, REVERSE RESTRICT
main33280-53010i199901-200009
main33280-53011i200009-200107
33288BLOCK, SELECT STOPPER
main33288-53010i199901-200107
33288APIN, RING(FOR SELECT STOPPER BLOCK)
main90253-11021×2i199901-200107
33288BBOLT, FLANGE(FOR SELECT STOPPER BLOCK)
main91511-60832×2i199901-200107
33292APIN, LOCK BALL
main33292-53010i199901-200107
33521HOUSING, SHIFT LEVER
main33502-53010i199901-200009
main33502-53011i200009-200107
33521FPIN OR BOLT (FOR SHIFT LEVER HOUSING)
main90105-08079i199901-200107
9010908274
9025405012
9052013002

37 parts on this diagram · 1 diagram in section

GEAR SHIFT FORK & LEVER SHAFT (MTM) — Toyota Parts Diagram with OEM Numbers & Prices | EPC Data