E
EPC Data

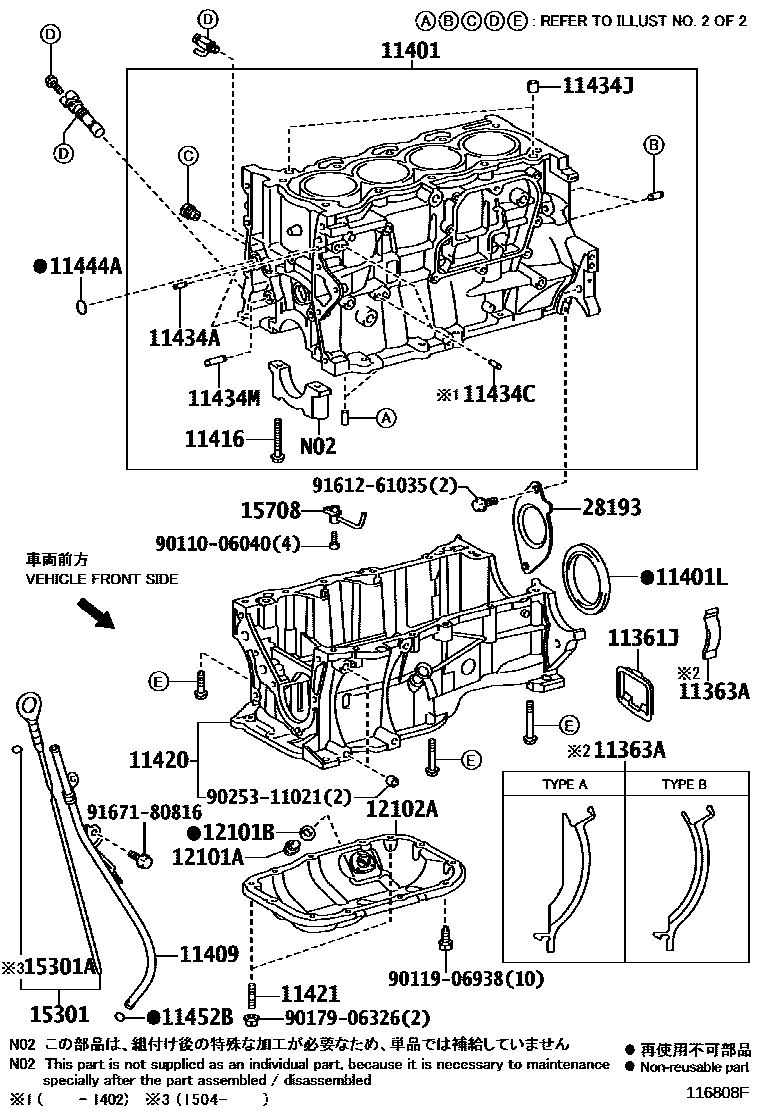
CYLINDER BLOCK

Parts diagram
11361JCOVER, FLYWHEEL HOUSING UNDER
main11361-21011i201203-201504
11363ACOVER, FLYWHEEL HOUSING SIDE
main11363-21010i201504-201508
main11363-33010i201508-202108
TYPE B:REFER ILLUST.
11401BLOCK SUB-ASSY, CYLINDER
main11410-09455i201203-201504
(L)
main11410-09456i201612-202108
(L)
main11410-39057i201203-201504
(J)
main11410-39245i201612-202108
(J)
11401LSEAL, ENGINE REAR OIL
main90311-76002i201203-201307
main90311-76004i201307-201407
main90311-78008i201504-202108
*119
11409GUIDE SUB-ASSY, OIL LEVEL GAGE
main11409-37010i201203-201504
11416BOLT(FOR CRANKSHAFT BEARING CAP SET)
main90910-02163×10i201203-201504
11420CRANKCASE ASSY, STIFFENING
main11420-37010i201504-202108
*119
11421BOLT, STUD(FOR OIL PAN)
main90126-06028×2i201203-201504
11434APIN, STRAIGHT(FOR TIMING GEAR COVER SET)
main90250-04097×2i201203-201504
L=12,OD=4.0
11434CPIN, STRAIGHT (FOR CYLINDER HEAD SET)
main90250-04097i201203-201402
L=12,OD=4.0
11434JPIN, RING (FOR CYLINDER HEAD SET)
main90253-13001×2i201203-201504
11434MPIN, STRAIGHT(FOR CHAIN TENSIONER)
main90250-10030i201203-201504
11444ARING, O
main96723-24020i201203-201504
11452BRING, O(FOR OIL LEVEL GAGE GUIDE)
main96721-19010i201203-201504
12101APLUG(FOR OIL PAN DRAIN)
main90341-12012i201504-202108
12101BGASKET(FOR OIL PAN DRAIN PLUG)
main90430-12031i201504-202108
12102APAN SUB-ASSY, OIL, NO.2
main12102-37010i201203-201504
15301GAGE SUB-ASSY, OIL LEVEL
main15301-37010i201504-202108
main15301-37030i201208-201308
15301ARING, O(FOR OIL LEVEL GAGE)
main96741-19005i201504-202108
15708NOZZLE SUB-ASSY, OIL, NO.1
main15708-37011×4i201203-201211
main15708-37012×4i201211-201504
28193INSULATOR, STARTER HOLE
main28193-21010i201203-201504
9011006040
9011906938
9017906326
9025311021
9161261035
9167180816

27 parts on this diagram · 2 diagrams in section

CYLINDER BLOCK — Toyota Parts Diagram with OEM Numbers & Prices | EPC Data