E
EPC Data

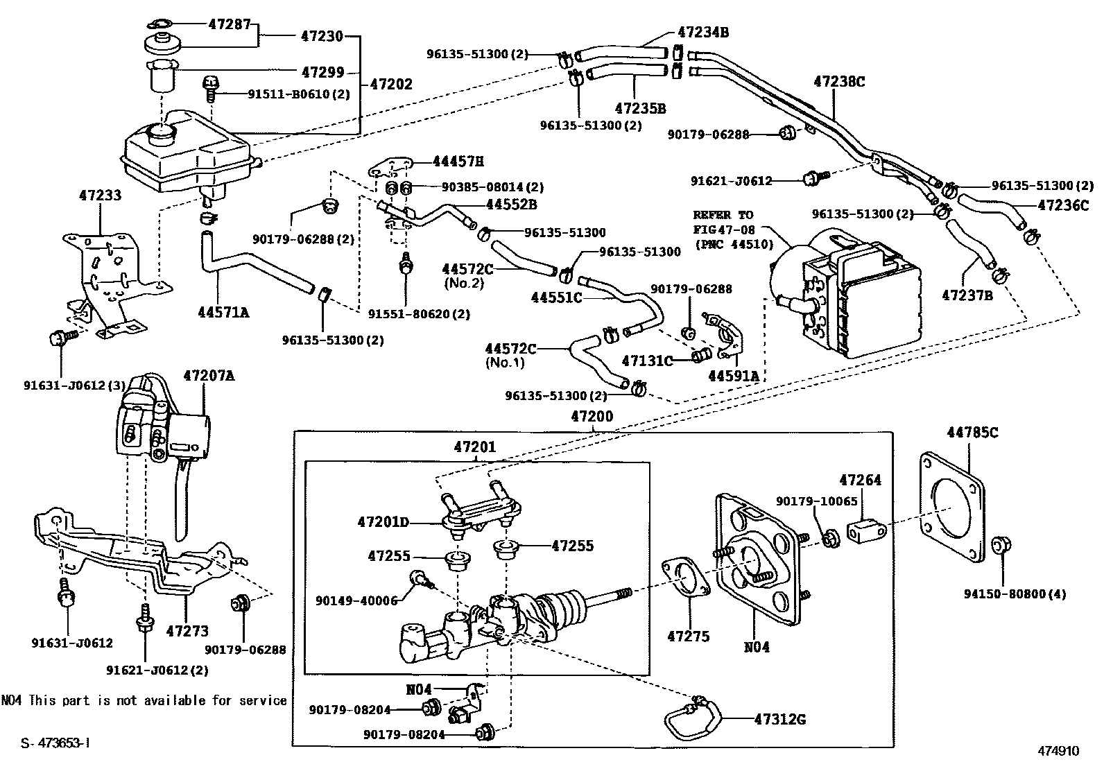
BRAKE MASTER CYLINDER

Parts diagram
44457HBRACKET, TUBE SUPPORT
main44457-47010i200511
44551CTUBE, BRAKE ACTUATOR, NO.1
main44551-47030i200511
44552BTUBE, BRAKE ACTUATOR, NO.2
main44552-47010i200511
44571AHOSE, BRAKE ACTUATOR, NO.1
main44571-47030i200511-200604
main44571-47060i200605
44572CHOSE, BRAKE ACTUATOR, NO.2
main44572-47010i200511
NO.1
main44572-47030i200511
NO.2
44591ABRACKET, BRAKE ACTUATOR, NO.1
main44591-47031i200511
44785CGASKET, BRAKE BOOSTER
main44785-47010i200511
4708BRAKE TUBE & CLAMP
47131CCUSHION
main47131-47050i200511
47200CYLINDER ASSY, BRAKE MASTER
main47200-47020i200511
47201CYLINDER SUB-ASSY, BRAKE MASTER
main47201-47040i200511
47201DUNION, BRAKE MASTER CYLINDER, NO.1
main90015-AM002i200511
47202RESERVOIR SUB-ASSY, BRAKE MASTER CYLINDER
main47220-47030i200511
47207ACYLINDER SUB-ASSY, BRAKE STROKE SIMULATOR
main47207-47010i200511
47230CAP ASSY, BRAKE MASTER CYLINDER RESERVOIR FILLER
main47230-20140i200511
47233BRACKET, RESERVOIR
main47233-47030i200511
47234BTUBE, RESERVOIR, NO.1
main47234-47040i200511
47235BTUBE, BRAKE MASTER CYRINDER RESERVOIR, NO.2
main47235-47040i200511
47236CHOSE, RESERVOIR TUBE
main47236-47020i200511
47237BHOSE, RESERVIOR TUBE
main47237-47020i200511
47238CTUBE, RESERVOIR
main47238-47020i200511
47255GROMMET, MASTER CYLINDER RESERVOIR
main47255-16010×2i200511
47264CLEVIS, MASTER CYLINDER PUSH ROD
main47264-47010i200511
47273BRACKET, BRAKE STROKE SIMULATOR
main47273-47010i200511
47275GASKET, BRAKE MASTER CYLINDER
main47275-12020i200511
47287LABEL, BRAKE FLUID INFORMATION
main47287-20010i200511
47299STRAINER, BRAKE MASTER CYLINDER RESERVOIR
main47299-47030i200511
47312GTUBE, BRAKE STROKE SIMULATOR
main47316-47020i200511
9014940006
9017906288
9017908204
9017910065
9038508014
91511B0610
9155180620
91621J0612
91631J0612
9415080800
9613551300

39 parts on this diagram · 1 diagram in section

BRAKE MASTER CYLINDER — Toyota Parts Diagram with OEM Numbers & Prices | EPC Data