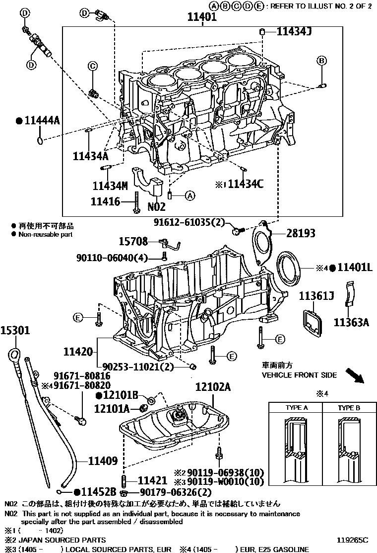
CYLINDER BLOCK

11361JCOVER, FLYWHEEL HOUSING UNDER
11363ACOVER, FLYWHEEL HOUSING SIDE
11401BLOCK SUB-ASSY, CYLINDER
(L)
(J)
11401LSEAL, ENGINE REAR OIL
TYPE B:REFER ILLUST.
ENGINE-2ZR-FXE(MADE IN UK),(L)
11409GUIDE SUB-ASSY, OIL LEVEL GAGE
11416BOLT(FOR CRANKSHAFT BEARING CAP SET)
11420CRANKCASE ASSY, STIFFENING
ENGINE-2ZR-FXE(MADE IN UK),(L)
11421BOLT, STUD(FOR OIL PAN)
11434APIN, STRAIGHT(FOR TIMING GEAR COVER SET)
L=12,OD=4.0
11434CPIN, STRAIGHT (FOR CYLINDER HEAD SET)
L=12,OD=4.0
11434JPIN, RING (FOR CYLINDER HEAD SET)
11434MPIN, STRAIGHT(FOR CHAIN TENSIONER)
11444ARING, O
11452BRING, O(FOR OIL LEVEL GAGE GUIDE)
12101APLUG(FOR OIL PAN DRAIN)
12101BGASKET(FOR OIL PAN DRAIN PLUG)
12102APAN SUB-ASSY, OIL, NO.2
15301GAGE SUB-ASSY, OIL LEVEL
15708NOZZLE SUB-ASSY, OIL, NO.1
28193INSULATOR, STARTER HOLE
9011006040
main90110-06040
9011906938
main90119-06938
90119W0010
main90119-W0010
9017906326
main90179-06326
9025311021
main90253-11021
9161261035
main91612-61035
9167180816
main91671-80816
9167180820
main91671-80820
28 parts on this diagram · 2 diagrams in section