E
EPC Data

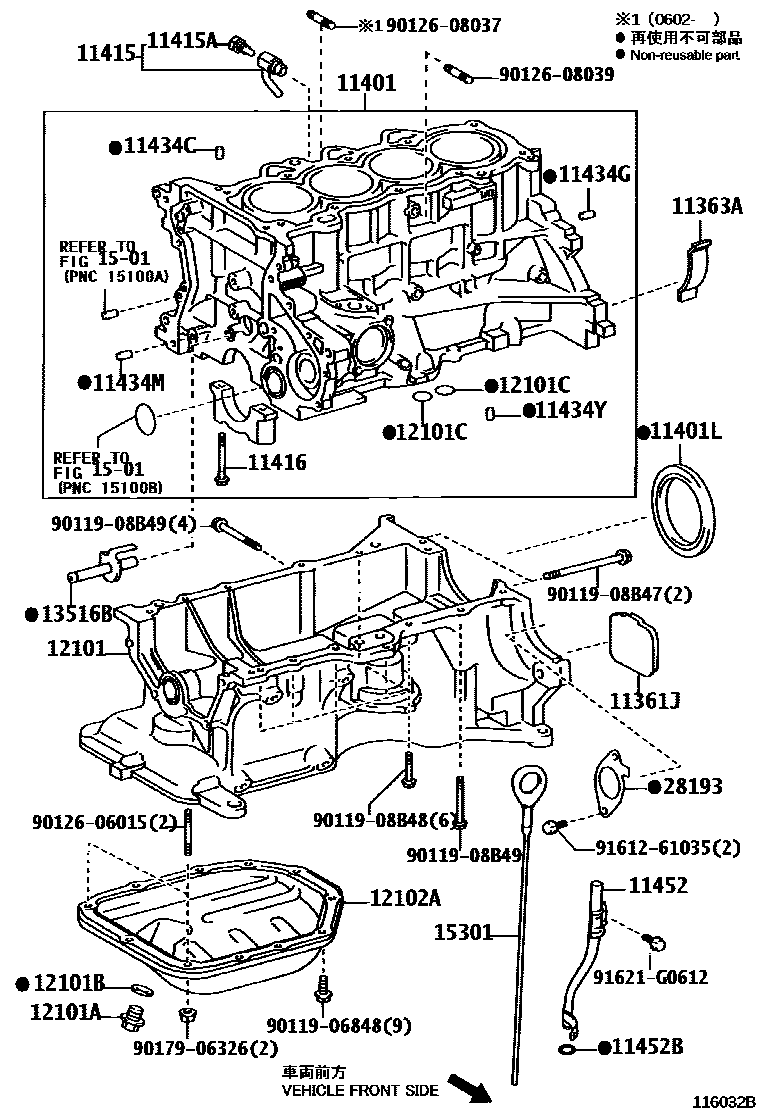
CYLINDER BLOCK

Parts diagram
11361JCOVER, FLYWHEEL HOUSING UNDER
main11361-21011i200308-200903
11363ACOVER, FLYWHEEL HOUSING SIDE
main11363-21010i200308-200903
11401BLOCK SUB-ASSY, CYLINDER
main11401-29855i200308-200812
main11401-29856i200812-200903
11401LSEAL, ENGINE REAR OIL
main90311-75016i200308-200903
11415COCK SUB-ASSY, WATER DRAIN(FOR CYLINDER BLOCK)
main90910-09107i200308-200903
11415APLUG, WATER DRAIN COCK(FOR CYLINDER BLOCK)
main90910-09087i200308-200903
11416BOLT(FOR CRANKSHAFT BEARING CAP SET)
main90910-02125i200308-200903
11434CPIN, STRAIGHT (FOR CYLINDER HEAD SET)
main90250-08120i200308-200903
L=18,OD=8
11434GPIN, STRAIGHT(FOR END PLATE)
main90250-10113i200308-200903
11434MPIN, STRAIGHT(FOR CHAIN TENSIONER)
main90250-10030i200308-200903
11434YPIN, STRAIGHT(FOR OIL PAN)
main90250-08120i200308-200903
11452GUIDE, OIL LEVEL GAGE
main11452-21021i200308-200903
11452BRING, O(FOR OIL LEVEL GAGE GUIDE)
main96721-19010i200308-200903
12101PAN SUB-ASSY, OIL
main12111-21051i200308-200903
12101APLUG(FOR OIL PAN DRAIN)
main90341-12012i200308-200903
12101BGASKET(FOR OIL PAN DRAIN PLUG)
main90430-12031i200308-200903
12101CRING, O(FOR OIL PAN)
main96722-24020i200308-200903
12102APAN SUB-ASSY, OIL, NO.2
main12102-21010i200308-200903
13516BJET, OIL
main13516-21010i200308-200903
1501ENGINE OIL PUMP
15301GAGE SUB-ASSY, OIL LEVEL
main15301-21020i200308-200903
28193INSULATOR, STARTER HOLE
main28193-21010i200308-200903
9011906848
9011908B47
9011908B48
9011908B49
9012606015
9012608037
9012608039
9017906326
9161261035
91621G0612

32 parts on this diagram · 1 diagram in section

CYLINDER BLOCK — Toyota Parts Diagram with OEM Numbers & Prices | EPC Data