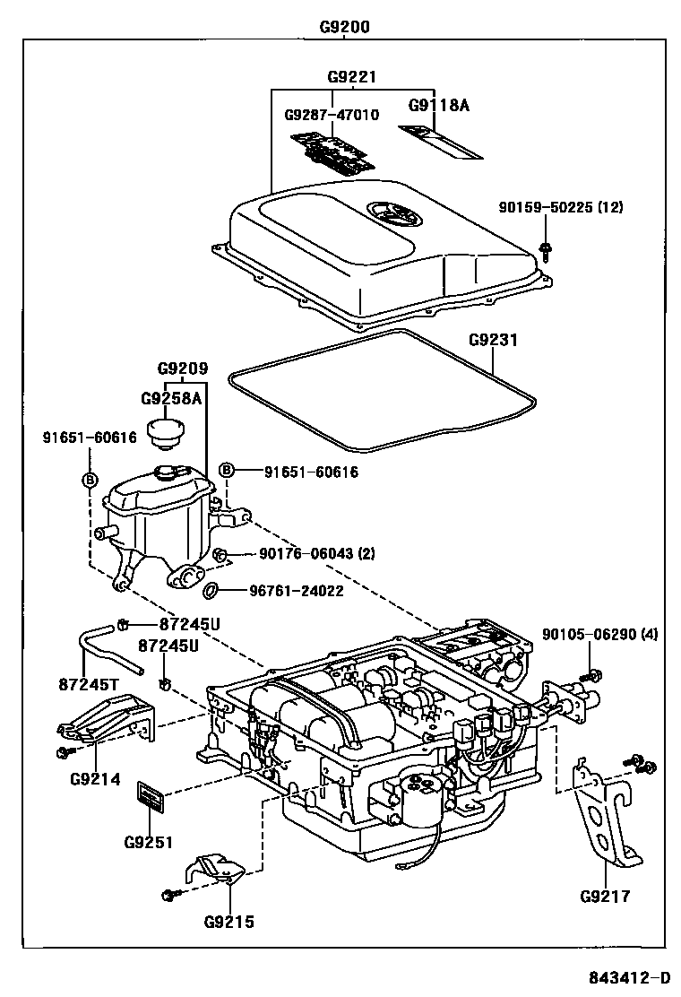
HEV INVERTER

87245THOSE, INVERTER WATER, NO.2
87245UCLAMP OR CLIP (FOR WATER HOSE)
G9118ALABEL, HV MOTOR CONTROL INVERTER CAUTION
G9209TANK SUB-ASSY, INVERTER RESERVE
G9214BRACKET, INVERTER, NO.1
G9215BRACKET, INVERTER, NO.2
G9217BRACKET, INVERTER, NO.4
G9221COVER, INVERTER
G9231GASKET, INVERTER COVER
G9251SEAT, INVERTER NAME
G9258ACAP, INVERTER RESERVE TANK
9010506290
main90105-06290
9015950225
main90159-50225
9017606043
main90176-06043
9165160616
main91651-60616
9676124022
main96761-24022
G928747010PLATE, INVERTER COVER
mainG9287-47010
18 parts on this diagram · 2 diagrams in section