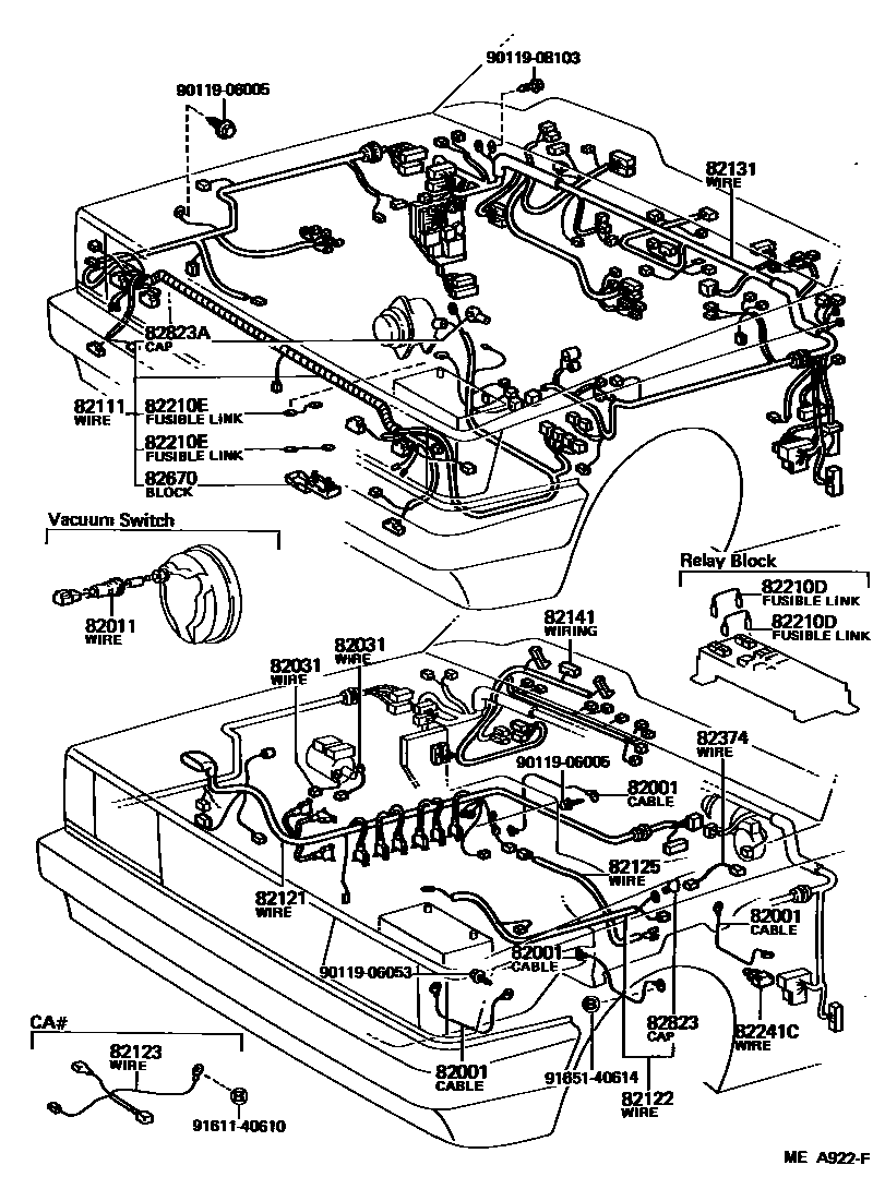
WIRING & CLAMP

82001CABLE, BOND, NO.1
TRANSMISSION--FLOOR
TRANSMISSION--FLOOR,L=300
ENGINE--SIDE MEMBER
ENGINE--DASH PANEL
82011WIRING ASSY, BRAKE WARNING SYSTEM
82031WIRE SUB-ASSY, IGNITION COIL
(+)
(-)
82111WIRE, ENGINE ROOM MAIN
82121WIRE, ENGINE
82122WIRE, ENGINE, NO.2
STARTER=12V 0.8KW
STARTER=12V 1.0KW
STARTER=12V 0.8KW
STARTER=12V 1.0KW
82123WIRE, ENGINE, NO.3
82125WIRE, TRANSMISSION
82131WIRE, COWL
82141WIRE, INSTRUMENT PANEL
82210DFUSIBLE LINK
1.0YELLOW,L=110,FL1.0 YELLOW
FL 0.3 PINK,FL0.3 PINK
82210EFUSIBLE LINK
FL1.25 BLACK
FL1.0 YELLOW
82241CWIRE, RELAY
82374WIRE, WASHER
W/HEADLAMP CLEANER
82670BLOCK ASSY, JUNCTION, NO.1
82823CAP, TERMINAL, NO.1
82823ACAP, TERMINAL, NO.2
9011906005
main90119-06005
9011906053
main90119-06053
9011908103
main90119-08103
9165140614
main91651-40614
9166140610
main91661-40610
22 parts on this diagram · 8 diagrams in section