E
EPC Data

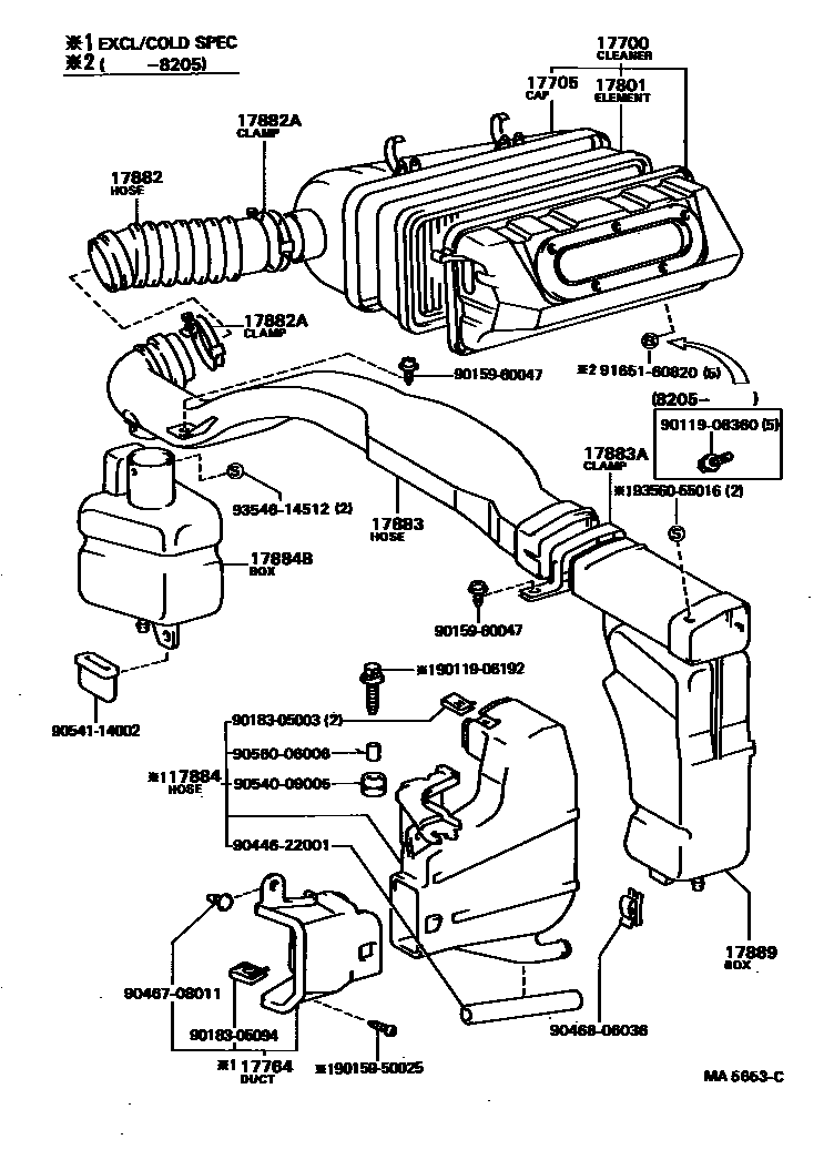
AIR CLEANER

Parts diagram
17700CLEANER ASSY, AIR
main17700-26290i198108-198309
main17700-26300i198303-198309
W/HOT AIR INTAKE
main17700-28031i198108-198309
main17700-64010i198204-198309
17705CAP SUB-ASSY, AIR CLEANER
main17705-25013i198108-198309
main17705-26080i198108-198309
main17705-64010i198204-198309
17764DUCT, AIR CLEANER
main53299-14020i198204-198309
17801ELEMENT SUB-ASSY, AIR CLEANER FILTER
main17801-25010i198108-198309
main17801-31080i198111-198309
DUST AREA
main17801-64010i198204-198309
17882HOSE, AIR CLEANER, NO.2
main17881-14020i198108-198309
main17881-14050i198204-198309
17882ACLAMP(FOR AIR CLEANER HOSE, NO.2)
main90460-01003i198108-198309
AIR CLEANER SIDE
main90460-01019i198108-198309
HOSE SIDE
main90460-65001i198204-198309
HOSE NO.3 SIDE
main96111-10600i198204-198309
AIR CLEANER SIDE
17883HOSE, AIR CLEANER, NO.3
main17882-14010i198108-198309
main17882-14020i198204-198309
17883ACLAMP(FOR AIR CLEANER HOSE, NO.3)
main17891-14010i198204-198309
main90460-01018i198108-198309
17884HOSE, AIR CLEANER, NO.4
main17883-14031i198204-198309
17884BBOX, AIR CLEANER, NO.1
main17884-14010i198204-198309
17889BOX, AIR CLEANER HOSE, NO.2
main17889-14010i198204-198309
main17889-14020i198204-198309
COLD SPEC
9011906192
9011908360
9015950025
9015960047
9018305003
9018305094
9044622001
9046708011
9046806036
9054009005
9054114002
9056006006
9165160820
9354614512
9356055016

26 parts on this diagram · 4 diagrams in section

AIR CLEANER — Toyota Parts Diagram with OEM Numbers & Prices | EPC Data