E
EPC Data

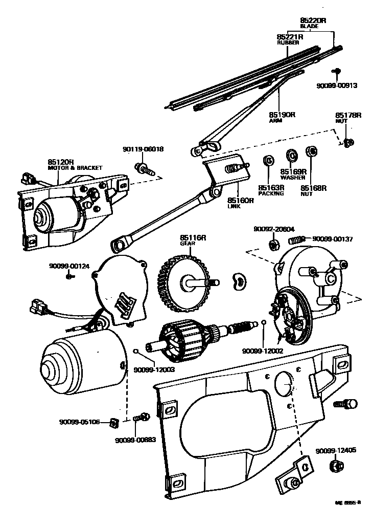
REAR WIPER

Parts diagram
85116RGEAR, REAR WIPER MOTOR
main85116-95101i197708-198107
85120RMOTOR AND BRACKET ASSY, REAR WIPER
main85120-15010i197708-198107
85160RLINK ASSY, REAR WIPER
main85160-15010i197708-198107
85163RPACKING, REAR WIPER PIVOT, NO.1
main85174-21010i197708-198107
85168RNUT, REAR WIPER LINK PIVOT, NO.1
main90099-05134i197708-198107
85169RWASHER, REAR WIPER LINK PIVOT, NO.1
main90099-01435i197708-198107
85178RNUT (FOR REAR WIPER ARM SETTING)
main90179-06158i197708-198107
85190RARM ASSY, REAR WIPER
main85190-15010i197708-198107
85220RBLADE ASSY, REAR WIPER
main85220-22040i197708-198107
85221RBLADE, REAR WIPER
main85221-10040i197708-197908
main85221-20060i197908-198107
9009220604
9009900124
9009900137
9009900883
9009900913
9009905106
9009912002
9009912003
9009912405
9011906018

20 parts on this diagram · 1 diagram in section

REAR WIPER — Toyota Parts Diagram with OEM Numbers & Prices | EPC Data