BRAKE MASTER CYLINDER

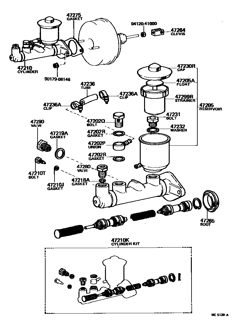
47202RESERVOIR SUB-ASSY, BRAKE MASTER CYLINDER
47202PUNION, RESERVOIR(FOR BRAKE MASTER CYLINDER SIDE)
47202QBOLT, RESERVOIR UNION(FOR BRAKE MASTER CYLINDER SIDE)
47202RGASKET, RESERVOIR UNION(FOR BRAKE MASTER CYLINDER SIDE)
47205RESERVOIR SET, BRAKE MASTER CYLINDER(FOR REAR SIDE)
47205AFLOAT, BRAKE MASTER CYLINDER RESERVOIR(FOR REAR SIDE)
47210JGASKET(FOR MASTER CYLINDER)
47210KCYLINDER KIT, BRAKE MASTER
47210TBOLT(FOR BRAKE MASTER CYLINDER)
47218AGASKET(FOR FLUID OUTLET PLUG)
47219AGASKET(FOR FLUID OUTLET PLUG REAR SIDE)
47230CAP ASSY, BRAKE MASTER CYLINDER RESERVOIR FILLER
47230RCAP ASSY, RESERVOIR, NO.2(FOR REAR SIDE)
47231BOLT, BRAKE MASTER CYLINDER RESERVOIR SET
47232WASHER, BRAKE RESERVOIR SET BOLT
47236TUBE, RESERVOIR BRAKE
47236ACLIP(FOR RESERVOIR TUBE)
47264CLEVIS, MASTER CYLINDER PUSH ROD
47265BOOT, MASTER CYLINDER
47280VALVE ASSY, BRAKE MASTER CYLINDER OUTLET CHECK
sub47280-14010
47290VALVE ASSY, MASTER CYLINDER OUTLET(FOR REAR SIDE)
sub47280-14010
47299STRAINER, BRAKE MASTER CYLINDER RESERVOIR
47299RSTRAINER, MASTER CYLINDER RESERVOIR, REAR
9017908146
main90179-08146
9412041000
main94120-41000
27 parts on this diagram · 5 diagrams in section