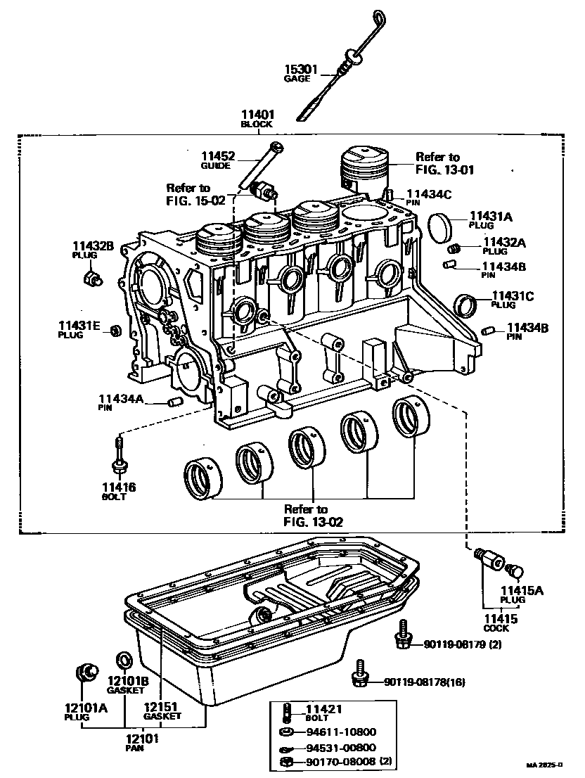
CYLINDER BLOCK

11401BLOCK SUB-ASSY, CYLINDER
sub11401-29207
sub11401-29208
sub11401-29217
sub11401-29218
sub11401-29415
sub11401-29238
11415COCK SUB-ASSY, WATER DRAIN(FOR CYLINDER BLOCK)
sub96431-53828
11415APLUG, WATER DRAIN COCK(FOR CYLINDER BLOCK)
11416BOLT(FOR CRANKSHAFT BEARING CAP SET)
11421BOLT, STUD(FOR OIL PAN)
11431APLUG, TIGHT, NO.1(FOR CYLINDER BLOCK)
OD=50
11431CPLUG, TIGHT, NO.3(FOR CYLINDER BLOCK)
OD=35
11431EPLUG, TIGHT, NO.5(FOR CYLINDER BLOCK)
OD=18
11432APLUG, W/HEAD TAPER SCREW, NO.1
11432BPLUG, W/HEAD TAPER SCREW, NO.2
sub90345-51025
11434APIN, STRAIGHT(FOR TIMING GEAR COVER SET)
L=23,OD=8
L=18,OD=8,L=18,OD=8
11434BPIN, STRAIGHT(FOR CLUTCH HOUSING SET)
L=18,OD=8,L=18,OD=8
L=22,OD=10,L=22,OD=10
11434CPIN, STRAIGHT (FOR CYLINDER HEAD SET)
L=18,OD=8
11452GUIDE, OIL LEVEL GAGE
12101PAN SUB-ASSY, OIL
sub12101-29076
12101APLUG(FOR OIL PAN DRAIN)
sub90033-41020
12101BGASKET(FOR OIL PAN DRAIN PLUG)
sub90430-18023
12151GASKET, OIL PAN
1301
1302
1502
9011908178
main90119-08178
9011908179
main90119-08179
9017008008
main90170-08008
9453100800
main94531-00800
9461110800
main94611-10800
27 parts on this diagram · 1 diagram in section