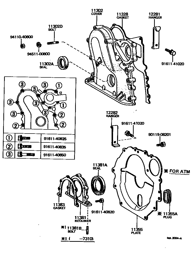
TIMING GEAR COVER & REAR END PLATE

11302COVER SUB-ASSY, TIMING CHAIN OR BELT
11302ASEAL, OIL(FOR TIMING CHAIN OR BELT COVER)
HTC3 38.5 58 11
HTC3 38.5 58 11
11302DBOLT, STUD(FOR TIMING GEAR COVER)
L=29,S=13&13
11328GASKET, TIMING GEAR OR CHAIN COVER
11355PLATE, REAR END
11355APLUG, HOLE(FOR REAR END PLATE)
11381RETAINER, ENGINE REAR OIL SEAL
11381ASEAL, ENGINE REAR OIL
HTC 75 100 13
11381BBOLT, STUD(FOR ENGINE REAR OIL SEAL RETAINER)
L=29,S=13&13
11383GASKET, ENGINE REAR OIL SEAL RETAINER
12281HANGER, ENGINE, NO.1
12282HANGER, ENGINE, NO.2
9011908201
main90119-08201
9161140820
main91611-40820
9161140825
main91611-40825
9161140835
main91611-40835
9161140850
main91611-40850
9161141020
main91611-41020
9411040800
main94110-40800
9451100800
main94511-00800
20 parts on this diagram · 1 diagram in section