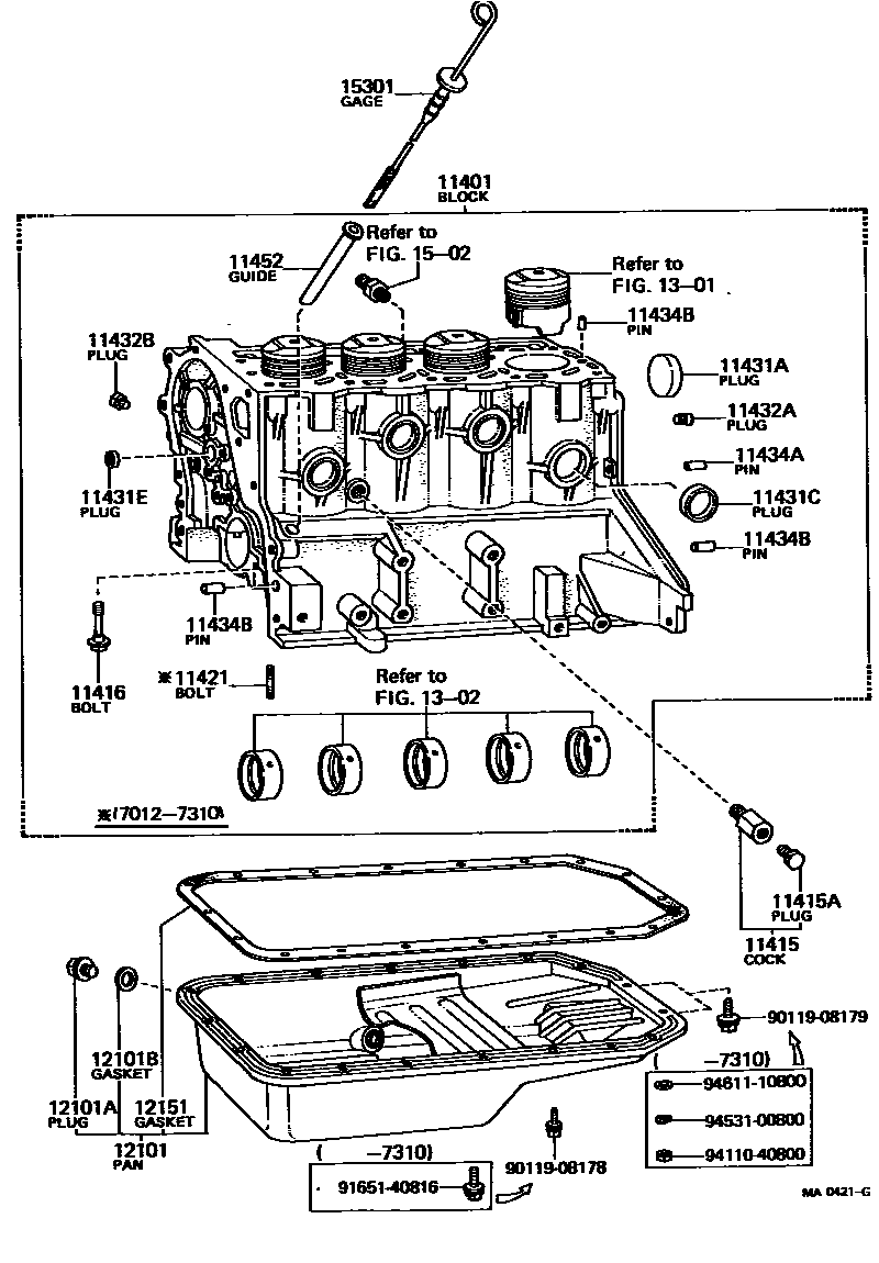
CYLINDER BLOCK

11401BLOCK SUB-ASSY, CYLINDER
11415COCK SUB-ASSY, WATER DRAIN(FOR CYLINDER BLOCK)
11415APLUG, WATER DRAIN COCK(FOR CYLINDER BLOCK)
11416BOLT(FOR CRANKSHAFT BEARING CAP SET)
12-1.25PX62-21
11421BOLT, STUD(FOR OIL PAN)
L=29,S=13&13
L=26,S=12&12
11431APLUG, TIGHT, NO.1(FOR CYLINDER BLOCK)
OD=50
OD=50
11431CPLUG, TIGHT, NO.3(FOR CYLINDER BLOCK)
OD=35
OD=35
11431EPLUG, TIGHT, NO.5(FOR CYLINDER BLOCK)
OD=18
11432APLUG, W/HEAD TAPER SCREW, NO.1
11432BPLUG, W/HEAD TAPER SCREW, NO.2
11434APIN, STRAIGHT(FOR TIMING GEAR COVER SET)
L=22,OD=10,L=22 OD=10
11434BPIN, STRAIGHT(FOR CLUTCH HOUSING SET)
L=18,OD=8,L=18,OD=8
11452GUIDE, OIL LEVEL GAGE
12101PAN SUB-ASSY, OIL
12101APLUG(FOR OIL PAN DRAIN)
12101BGASKET(FOR OIL PAN DRAIN PLUG)
12151GASKET, OIL PAN
1301CRANKSHAFT & PISTON
1302CAMSHAFT & VALVE
1502OIL FILTER
15301GAGE SUB-ASSY, OIL LEVEL
9011908178
main90119-08178
9011908179
main90119-08179
9165140816
main91651-40816
9411040800
main94110-40800
9453100800
main94531-00800
9461110800
main94611-10800
27 parts on this diagram · 1 diagram in section