E
EPC Data

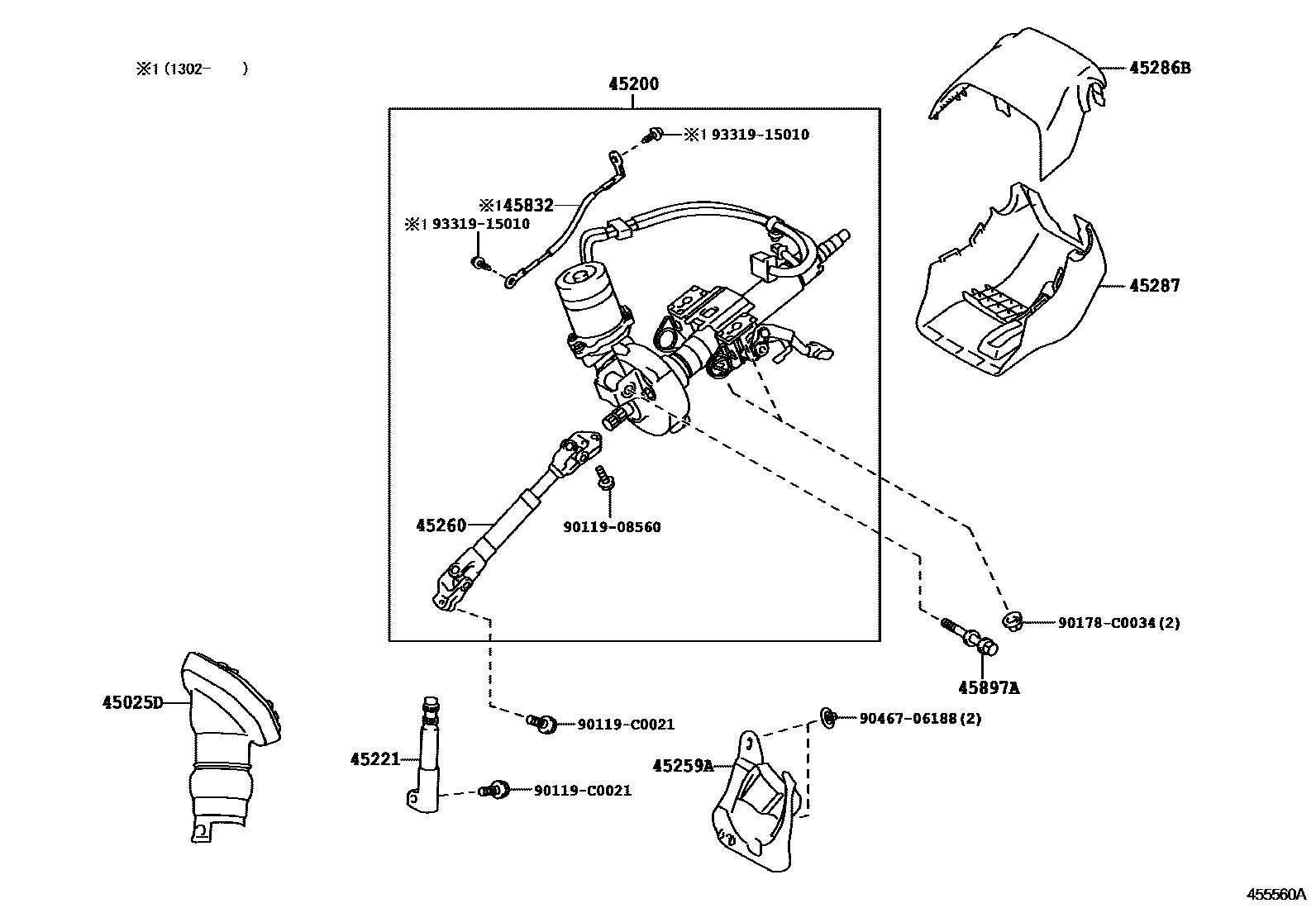
STEERING COLUMN & SHAFT

Parts diagram
45025DCOVER SUB-ASSY, STEERING COLUMN HOLE, NO.1
main45025-12300i201112
45200POST ASSY, STEERING
main45200-0Q020i201112
45221SHAFT, STEERING INTERMEDIATE
main45221-02060i201112
45259ASHEET, COLUMN HOLE COVER SILENCER
main45259-47030i201112
45260SHAFT ASSY, STEERING INTERMEDIATE, NO.2
main45260-02100i201112-201202
main45260-02180i201203
45286BCOVER, STEERING COLUMN, UPR
main45286-47040-C0i201112-201510
BLACK,TRIM1#
45287COVER, STEERING COLUMN, LWR
main45287-12590-C0i201112-201208
BLACK,TRIM1#
main45287-47090-C0i201209-201510
BLACK,TRIM1#
45832CABLE, TILT STEERING SUPPORT BOND
main45832-21010i201302
45897ABOLT, TILT STEERING PAWL SET
main45897-42010i201112
9011908560
90119C0021
90178C0034
9046706188
9331915010

14 parts on this diagram · 1 diagram in section

STEERING COLUMN & SHAFT — Toyota Parts Diagram with OEM Numbers & Prices | EPC Data