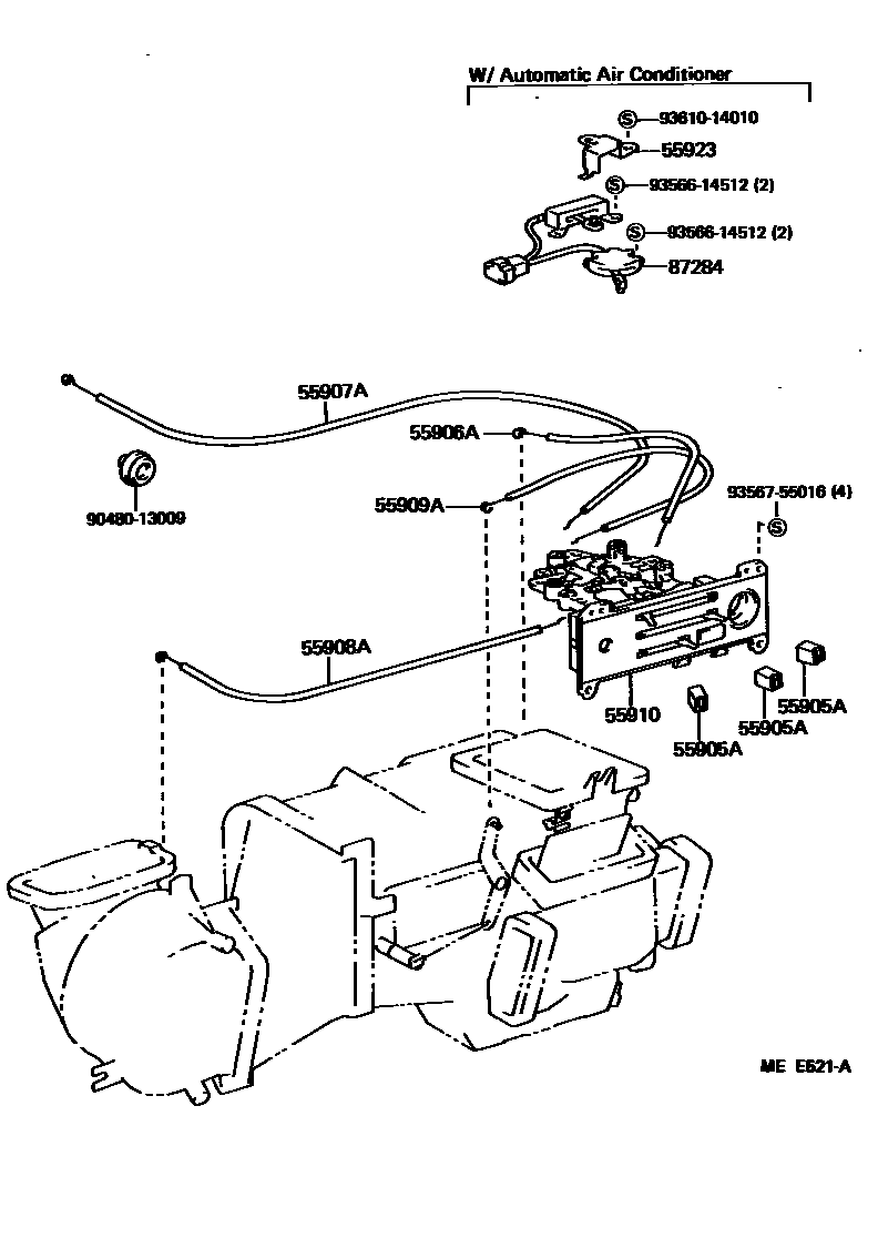
HEATING & AIR CONDITIONING - CONTROL & AIR DUCT

55905AKNOB, HEATER CONTROL
A/C
ECON
55906ACABLE SUB-ASSY, DEFROSTER DAMPER CONTROL
55907ACABLE SUB-ASSY, WATER VALVE CONTROL
W/O *AAC
W/O *AAC
W/O *AAC
W/O *AAC
55908ACABLE SUB-ASSY, AIR INLET DAMPER CONTROL
55909ACABLE SUB-ASSY, AIRMIX DAMPER CONTROL
W/O *AAC
W/O *AAC
W/O *AAC
55910CONTROL ASSY, HEATER OR BOOST VENTILATOR
W(AUTOMATIC AIR CONDITIONER(MOP))
55923RETAINER, HEATER CONTROL, UPPER
W/*AAC
87284RESISTOR SUB-ASSY, VARIABLE
W/*AAC
W/*AAC
W/*AAC,COOLER=DEALER OPTION
9048013009
main90480-13009
9356614512
main93566-14512
9356755016
main93567-55016
9361014010
main93610-14010
12 parts on this diagram · 5 diagrams in section