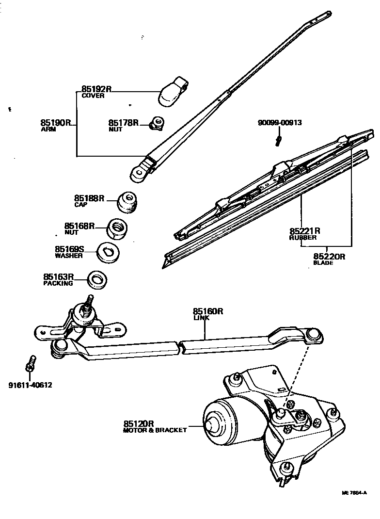
REAR WIPER

85120RMOTOR AND BRACKET ASSY, REAR WIPER
85160RLINK ASSY, REAR WIPER
85163RPACKING, REAR WIPER PIVOT, NO.1
85169SWASHER, REAR WIPER LINK PIVOT, NO.2
85178RNUT (FOR REAR WIPER ARM SETTING)
85188RCAP, REAR WIPER PIVOT, NO.1
85192RCOVER, REAR WIPER ARM
sub85192-13060
9009900913
main90099-00913
9161140612
main91611-40612
13 parts on this diagram · 2 diagrams in section