E
EPC Data

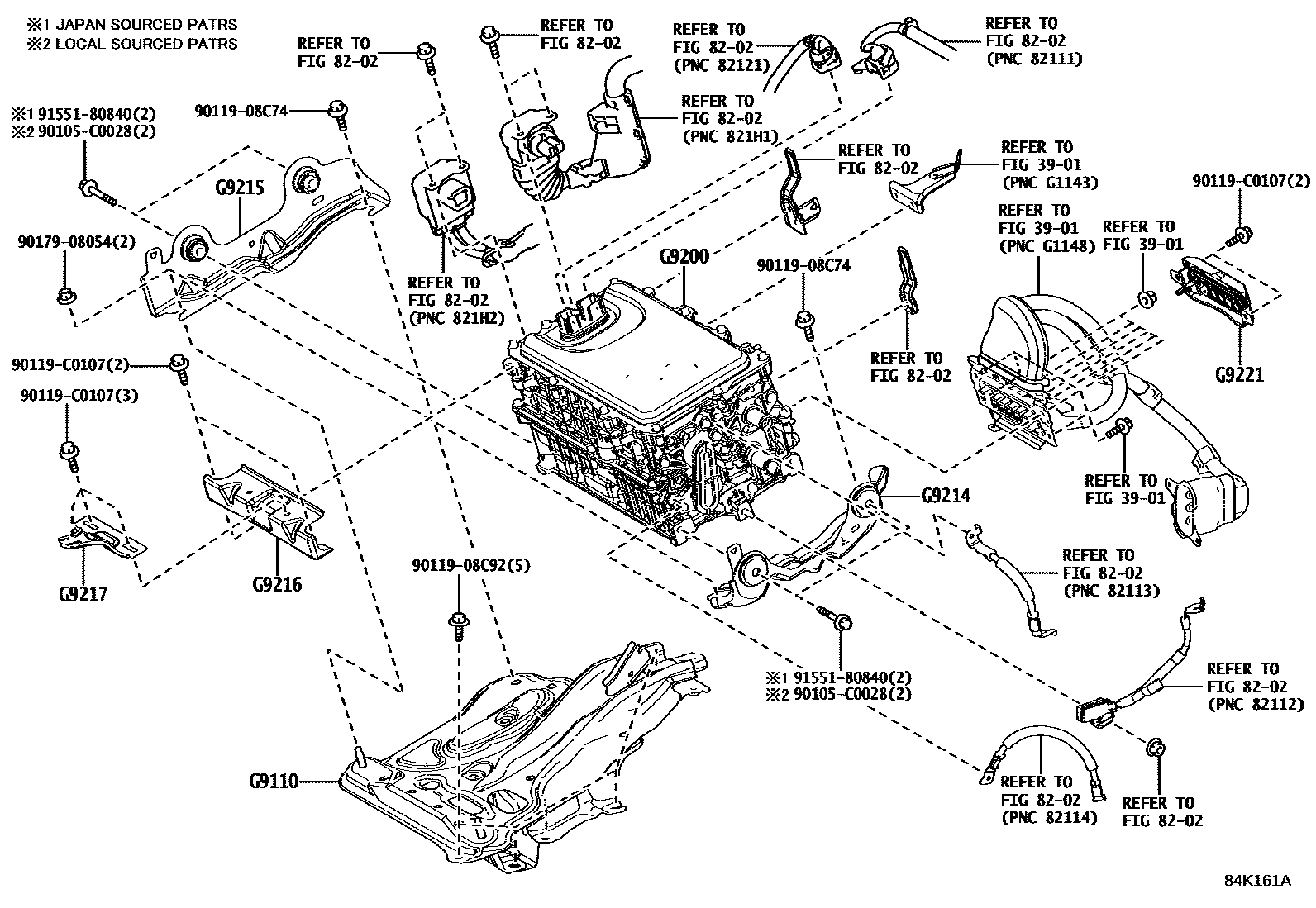
HEV INVERTER

Parts diagram
3901
8202
G9110BRACKET ASSY, INVERTER
mainG911002020i201904
G9200INVERTER ASSY, W/CONVERTER
mainG92A002020i201904
G9214BRACKET, INVERTER, NO.1
mainG921402050i201904
G9215BRACKET, INVERTER, NO.2
mainG921502040i201904
G9216BRACKET, INVERTER, NO.3
mainG921602030i201904
G9217BRACKET, INVERTER, NO.4
mainG921702031i201904
G9221COVER, INVERTER
mainG902202010i201904
90105C0028
9011908C74
9011908C92
90119C0107
9017908054
9155180840

15 parts on this diagram · 1 diagram in section

HEV INVERTER — Toyota Parts Diagram with OEM Numbers & Prices | EPC Data