E
EPC Data

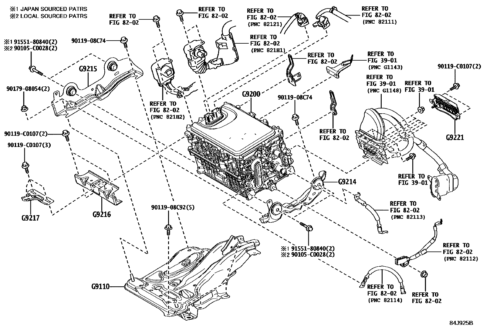
HEV INVERTER

Parts diagram
3901
8202
G9110BRACKET ASSY, INVERTER
mainG911002010i201903-202207
G9200INVERTER ASSY, W/CONVERTER
mainG92A002020i201903-202207
G9214BRACKET, INVERTER, NO.1
mainG921402040i201903-202207
G9215BRACKET, INVERTER, NO.2
mainG921502030i201903-202207
G9216BRACKET, INVERTER, NO.3
mainG921602030i201903-202207
G9217BRACKET, INVERTER, NO.4
mainG921702031i201903-202207
G9221COVER, INVERTER
mainG902202010i201903-202207
90105C0028
9011908C74
9011908C92
90119C0107
9017908054
9155180840

15 parts on this diagram · 1 diagram in section

HEV INVERTER — Toyota Parts Diagram with OEM Numbers & Prices | EPC Data