E
EPC Data

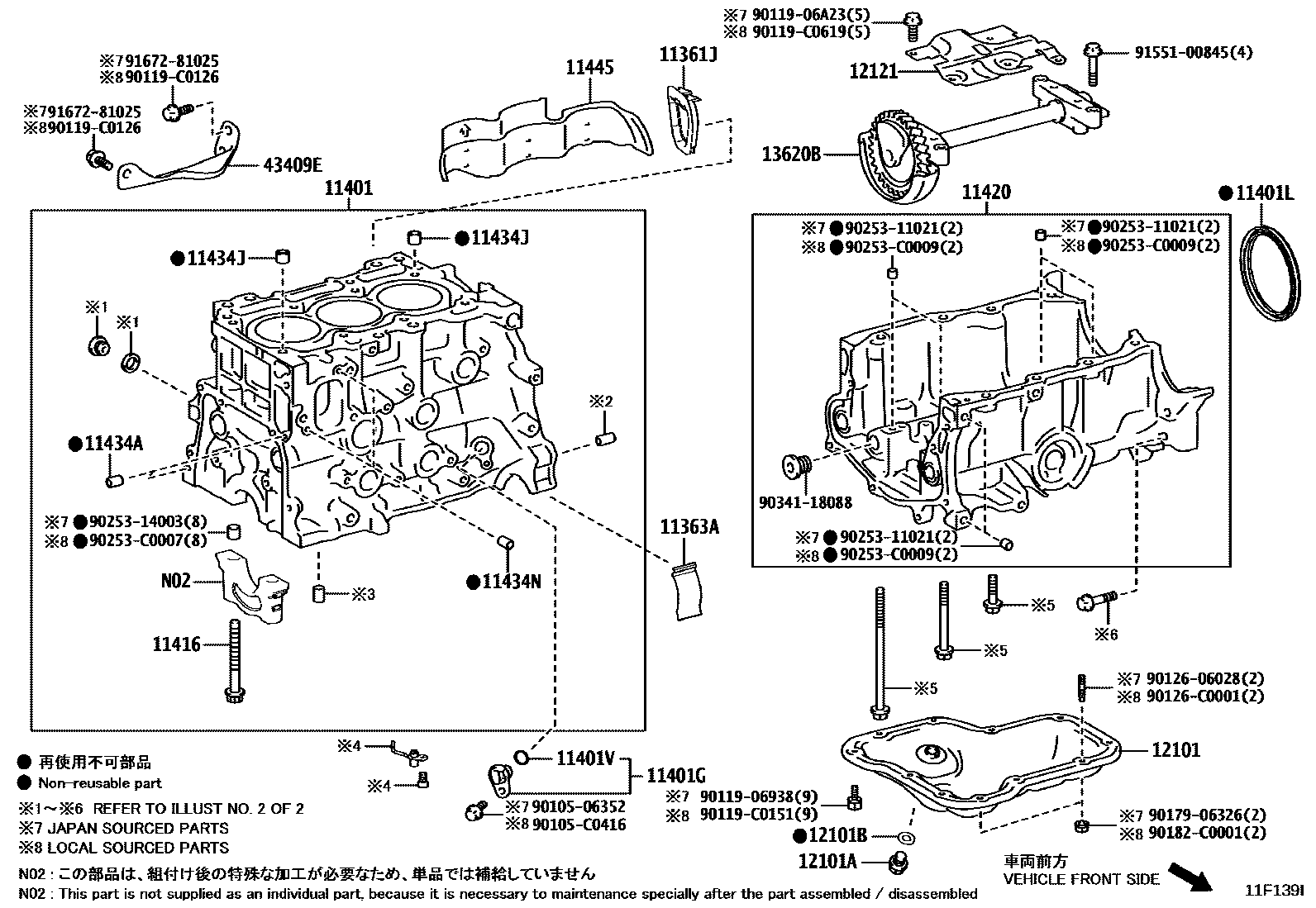
CYLINDER BLOCK

Parts diagram
11361JCOVER, FLYWHEEL HOUSING UNDER
main11361-0T020i201906-202303
(L)
main11361-21011i202304
(J)
main11361-F2020i202304
11363ACOVER, FLYWHEEL HOUSING SIDE
main11363-0T020i202304
(L),TYPE A:REF ILL.
main11363-21010i201906-202303
(J),TYPE A:REF ILL.
main11363-33010i201908-202303
(J)
main11363-F2020i201908
(L)
main11363-F3030i202101-202303
11401BLOCK SUB-ASSY, CYLINDER
main11410-09780i201906
*497,*615
main11410-09800i201906-202303
MARK = 8ZR
main11410-09850i202304
MARK = 8ZR
main11410-19005i202101-202303
*616
main11410-39226i201906-202110
MARK = 2ZR
main11410-39295i202110-202303
MARK = 2ZR
main11410-49065i202106-202303
*474
main11410-F9130i202101-202303
*617
11401GSENSOR, CRANK POSITION
main90919-05070i201906-202303
main90919-05091i202304
main90919-05095i202304-202408
main90919-C5006i202408
(L)
11401LSEAL, ENGINE REAR OIL
main90311-78002i202007-202106
*474
main90311-78010i202107-202303
*474; *497,*615
main90311-90010i202101-202303
*616
main90311-C0007i202007-202106
*497,*615
main90311-C0035i202304
main90311-C0055i202304
11401VO-RING, CRANK POSITION SENSOR
main90301-11039i202304
main90301-14016i201906-202303
11416BOLT(FOR CRANKSHAFT BEARING CAP SET)
main90910-02163×10i202007-202303
*474
main90910-02197×8i202304
main90910-C2001×10i201906-202007
11420CRANKCASE ASSY, STIFFENING
main11420-0T090i202304
main11420-0Y010i202007-202303
*497,*615
main11420-15010i202101-202303
*616
main11420-47010i202007-202303
*474
main11420-F3040i202101-202303
*617
11434APIN, STRAIGHT(FOR TIMING GEAR COVER SET)
main90250-04097×2i202007-202303
L=12,OD=4.0,*474
main90250-06003×2i202304
L=14,OD=6
main90250-C0009×2i202007-202303
L=12,OD=4.0,*497,*615
11434JPIN, RING (FOR CYLINDER HEAD SET)
main90253-13017×2i202304
(J)
main90253-14003×2i202007-202303
*474
main90253-C0003×2i202304
main90253-C0006×2i202101-202303
(L),*617
main90253-C0007×2i202007-202303
*497,*615
11434NPIN, STRAIGHT(FOR WATER INLET HOUSING)
main90250-06003×2i202304
11445SPACER, CYLINDER BLOCK WATER JACKET
main11445-0Y030i201906-202007
main11445-15010i202101-202303
*616
main11445-47040i202007-202303
*474
main11445-F3030i202101-202303
*617
12101PAN SUB-ASSY, OIL
main12102-15010i202101-202303
*616
main12102-F3030i202101-202303
*617
12101APLUG(FOR OIL PAN DRAIN)
main90341-12012i202007-202303
*474
main90341-C0013i202304
12101BGASKET(FOR OIL PAN DRAIN PLUG)
main90430-12031i202007-202303
*474
main90430-C0005i201906-202303
12121PLATE, OIL PAN BAFFLE, NO.1
main12121-15050i202101-202303
*616
main12121-F3030i202101-202303
*617
13620BBALANCER ASSY, ENGINE
main13620-15010i202101-202303
*616
main13620-F3010i202101-202303
*617
43409EINSULATOR SUB-ASSY, DRIVE SHAFT HEAT
main43498-02280i202304
9010506352
90105C0416
9011906938
9011906A23
90119C0126
90119C0151
90119C0619
9012606028
90126C0001
9017906326
90182C0001
9025311021
9025314003
90253C0007
90253C0009
9034118088
9155100845
9167281025

36 parts on this diagram · 8 diagrams in section

CYLINDER BLOCK — Toyota Parts Diagram with OEM Numbers & Prices | EPC Data