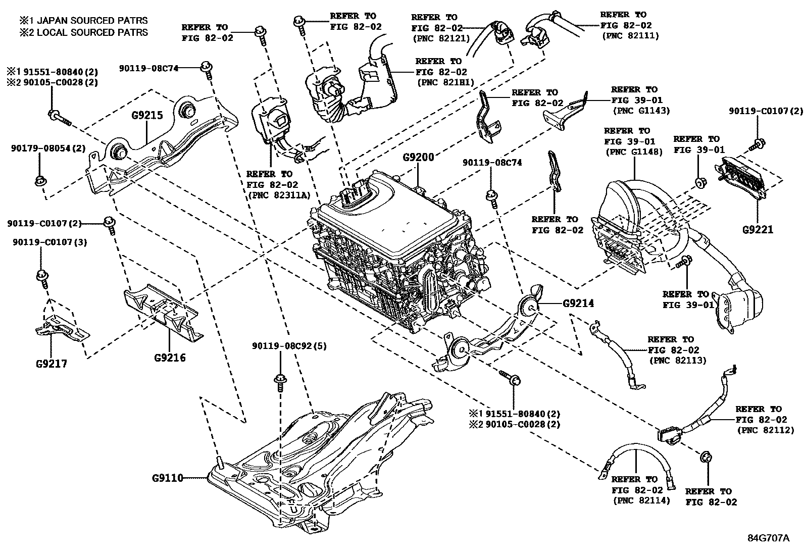
HEV INVERTER

3901TRANSAXLE ASSY(HEV OR BEV OR FCEV)
8202WIRING & CLAMP
G9110BRACKET ASSY, INVERTER
G9200INVERTER ASSY, W/CONVERTER
G9214BRACKET, INVERTER, NO.1
G9215BRACKET, INVERTER, NO.2
G9216BRACKET, INVERTER, NO.3
G9221COVER, INVERTER
90105C0028
main90105-C0028
9011908C74
main90119-08C74
9011908C92
main90119-08C92
90119C0107
main90119-C0107
9017908054
main90179-08054
9155180840
main91551-80840
15 parts on this diagram · 1 diagram in section