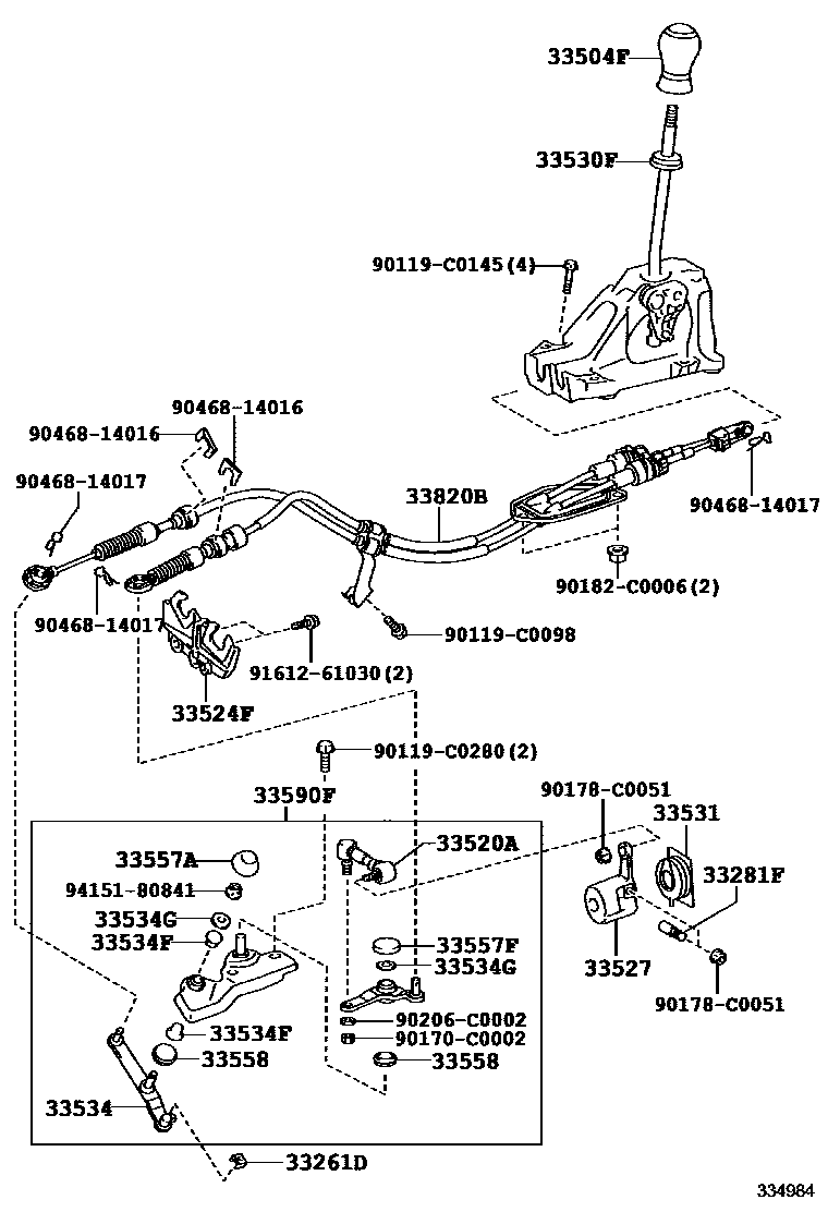
SHIFT LEVER & RETAINER

33261DBUSH (FOR SHIFT & SELECT LEVER)
33281FPIN, LEVER LOCK (FOR FLOOR SHIFT)
33504FKNOB SUB-ASSY, SHIFT LEVER
BLACK,TRIM0#,2#
BLACK,TRIM0#,2#; BLACK,TRIM2#
BLACK,TRIM0#,2#
BLACK & METALLIC BLACK,TRIM0#,2#
BLACK/BLACK ME.,TRIM0#,2#
ORNAMENT SILVER,TRIM0#,2#; ORNAMENT SILVER,TRIM2#
BLACK/21GY18,TRIM0#,2#
BLACK,TRIM0#,2#
BLACK,TRIM2#
33520ASHAFT ASSY, FLOOR SHIFT CONTROL
33524FBRACKET, CONTROL LEVER HOUSING SUPPORT (FOR FLOOR SHIFT)
33527LEVER, CONTROL SHIFT (FOR FLOOR SHIFT)
33530FLEVER ASSY, SHIFT (FOR FLOOR SHIFT)
33531BOOT, DUST (FOR CONTROL SHIFT LEVER)
33534BELLCRANK, SELECTING
33534FBUSH (FOR SELECTING BELLCRANK NO.2)
33534GWASHER, PLATE (FOR SELECTING BELLCRANK NO.2)
33557ACOVER, SELECTING BELLCRANK DUST, NO.1
33557FCOVER, CONTROL BELLCRANK DUST (FOR FLOOR SHIFT)
33558COVER, SELECTING BELLCRANK DUST, NO.2
33590FCRANK ASSY, SELECTING BELL (FOR FLOOR SHIFT)
33820BCABLE ASSY, TRANSMISSION CONTROL
90119C0098
main90119-C0098
90119C0145
main90119-C0145
90119C0280
main90119-C0280
90170C0002
main90170-C0002
90178C0051
main90178-C0051
90182C0006
main90182-C0006
90206C0002
main90206-C0002
9046814016
main90468-14016
9046814017
main90468-14017
9161261030
main91612-61030
9415180841
main94151-80841
27 parts on this diagram · 5 diagrams in section