E
EPC Data

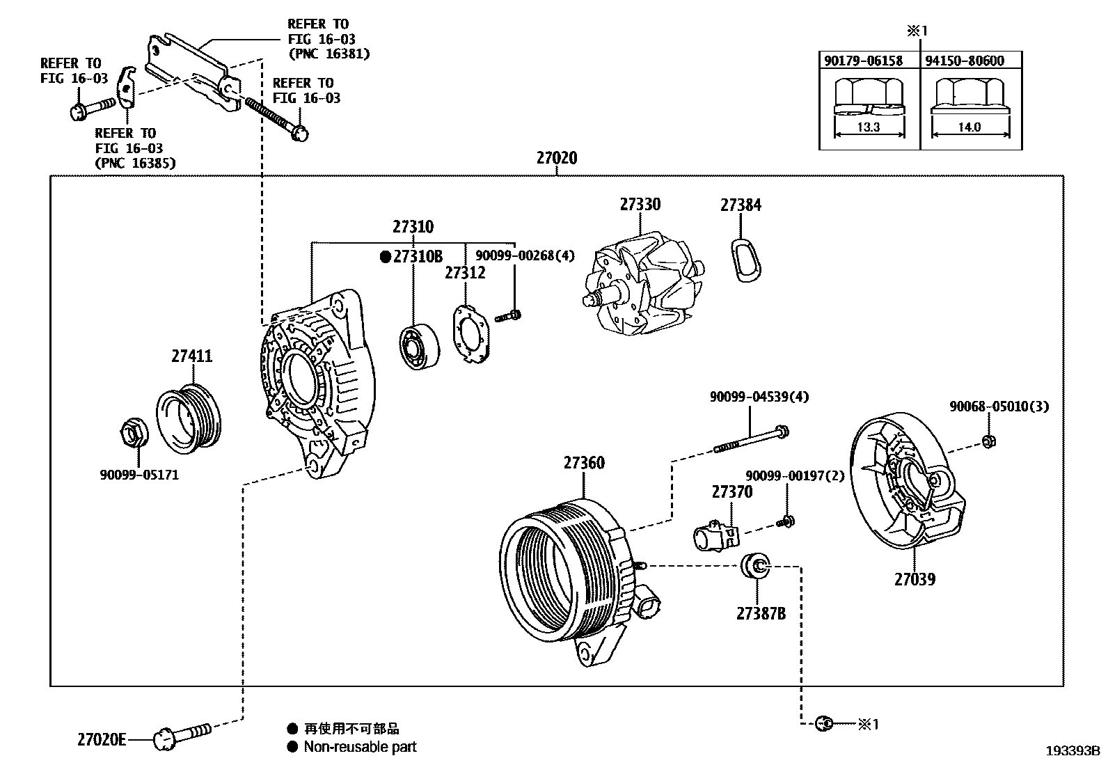
ALTERNATOR

Parts diagram
1603RADIATOR & WATER OUTLET
27020ALTERNATOR ASSY
main27060-0T120i200911-201206
12V 80A
main27060-0T121i201207-201212
12V 80A
27020EBOLT(FOR ALTERNATOR)
main90105-10307i200911-201212
27039COVER, ALTERNATOR REAR END
main27039-0C020i200911-201212
27310FRAME ASSY, DRIVE END, ALTERNATOR
main27310-0T110i200911-201207
main27310-0T111i201207-201212
27310BBEARING(FOR ALTERNATOR DRIVE END FRAME)
main90068-10029i200911-201207
main90068-10036i201207-201212
27312PLATE, RETAINER
main27312-0C020i200911-201212
27330ROTOR ASSY, ALTERNATOR
main27330-0H080i200911-201212
27360COIL ASSY, ALTERNATOR
main27360-0T100i200911-201212
27370HOLDER ASSY, ALTERNATOR BRUSH
main27370-31220i200911-201212
27384WASHER
main27384-16380i200911-201212
27387BINSULATOR, ALTERNATOR TERMINAL
main27387-0C020i200911-201212
27411PULLEY, ALTERNATOR
main27411-0M070i200911-201212
9006805010
9009900197
9009900268
9009904539
9009905171
9017906158
9415080600

20 parts on this diagram · 1 diagram in section

ALTERNATOR — Toyota Parts Diagram with OEM Numbers & Prices | EPC Data