E
EPC Data

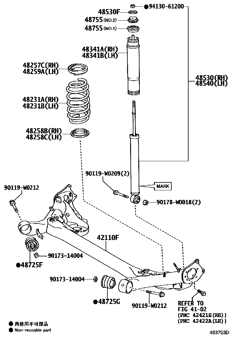
REAR SPRING & SHOCK ABSORBER

Parts diagram
4102
42110FBEAM ASSY, REAR AXLE
main42101-02260i201210-201505
48231ASPRING, COIL, REAR RH
main48231-02870i201210-201607
main48231-02871i201608
48231BSPRING, COIL, REAR LH
main48231-02870i201210-201607
main48231-02871i201608
48257CINSULATOR, REAR COIL SPRING, UPPER RH
main48257-0D010i201210-201505
48258BINSULATOR, REAR COIL SPRING, LOWER RH
main48258-0D050i201210-201505
48258CINSULATOR, REAR COIL SPRING, LOWER LH
main48258-0D050i201210-201505
48259AINSULATOR, REAR COIL SPRING, UPPER LH
main48257-0D010i201210-201505
48341ABUMPER, REAR SPRING, NO.1 RH
main48341-02080i201210-201505
48341BBUMPER, REAR SPRING, NO.1 LH
main48341-02080i201210-201505
48530ABSORBER ASSY, SHOCK, REAR RH
main48530-09W10i201210-201411
MARK 48530-02A10
main48530-09W11i201411-201505
MARK 48530-02A11
main48530-8Z023i201505
MARK 48530-02E50
48530FRETAINER, SHOCK ABSORBER CUSHION(FOR REAR)
main90948-02159i201210-201505
48540ABSORBER ASSY, SHOCK, REAR LH
main48530-09W10i201210-201411
MARK 48530-02A10
main48530-09W11i201411-201505
MARK 48530-02A11
main48530-8Z023i201505
MARK 48530-02E50
48725FBUSH, REAR AXLE CARRIER, RH
main48725-02200i201210-201505
48725GBUSH, REAR AXLE CARRIER, LH
main48725-02200i201210-201505
48755SUPPORT, REAR SUSPENSION
main48755-02080i201210-201505
NO.1
main48755-02090i201210-201505
NO.2
90119W0209
90119W0212
9017314004
90178W0018
9413061200

21 parts on this diagram · 1 diagram in section

REAR SPRING & SHOCK ABSORBER — Toyota Parts Diagram with OEM Numbers & Prices | EPC Data