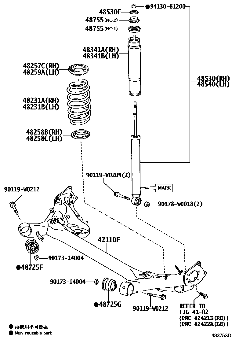
REAR SPRING & SHOCK ABSORBER

4102
42110FBEAM ASSY, REAR AXLE
48257CINSULATOR, REAR COIL SPRING, UPPER RH
48258BINSULATOR, REAR COIL SPRING, LOWER RH
48258CINSULATOR, REAR COIL SPRING, LOWER LH
48259AINSULATOR, REAR COIL SPRING, UPPER LH
48341ABUMPER, REAR SPRING, NO.1 RH
48341BBUMPER, REAR SPRING, NO.1 LH
48530ABSORBER ASSY, SHOCK, REAR RH
MARK 48530-02A10
MARK 48530-02A11
MARK 48530-02E50
48530FRETAINER, SHOCK ABSORBER CUSHION(FOR REAR)
48540ABSORBER ASSY, SHOCK, REAR LH
MARK 48530-02A10
MARK 48530-02A11
MARK 48530-02E50
48725FBUSH, REAR AXLE CARRIER, RH
48725GBUSH, REAR AXLE CARRIER, LH
48755SUPPORT, REAR SUSPENSION
NO.1
NO.2
90119W0209
main90119-W0209
90119W0212
main90119-W0212
9017314004
main90173-14004
90178W0018
main90178-W0018
9413061200
main94130-61200
21 parts on this diagram · 1 diagram in section