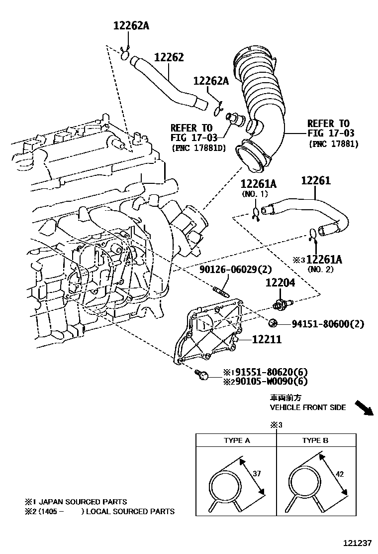
VENTILATION HOSE

12204VALVE SUB-ASSY, VENTILATION
12211CASE, VENTILATION, NO.1
(L)
(J)
12261HOSE, VENTILATION
12261ACLIP OR CLAMP(FOR VENTILATION HOSE)
NO.2,TYPE B:REF ILL.
NO.1
NO.2,TYPE A:REF ILL.
12262HOSE, VENTILATION, NO.2
12262ACLIP(FOR VENTILATION HOSE NO.2)
1703
90105W0090
main90105-W0090
9012606029
main90126-06029
9155180620
main91551-80620
9415180600
main94151-80600
11 parts on this diagram · 1 diagram in section