E
EPC Data

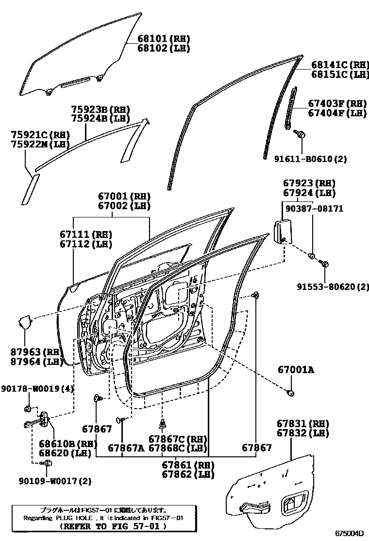
FRONT DOOR PANEL & GLASS

Parts diagram
5701
67001PANEL SUB-ASSY, FRONT DOOR, RH
main67001-02260i200706-201210
67001ACUSHION, FRONT DOOR PANEL
main90541-09124i200706-201001
67002PANEL SUB-ASSY, FRONT DOOR, LH
main67002-02260i200706-201210
67111PANEL, FRONT DOOR, OUTER RH
main67111-02130i200706-201001
67112PANEL, FRONT DOOR, OUTER LH
main67112-02130i200706-201001
67403FFRAME SUB-ASSY, FRONT DOOR, REAR LOWER RH
main67403-02050i200706-201001
67404FFRAME SUB-ASSY, FRONT DOOR, REAR LOWER LH
main67404-02050i200706-201001
67831COVER, FRONT DOOR SERVICE HOLE, RH
main67831-02160i200706-201001
67832COVER, FRONT DOOR SERVICE HOLE, LH
main67832-02160i200706-201001
67861WEATHERSTRIP, FRONT DOOR, RH
main67861-02170i200706-201001
67862WEATHERSTRIP, FRONT DOOR, LH
main67862-02170i200706-201001
67867CLIP, DOOR WEATHERSTRIP
main90467-04034i200706-201001
67867ACLIP, DOOR WEATHERSTRIP(FOR FRONT DOOR)
main67869-20030i200706-201001
67867CRETAINER, FRONT DOOR WEATHERSTRIP, RH
main67867-12150i200706-201001
67868CRETAINER, FRONT DOOR WEATHERSTRIP, LH
main67867-12150i200706-201001
67923CUSHION, FRONT DOOR STIFFENER, NO.1
main67923-02030i200706-201001
67924CUSHION, FRONT DOOR STIFFENER, NO.2
main67924-02040i200706-201001
68101GLASS SUB-ASSY, FRONT DOOR, RH
main68101-02230i200706-201206
*HSEA,T=3.5,GREEN
main68101-02231i201207
*HSEA,T=3.5,GREEN
68102GLASS SUB-ASSY, FRONT DOOR, LH
main68102-02230i200706-201206
*HSEA,T=3.5,GREEN
main68102-02231i201207
*HSEA,T=3.5,GREEN
68141CRUN, FRONT DOOR GLASS, RH
main68141-02110i200706-201001
68151CRUN, FRONT DOOR GLASS, LH
main68151-02100i200706-201001
68610BCHECK ASSY, FRONT DOOR, RH
main68610-02120i200706-200809
main68610-02121i200810-201001
68620CHECK ASSY, FRONT DOOR, LH
main68610-02120i200706-200809
main68610-02121i200810-201001
75921CTAPE, BLACK OUT, NO.1 RH
main75921-02080i200706-201001
75922MTAPE, BLACK OUT, NO.1 LH
main75922-02080i200706-201001
75923BTAPE, BLACK OUT, NO.2 RH
main75923-02090i200706-201001
75924BTAPE, BLACK OUT, NO.2 LH
main75924-02090i200706-201001
87963COVER, OUTER MIRROR INSTALL HOLE, RH
main87963-12010i200706-201001
87964COVER, OUTER MIRROR INSTALL HOLE, LH
main87964-12010i200706-201001
90109W0017
90178W0019
9038708171
9155380620
91611B0610

35 parts on this diagram · 2 diagrams in section

FRONT DOOR PANEL & GLASS — Toyota Parts Diagram with OEM Numbers & Prices | EPC Data