E
EPC Data

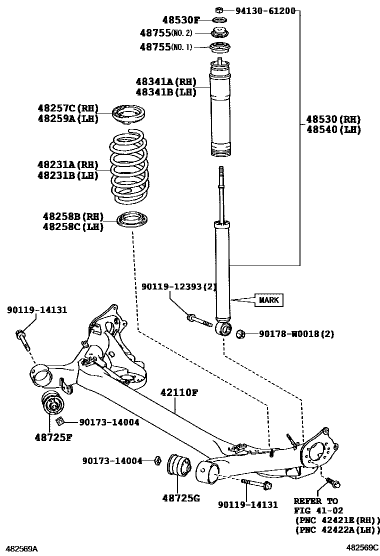
REAR SPRING & SHOCK ABSORBER

Parts diagram
4102
42110FBEAM ASSY, REAR AXLE
main42101-02260i200706-201001
*153
main42101-02270i200706-201001
*154
48231ASPRING, COIL, REAR RH
main48231-02550i200706-201001
48231BSPRING, COIL, REAR LH
main48231-02550i200706-201001
48257CINSULATOR, REAR COIL SPRING, UPPER RH
main48257-0D010i200706-201001
48258BINSULATOR, REAR COIL SPRING, LOWER RH
main48258-0D050i200706-201001
48258CINSULATOR, REAR COIL SPRING, LOWER LH
main48258-0D050i200706-201001
48259AINSULATOR, REAR COIL SPRING, UPPER LH
main48257-0D010i200706-201001
48341ABUMPER, REAR SPRING, NO.1 RH
main48341-02080i200706-201001
48341BBUMPER, REAR SPRING, NO.1 LH
main48341-02080i200706-201001
48530ABSORBER ASSY, SHOCK, REAR RH
main48530-09N70i200706-200803
MARK 48530-02490
main48530-09R00i200803-201201
MARK 48530-02491
main48530-09R01i201201
MARK 48530-02492
main48530-09T50i200912-201201
MARK 48530-02A00
main48530-09T51i201201
MARK 48530-02A01
48530FRETAINER, SHOCK ABSORBER CUSHION(FOR REAR)
main90948-02159i200706-201001
48540ABSORBER ASSY, SHOCK, REAR LH
main48530-09N70i200706-200803
MARK 48530-02490
main48530-09R00i200803-201201
MARK 48530-02491
main48530-09R01i201201
MARK 48530-02492
main48530-09T50i200912-201201
MARK 48530-02A00
main48530-09T51i201201
MARK 48530-02A01
48725FBUSH, REAR AXLE CARRIER, RH
main48725-02200i200706-201001
48725GBUSH, REAR AXLE CARRIER, LH
main48725-02200i200706-201001
48755SUPPORT, REAR SUSPENSION
main48755-02080i200706-201001
NO.1
main48755-02090i200706-201001
NO.2
9011912393
9011914131
9017314004
90178W0018
9413061200

21 parts on this diagram · 1 diagram in section

REAR SPRING & SHOCK ABSORBER — Toyota Parts Diagram with OEM Numbers & Prices | EPC Data