E
EPC Data

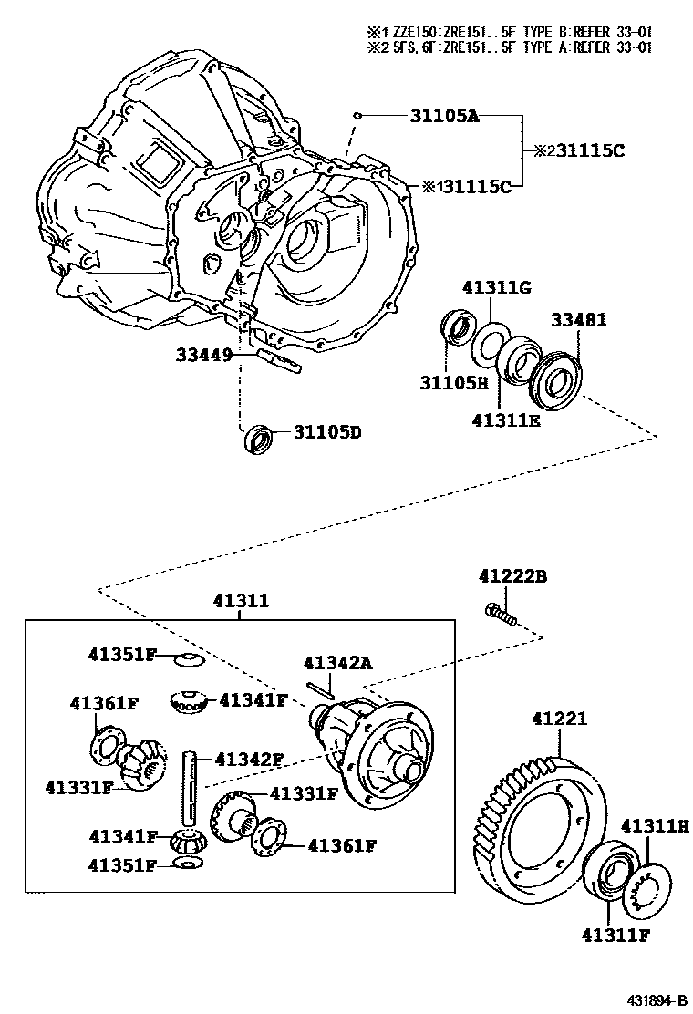
FRONT AXLE HOUSING & DIFFERENTIAL

Parts diagram
31105APLUG, TIGHT(FOR FRONT TRANSAXLE CASE)
main90331-08002i200706-200902
main90331-25005i200902-201001
31105DSEAL, OIL, NO.1(FOR FRONT TRANSAXLE CASE)
main90311-25028i200706-200902
main90311-25030i200811-201210
*201,*202,*206
main90311-25030i200902-201001
main90311-30017i200706-201210
31105HSEAL, OIL, NO.2(FOR TRANSAXLE CASE)
main90311-34033i200706-200902
main90311-34033i200712-200902
TYPE A:REFER 33-01
main90311-34037i200811-201011
*201,*202,*206
main90311-34041i201011-201210
*201,*202,*206
main90311-35057i200706-200902
main90311-35062i200902-201011
*201,*202,*206
main90311-35065i201011-201210
*201,*202,*206
main90311-40030i200706-201102
RH
main90311-40036i201102-201210
RH
main90311-50032i200706-201101
LH
main90311-50046i201101-201210
LH
main90311-W0003i200706-200811
main90311-W0003i200706-200902
TYPE B:REFER 33-01
31115CCASE, FRONT TRANSAXLE(MTM)
main31105-12220i200706-200902
main31105-12220i200712-200902
TYPE A:REFER 33-01
main31115-02020i200706-200902
TYPE B:REFER 33-01
main31115-02030i200706-200811
main31115-05030i200902-201210
*202
main31115-0D110i200811-201210
*202
main31115-12160i200811-201210
*206
main31115-12180i200902-201003
*206
main31115-12200i201003-201210
*206
main31115-20080i200706-201112
main31115-20081i201112-201210
main31115-20110i200902-201210
*201
main31115-52090i200811-201210
*201
33449MAGNET, TRANSMISSION
main33449-12020i200706-200902
main33449-60010i200706-201211
33481GEAR, SPEEDOMETER DRIVE (MTM)
main33481-12040i200706-200902
N=35,MARK 35X29-31
main33481-20160i200706-200902
N=35
41221GEAR, FRONT DIFFERENTIAL RING
main41221-02080i200706-200811
main41221-02080i200706-200902
TYPE B:REFER 33-01
main41221-12420i200706-200902
main41221-12420i200712-200902
TYPE A:REFER 33-01
main41221-12490i200706-200902
main41221-20410i200706-201210
41222BBOLT (FOR FRONT DIFFERENTIAL RING GEAR SET)
main90105-11040i200706-200902
main90105-12319i200706-201210
41311CASE, FRONT DIFFERENTIAL
main41301-05010i200706-200811
TYPE B:REFER 33-01
main41301-12041i200811-200902
TYPE B:REFER 33-01
main41301-12041i200706-200902
main41301-12041i200712-200902
TYPE A:REFER 33-01
main41301-32061i200706-200902
41311EBEARING, TAPERED ROLLER (FOR FRONT DIFFERENTIAL CASE FRONT)
main90080-36143i200811-201210
*202
main90080-36163i200706-200811
main90080-36163i200706-200902
TYPE B:REFER 33-01
main90366-38004i200706-200902
main90366-38004i200712-200902
TYPE A:REFER 33-01
main90366-40097i200706-200902
main90366-40129i200811-201210
*201,*206
main90366-40129i200902-201001
main90366-50100i200706-201210
41311FBEARING, TAPERED ROLLER (FOR FRONT DIFFERENTIAL CASE REAR)
main90080-36166i200706-200902
TYPE B:REFER 33-01
main90080-36166i200706-200811
main90366-40094i200706-200902
main90366-42009i200811-201210
*201,*206
main90366-42009i200902-201001
main90366-50103i200706-201210
main90366-W0013i200811-201210
*202
main90368-38010i200712-200902
TYPE A:REFER 33-01
main90368-38010i200706-200902
41311GWASHER, PLATE (FOR FRONT DIFFERENTIAL CASE FRONT)
main90560-41003i200706-200912
T=2.1
main90560-41003i200811-201210
T=2.1,*201,*202,*206
41311HWASHER, PLATE (FOR FRONT DIFFERENTIAL CASE REAR)
main90564-41014i200712-200902
T=2.10,MARK AA,TYPE A:REFER 33-01
main90564-41014i200706-200902
T=2.10,MARK AA
main90564-41015i200712-200902
T=2.15,MARK BB,TYPE A:REFER 33-01
main90564-41015i200706-200902
T=2.15,MARK BB
main90564-41016i200712-200902
T=2.20,MARK CC,TYPE A:REFER 33-01
main90564-41016i200706-200902
T=2.20,MARK CC
main90564-41017i200706-200902
T=2.25,MARK DD
main90564-41017i200712-200902
T=2.25,MARK DD,TYPE A:REFER 33-01
main90564-41018i200706-200902
T=2.30,MARK EE
main90564-41018i200712-200902
T=2.30,MARK EE,TYPE A:REFER 33-01
main90564-41019i200706-200902
T=2.35,MARK FF
main90564-41019i200712-200902
T=2.35,MARK FF,TYPE A:REFER 33-01
main90564-41020i200706-200902
T=2.40,MARK GG
main90564-41020i200712-200902
T=2.40,MARK GG,TYPE A:REFER 33-01
main90564-41021i200712-200902
T=2.45,MARK HH,TYPE A:REFER 33-01
main90564-41021i200706-200902
T=2.45,MARK HH
main90564-41022i200712-200902
T=2.50,MARK JJ,TYPE A:REFER 33-01
main90564-41022i200706-200902
T=2.50,MARK JJ
main90564-41023i200712-200902
T=2.55,MARK KK,TYPE A:REFER 33-01
main90564-41023i200706-200902
T=2.55,MARK KK
main90564-41024i200712-200902
T=2.60,MARK LL,TYPE A:REFER 33-01
main90564-41024i200706-200902
T=2.60,MARK LL
main90564-41025i200706-200902
T=2.65,MARK MM
main90564-41025i200712-200902
T=2.65,MARK MM,TYPE A:REFER 33-01
main90564-41026i200706-200902
T=2.70,MARK NN
main90564-41026i200712-200902
T=2.70,MARK NN,TYPE A:REFER 33-01
main90564-41027i200712-200902
T=2.75,MARK PP,TYPE A:REFER 33-01
main90564-41027i200706-200902
T=2.75,MARK PP
main90564-41028i200712-200902
T=2.80,MARK QQ,TYPE A:REFER 33-01
main90564-41028i200706-200902
T=2.80,MARK QQ
main90564-41029i200712-200902
T=2.85,MARK RR,TYPE A:REFER 33-01
main90564-41029i200706-200902
T=2.85,MARK RR
main90564-41030i200712-200902
T=2.90,MARK SS,TYPE A:REFER 33-01
main90564-41030i200706-200902
T=2.90,MARK SS
main90564-41031i200706-200902
T=2.95,MARK TT
main90564-41031i200712-200902
T=2.95,MARK TT,TYPE A:REFER 33-01
main90564-41032i200706-200902
T=3.00,MARK UU
main90564-41032i200712-200902
T=3.00,MARK UU,TYPE A:REFER 33-01
main90564-41065i200706-200902
T=1.10,MARK 01,TYPE B:REFER 33-01
main90564-41065i200706-200811
T=1.10,MARK 01
main90564-41066i200706-200902
T=1.15,MARK 02,TYPE B:REFER 33-01
main90564-41066i200706-200811
T=1.15,MARK 02
main90564-41067i200706-200902
T=1.20,MARK 03,TYPE B:REFER 33-01
main90564-41067i200706-200811
T=1.20,MARK 03
main90564-41068i200706-200811
T=1.25,MARK 04
main90564-41068i200706-200902
T=1.25,MARK 04,TYPE B:REFER 33-01
main90564-41069i200706-200902
T=1.30,MARK 05,TYPE B:REFER 33-01
main90564-41069i200706-200811
T=1.30,MARK 05
main90564-41070i200706-200902
T=1.35,MARK 06,TYPE B:REFER 33-01
main90564-41070i200706-200811
T=1.35,MARK 06
main90564-41071i200706-200902
T=1.40,MARK 07,TYPE B:REFER 33-01
main90564-41071i200706-200811
T=1.40,MARK 07
main90564-41072i200706-200811
T=1.45,MARK 08
main90564-41072i200706-200902
T=1.45,MARK 08,TYPE B:REFER 33-01
main90564-41073i200706-200902
T=1.50,MARK 09,TYPE B:REFER 33-01
main90564-41073i200706-200811
T=1.50,MARK 09
main90564-41074i200706-200902
T=1.55,MARK 10,TYPE B:REFER 33-01
main90564-41074i200706-200811
T=1.55,MARK 10
main90564-41075i200706-200811
T=1.60,MARK 11
main90564-41075i200706-200902
T=1.60,MARK 11,TYPE B:REFER 33-01
main90564-41076i200706-200811
T=1.65,MARK 12
main90564-41076i200706-200902
T=1.65,MARK 12,TYPE B:REFER 33-01
main90564-41077i200706-200811
T=1.70,MARK 13
main90564-41077i200706-200902
T=1.70,MARK 13,TYPE B:REFER 33-01
main90564-41078i200706-200811
T=1.75,MARK 14
main90564-41078i200706-200902
T=1.75,MARK 14,TYPE B:REFER 33-01
main90564-41079i200706-200902
T=1.80,MARK 15,TYPE B:REFER 33-01
main90564-41079i200706-200811
T=1.80,MARK 15
main90564-41080i200706-200811
T=1.85,MARK 16
main90564-41080i200706-200902
T=1.85,MARK 16,TYPE B:REFER 33-01
main90564-41081i200706-200811
T=1.90,MARK 17
main90564-41081i200706-200902
T=1.90,MARK 17,TYPE B:REFER 33-01
main90564-41082i200706-200902
T=1.95,MARK 18,TYPE B:REFER 33-01
main90564-41082i200706-200811
T=1.95,MARK 18
main90564-41083i200706-200811
T=2.00,MARK 19
main90564-41083i200706-200902
T=2.00,MARK 19,TYPE B:REFER 33-01
main90564-44008i200902-200912
T=2.100, MARK 0
main90564-44008i200912-201004
T=2.100, MARK 0,*206
main90564-44008i200912-201003
T=2.100, MARK 0,*201,*202
main90564-44008i200811-201001
T=2.100, MARK 0,*201,*202,*206
main90564-44009i200811-201001
T=2.125, MARK 1,*201,*202,*206
main90564-44009i200912-201004
T=2.125, MARK 1,*206
main90564-44009i200912-201003
T=2.125, MARK 1,*201,*202
main90564-44009i200902-200912
T=2.125, MARK 1
main90564-44010i200902-200912
T=2.150, MARK 2
main90564-44010i200912-201004
T=2.150, MARK 2,*206
main90564-44010i200811-201001
T=2.150, MARK 2,*201,*202,*206
main90564-44010i200912-201003
T=2.150, MARK 2,*201,*202
main90564-44011i200811-201001
T=2.175, MARK 3,*201,*202,*206
main90564-44011i200902-200912
T=2.175, MARK 3
main90564-44011i200912-201003
T=2.175, MARK 3,*201,*202
main90564-44011i200912-201004
T=2.175, MARK 3,*206
main90564-44012i200811-201001
T=2.200, MARK 4,*201,*202,*206
main90564-44012i200912-201003
T=2.200, MARK 4,*201,*202
main90564-44012i200902-200912
T=2.200, MARK 4
main90564-44012i200912-201004
T=2.200, MARK 4,*206
main90564-44013i200912-201003
T=2.225, MARK 5,*201,*202
main90564-44013i200902-200912
T=2.225, MARK 5
main90564-44013i200912-201004
T=2.225, MARK 5,*206
main90564-44013i200811-201001
T=2.225, MARK 5,*201,*202,*206
main90564-44014i200912-201003
T=2.250, MARK 6,*201,*202
main90564-44014i200902-200912
T=2.250, MARK 6
main90564-44014i200912-201004
T=2.250, MARK 6,*206
main90564-44014i200811-201001
T=2.250, MARK 6,*201,*202,*206
main90564-44015i200902-200912
T=2.275, MARK 7
main90564-44015i200912-201003
T=2.275, MARK 7,*201,*202
main90564-44015i200811-201001
T=2.275, MARK 7,*201,*202,*206
main90564-44015i200912-201004
T=2.275, MARK 7,*206
main90564-44016i200912-201003
T=2.300, MARK 8,*201,*202
main90564-44016i200902-200912
T=2.300, MARK 8
main90564-44016i200811-201001
T=2.300, MARK 8,*201,*202,*206
main90564-44016i200912-201004
T=2.300, MARK 8,*206
main90564-44017i200912-201003
T=2.325, MARK 9,*201,*202
main90564-44017i200912-201004
T=2.325, MARK 9,*206
main90564-44017i200811-201001
T=2.325, MARK 9,*201,*202,*206
main90564-44017i200902-200912
T=2.325, MARK 9
main90564-44018i200912-201003
T=2.350, MARK A,*201,*202
main90564-44018i200912-201004
T=2.350, MARK A,*206
main90564-44018i200811-201001
T=2.350, MARK A,*201,*202,*206
main90564-44018i200902-200912
T=2.350, MARK A
main90564-44019i200912-201003
T=2.375, MARK B,*201,*202
main90564-44019i200811-201001
T=2.375, MARK B,*201,*202,*206
main90564-44019i200912-201004
T=2.375, MARK B,*206
main90564-44019i200902-200912
T=2.375, MARK B
main90564-44020i200902-200912
T=2.400, MARK C
main90564-44020i200912-201003
T=2.400, MARK C,*201,*202
main90564-44020i200811-201001
T=2.400, MARK C,*201,*202,*206
main90564-44020i200912-201004
T=2.400, MARK C,*206
main90564-44021i200912-201004
T=2.425, MARK D,*206
main90564-44021i200902-200912
T=2.425, MARK D
main90564-44021i200912-201003
T=2.425, MARK D,*201,*202
main90564-44021i200811-201001
T=2.425, MARK D,*201,*202,*206
main90564-44022i200912-201004
T=2.450, MARK E,*206
main90564-44022i200902-200912
T=2.450, MARK E
main90564-44022i200811-201001
T=2.450, MARK E,*201,*202,*206
main90564-44022i200912-201003
T=2.450, MARK E,*201,*202
main90564-44023i200902-200912
T=2.475, MARK F
main90564-44023i200811-201001
T=2.475, MARK F,*201,*202,*206
main90564-44023i200912-201004
T=2.475, MARK F,*206
main90564-44023i200912-201003
T=2.475, MARK F,*201,*202
main90564-44024i200811-201001
T=2.500, MARK G,*201,*202,*206
main90564-44024i200902-200912
T=2.500, MARK G
main90564-44024i200912-201003
T=2.500, MARK G,*201,*202
main90564-44024i200912-201004
T=2.500, MARK G,*206
main90564-44025i200912-201004
T=2.525, MARK H,*206
main90564-44025i200912-201003
T=2.525, MARK H,*201,*202
main90564-44025i200902-200912
T=2.525, MARK H
main90564-44025i200811-201001
T=2.525, MARK H,*201,*202,*206
main90564-44026i200912-201003
T=2.550, MARK J,*201,*202
main90564-44026i200902-200912
T=2.550, MARK J
main90564-44026i200811-201001
T=2.550, MARK J,*201,*202,*206
main90564-44026i200912-201004
T=2.550, MARK J,*206
main90564-44027i200912-201004
T=2.575, MARK K,*206
main90564-44027i200912-201003
T=2.575, MARK K,*201,*202
main90564-44027i200902-200912
T=2.575, MARK K
main90564-44027i200811-201001
T=2.575, MARK K,*201,*202,*206
main90564-44028i200912-201004
T=2.600, MARK L,*206
main90564-44028i200811-201001
T=2.600, MARK L,*201,*202,*206
main90564-44028i200902-200912
T=2.600, MARK L
main90564-44028i200912-201003
T=2.600, MARK L,*201,*202
main90564-44029i200912-201004
T=2.625, MARK M,*206
main90564-44029i200912-201003
T=2.625, MARK M,*201,*202
main90564-44029i200811-201001
T=2.625, MARK M,*201,*202,*206
main90564-44029i200902-200912
T=2.625, MARK M
main90564-44030i200811-201001
T=2.650, MARK N,*201,*202,*206
main90564-44030i200912-201004
T=2.650, MARK N,*206
main90564-44030i200902-200912
T=2.650, MARK N
main90564-44030i200912-201003
T=2.650, MARK N,*201,*202
main90564-44031i200912-201004
T=2.675, MARK P,*206
main90564-44031i200811-201001
T=2.675, MARK P,*201,*202,*206
main90564-44031i200902-200912
T=2.675, MARK P
main90564-44031i200912-201003
T=2.675, MARK P,*201,*202
main90564-44032i200912-201003
T=2.700, MARK Q,*201,*202
main90564-44032i200811-201001
T=2.700, MARK Q,*201,*202,*206
main90564-44032i200902-200912
T=2.700, MARK Q
main90564-44032i200912-201004
T=2.700, MARK Q,*206
main90564-44033i200912-201003
T=2.725, MARK R,*201,*202
main90564-44033i200912-201004
T=2.725, MARK R,*206
main90564-44033i200902-200912
T=2.725, MARK R
main90564-44033i200811-201001
T=2.725, MARK R,*201,*202,*206
main90564-44034i200811-201001
T=2.750, MARK S,*201,*202,*206
main90564-44034i200912-201003
T=2.750, MARK S,*201,*202
main90564-44034i200912-201004
T=2.750, MARK S,*206
main90564-44034i200902-200912
T=2.750, MARK S
main90564-44035i200811-201001
T=2.775, MARK T,*201,*202,*206
main90564-44035i200912-201004
T=2.775, MARK T,*206
main90564-44035i200912-201003
T=2.775, MARK T,*201,*202
main90564-44035i200902-200912
T=2.775, MARK T
main90564-44036i200912-201003
T=2.800, MARK U,*201,*202
main90564-44036i200902-200912
T=2.800, MARK U
main90564-44036i200912-201004
T=2.800, MARK U,*206
main90564-44036i200811-201001
T=2.800, MARK U,*201,*202,*206
main90564-44037i200811-201001
T=2.825, MARK V,*201,*202,*206
main90564-44037i200912-201004
T=2.825, MARK V,*206
main90564-44037i200912-201003
T=2.825, MARK V,*201,*202
main90564-44037i200902-200912
T=2.825, MARK V
main90564-44038i200902-200912
T=2.850, MARK W
main90564-44038i200912-201003
T=2.850, MARK W,*201,*202
main90564-44038i200912-201004
T=2.850, MARK W,*206
main90564-44038i200811-201001
T=2.850, MARK W,*201,*202,*206
main90564-44039i201003-201210
T=2.100, MARK 10,*201,*202
main90564-44039i201004-201210
T=2.100, MARK 10,*206
main90564-44040i201004-201210
T=2.125, MARK 11,*206
main90564-44040i201003-201210
T=2.125, MARK 11,*201,*202
main90564-44041i201004-201210
T=2.150, MARK 12,*206
main90564-44041i201003-201210
T=2.150, MARK 12,*201,*202
main90564-44042i201003-201210
T=2.175, MARK 13,*201,*202
main90564-44042i201004-201210
T=2.175, MARK 13,*206
main90564-44043i201004-201210
T=2.200, MARK 14,*206
main90564-44043i201003-201210
T=2.200, MARK 14,*201,*202
main90564-44044i201003-201210
T=2.225, MARK 15,*201,*202
main90564-44044i201004-201210
T=2.225, MARK 15,*206
main90564-44045i201004-201210
T=2.250, MARK 16,*206
main90564-44045i201003-201210
T=2.250, MARK 16,*201,*202
main90564-44046i201004-201210
T=2.275, MARK 17,*206
main90564-44046i201003-201210
T=2.275, MARK 17,*201,*202
main90564-44047i201003-201210
T=2.300, MARK 18,*201,*202
main90564-44047i201004-201210
T=2.300, MARK 18,*206
main90564-44048i201003-201210
T=2.325, MARK 19,*201,*202
main90564-44048i201004-201210
T=2.325, MARK 19,*206
main90564-44049i201003-201210
T=2.350, MARK 20,*201,*202
main90564-44049i201004-201210
T=2.350, MARK 20,*206
main90564-44050i201004-201210
T=2.375, MARK 21,*206
main90564-44050i201003-201210
T=2.375, MARK 21,*201,*202
main90564-44051i201004-201210
T=2.400, MARK 22,*206
main90564-44051i201003-201210
T=2.400, MARK 22,*201,*202
main90564-44052i201003-201210
T=2.425, MARK 23,*201,*202
main90564-44052i201004-201210
T=2.425, MARK 23,*206
main90564-44053i201004-201210
T=2.450, MARK 24,*206
main90564-44053i201003-201210
T=2.450, MARK 24,*201,*202
main90564-44054i201003-201210
T=2.475, MARK 25,*201,*202
main90564-44054i201004-201210
T=2.475, MARK 25,*206
main90564-44055i201003-201210
T=2.500, MARK 26,*201,*202
main90564-44055i201004-201210
T=2.500, MARK 26,*206
main90564-44056i201004-201210
T=2.525, MARK 27,*206
main90564-44056i201003-201210
T=2.525, MARK 27,*201,*202
main90564-44057i201004-201210
T=2.550, MARK 28,*206
main90564-44057i201003-201210
T=2.550, MARK 28,*201,*202
main90564-44058i201003-201210
T=2.575, MARK 29,*201,*202
main90564-44058i201004-201210
T=2.575, MARK 29,*206
main90564-44059i201004-201210
T=2.600, MARK 30,*206
main90564-44059i201003-201210
T=2.600, MARK 30,*201,*202
main90564-44060i201003-201210
T=2.625, MARK 31,*201,*202
main90564-44060i201004-201210
T=2.625, MARK 31,*206
main90564-44061i201003-201210
T=2.650, MARK 32,*201,*202
main90564-44061i201004-201210
T=2.650, MARK 32,*206
main90564-44062i201004-201210
T=2.675, MARK 33,*206
main90564-44062i201003-201210
T=2.675, MARK 33,*201,*202
main90564-44063i201004-201210
T=2.700, MARK 34,*206
main90564-44063i201003-201210
T=2.700, MARK 34,*201,*202
main90564-44064i201003-201210
T=2.725, MARK 35,*201,*202
main90564-44064i201004-201210
T=2.725, MARK 35,*206
main90564-44065i201004-201210
T=2.750, MARK 36,*206
main90564-44065i201003-201210
T=2.750, MARK 36,*201,*202
main90564-44066i201003-201210
T=2.775, MARK 37,*201,*202
main90564-44066i201004-201210
T=2.775, MARK 37,*206
main90564-44067i201004-201210
T=2.800, MARK 38,*206
main90564-44067i201003-201210
T=2.800, MARK 38,*201,*202
main90564-44068i201003-201210
T=2.825, MARK 39,*201,*202
main90564-44068i201004-201210
T=2.825, MARK 39,*206
main90564-44069i201003-201210
T=2.850, MARK 40,*201,*202
main90564-44069i201004-201210
T=2.850, MARK 40,*206
41331FGEAR, FRONT DIFFERENTIAL SIDE
main41331-05020i200706-200902
(L)
main41331-05030i200902-201210
*202
main41331-0D050i200811-201210
*202
main41331-12011i200706-200902
(J)
main41331-12011i200811-201210
*201,*206
main41331-12150i200902-201210
*206
main41331-20130i200902-201210
*201
main41331-32010i200706-200902
main41331-42040i200706-201210
41341FPINION, FRONT DIFFERENTIAL
main41341-05020i200706-200902
(L)
main41341-05030i200902-201210
*202
main41341-0D050i200811-201210
*202
main41341-12030i200811-201210
*201,*206
main41341-12030i200706-200902
(J)
main41341-12100i200902-201210
*206
main41341-20050i200902-201210
*201
main41341-30011i200706-200902
main41341-35050i200706-201210
41342APIN, STRAIGHT (FOR FRONT DIFFERENTIAL PINION SHAFT)
main90250-06058i200706-201001
main90250-06058i200811-201210
*201,*202,*206
41342FSHAFT, FRONT DIFFERENTIAL PINION, NO.1
main41342-12140i200706-200902
main41342-20070i200706-201210
main41342-32020i200811-201210
*201,*202,*206
main41342-32020i200706-201001
41351FWASHER, FRONT DIFFERENTIAL PINION THRUST
main41351-12020i200706-200902
main41351-12020i200811-201210
*201,*202,*206
main41351-20050i200706-201210
main41351-32010i200902-201210
*201,*202,*206
main41351-32010i200706-200902
41361FWASHER, FRONT DIFFERENTIAL SIDE GEAR THRUST, NO.1
main41361-20240i200706-201210
T=1.25
main41361-20310i200706-201210
T=1.30
main41361-20320i200706-201210
T=1.35
main41361-20330i200706-201210
T=1.40
main41361-20340i200706-201210
T=1.45
main41361-20350i200706-201210
T=1.50
main41361-20360i200706-201210
T=1.55
main41361-20370i200706-201210
T=1.60
main41361-20380i200706-201210
T=1.65
main41361-20390i200706-201210
T=1.70
main41361-20400i200706-201210
T=1.75
main41361-20410i200706-201210
T=1.80
main41361-20420i200706-201210
T=1.85
main41361-20430i200706-201210
T=1.90
main41361-20440i200706-201210
T=1.95
main41361-22020i200706-201001
T=1.00,MARK 02
main41361-22020i200811-201210
T=1.00,MARK 02,*201,*202,*206
main41361-22030i200811-201210
T=1.10,MARK 03,*201,*202,*206
main41361-22030i200706-201001
T=1.10,MARK 03
main41361-22040i200706-201001
T=1.20,MARK 04
main41361-22040i200811-201210
T=1.20,MARK 04,*201,*202,*206
main41361-22120i200811-201210
T=1.30,MARK 12,*201,*206
main41361-22130i200811-201210
T=1.40,MARK 13,*201,*206
main41361-22140i200706-201001
T=0.95,MARK 14
main41361-22140i200811-201210
T=0.95,MARK 14,*201,*202,*206
main41361-22150i200706-201001
T=1.05,MARK 15
main41361-22150i200811-201210
T=1.05,MARK 15,*201,*202,*206
main41361-22160i200811-201210
T=1.15,MARK 16,*201,*202,*206
main41361-22160i200706-201001
T=1.15,MARK 16
main41361-22170i200811-201210
T=1.25,MARK 17,*201,*206
main41361-22180i200811-201210
T=1.35,MARK 18,*201,*206

19 parts on this diagram · 4 diagrams in section

FRONT AXLE HOUSING & DIFFERENTIAL — Toyota Parts Diagram with OEM Numbers & Prices | EPC Data