E
EPC Data

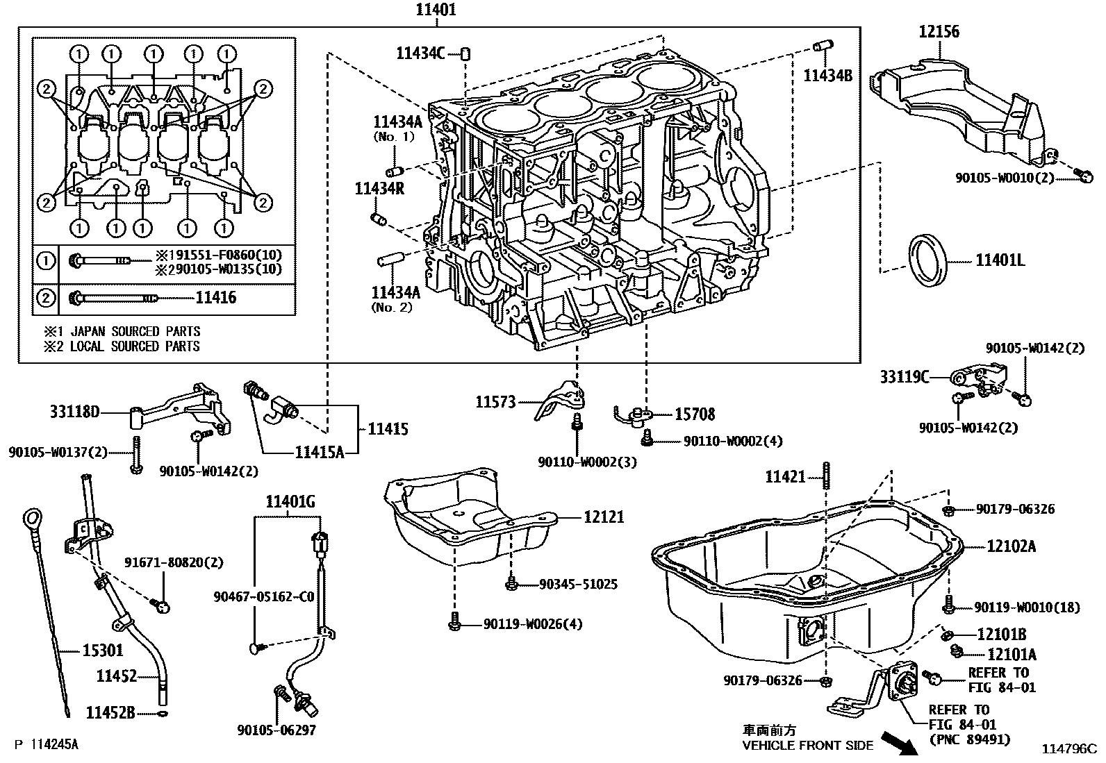
CYLINDER BLOCK

Parts diagram
11401BLOCK SUB-ASSY, CYLINDER
main11410-09020i200706-200811
(L)
main11410-09250i200706-200805
(L)
main11410-09300i200810-200906
(L)
main11410-09301i200906-201001
(L)
main11410-09310i200810-200906
(L)
main11410-09311i200906-201001
(L)
main11410-09380i200806-200808
(L)
main11410-09405i200808-201103
(L)
main11410-09406i201103
(L)
main11410-09445i200912
(L)
main11410-29145i200706-200811
(J)
main11410-29355i200706-200805
(J)
main11410-29395i200806-200808
(J)
main11410-29405i200808-201103
(J)
main11410-29406i201103
(J)
main11410-39015i200706-200801
(J)
main11410-39025i200706-200801
(J)
main11410-39045i200801-200904
(J)
main11410-39047i200904-201001
(J)
main11410-39048i200912-201008
(J)
main11410-39055i200801-200904
(J)
main11410-39057i200904-201001
(J)
main11410-49015i200811-200909
main11410-49016i200909-201006
main11410-49017i201006-201210
11401GSENSOR, CRANK POSITION
main90919-05069i200706-201001
main90919-05070i200706-201001
11401LSEAL, ENGINE REAR OIL
main90080-31059i200706-200811
(L)
main90311-76001i200706-200811
(J)
main90311-76002i200706-201210
(J)
main90311-78003i200811-201210
main90311-W0006i200706-200807
main90311-W0010i200807-201001
main90311-W0011i200810-201210
(L)
11415COCK SUB-ASSY, WATER DRAIN(FOR CYLINDER BLOCK)
main90910-09107i200706-200811
main90910-09129i200706-201009
11415APLUG, WATER DRAIN COCK(FOR CYLINDER BLOCK)
main90910-09087i200706-201009
11416BOLT(FOR CRANKSHAFT BEARING CAP SET)
main90910-02157i200706-201001
main90910-02163i200706-201001
main90910-02175i200811-201210
main91511-K0840i200706-200811
11421BOLT, STUD(FOR OIL PAN)
main90116-06134i200706-201001
main90126-06010i200706-200811
main90126-06015i200706-201006
main90126-06028i201006
11434APIN, STRAIGHT(FOR TIMING GEAR COVER SET)
main90250-04097i200706-201210
L=12,OD=4.0
main90250-08120i200706-201001
L=18,OD=8,NO.1
main90250-10030i200706-201001
L=36,OD=10,NO.2
11434BPIN, STRAIGHT(FOR CLUTCH HOUSING SET)
main90250-10113i200706-201210
L=22,OD=10
11434CPIN, STRAIGHT (FOR CYLINDER HEAD SET)
main90250-04097i200706-201001
L=12,OD=4.0
main90250-08074i200706-201001
L=15,OD=8
11434RPIN, STRAIGHT(FOR DRIVE SHAFT BEARING BRACKET)
main90250-08120i200706-201001
11452GUIDE, OIL LEVEL GAGE
main11409-47010i200811-201005
main11409-47011i201005-201207
main11409-47012i201207-201210
main11452-22030i200706-200809
main11452-22031i200809-200811
main11452-26030i200903-201111
main11452-26050i200706-200903
main11452-26060i201111
main11452-37010i200706-201101
main11452-37011i201101
11452BRING, O(FOR OIL LEVEL GAGE GUIDE)
main96721-19010i200706-201001
main96741-19010i200706-201210
11573PLATE, OIL REFLECTOR
main11573-26010i200706-201001
12101PAN SUB-ASSY, OIL
main12101-0D020i200706-200811
(L)
main12101-22024i200706-200811
(J)
main12101-47061i200811-201102
main12101-47120i201102-201203
main12101-47121i201203-201210
12101APLUG(FOR OIL PAN DRAIN)
main90341-12012i200706-201001
main90341-12032i200811-201210
12101BGASKET(FOR OIL PAN DRAIN PLUG)
main90080-43037i200706-200811
(L)
main90430-12031i200706-200811
(J)
main90430-12031i200706-201210
12102APAN SUB-ASSY, OIL, NO.2
main12102-0R010i200706-200903
main12102-0R020i200903-200908
main12102-0R021i200908-201210
main12102-37010i200706-201001
12121PLATE, OIL PAN BAFFLE, NO.1
main12121-26020i200706-201001
main12121-47011i200811-201102
main12121-B1060i201102-201210
12156INSULATOR, OIL PAN
main12156-0R010i200706-200903
main12156-0R020i200903-201001
15301GAGE SUB-ASSY, OIL LEVEL
main15301-0D011i200706-200811
(L)
main15301-22050i200706-200811
(J)
main15301-26060i200706-200903
main15301-26080i200903-201001
main15301-37010i200706-201208
main15301-37030i201208-201210
main15301-47020i200811-201005
main15301-47050i201005-201210
15708NOZZLE SUB-ASSY, OIL, NO.1
main15708-0R010i200706-201103
main15708-0R011i201103
main15708-37010i200706-200809
main15708-37011i200809-201210
main15708-47010i200811-200902
main15708-47030i200902-201210
main15708-47040i201104-201203
33118DPLATE, STIFFENER, RH
main33118-05010i200706-201001
33119CPLATE, STIFFENER, LH
main33119-05010i200706-200903
main33119-05020i200903-201001
8401
9010506297
90105W0010
90105W0135
90105W0137
90105W0142
90110W0002
90119W0010
90119W0026
9017906326
9034551025
9046705162C0
91551F0860
9167180820

38 parts on this diagram · 8 diagrams in section

CYLINDER BLOCK — Toyota Parts Diagram with OEM Numbers & Prices | EPC Data