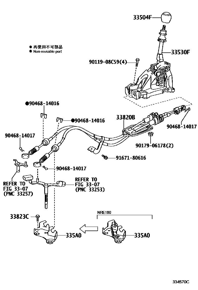
SHIFT LEVER & RETAINER

3307GEAR SHIFT FORK & LEVER SHAFT (MTM)
33504FKNOB SUB-ASSY, SHIFT LEVER
BLACK,TRIM2#
BLACK/MD.SILVER,TRIM2#
BLACK/BLACK ME,TRIM2#
BLACK,TRIM2#
BLACK,TRIM2#
BLACK/21GY18,TRIM2#
BLACK,TRIM2#
BLACK,TRIM2#
33530FLEVER ASSY, SHIFT (FOR FLOOR SHIFT)
335A0BRACKET ASSY, CONTROL CABLE
*201
33820BCABLE ASSY, TRANSMISSION CONTROL
33823BRACKET, TRANSMISSION CONTROL CABLE, NO.1
33823CBOLT (FOR TRANSMISSION CONTROL CABLE BRACKET)
*201
9011908C59
main90119-08C59
9017906178
main90179-06178
9046814016
main90468-14016
9046814017
main90468-14017
9167180616
main91671-80616
12 parts on this diagram · 4 diagrams in section