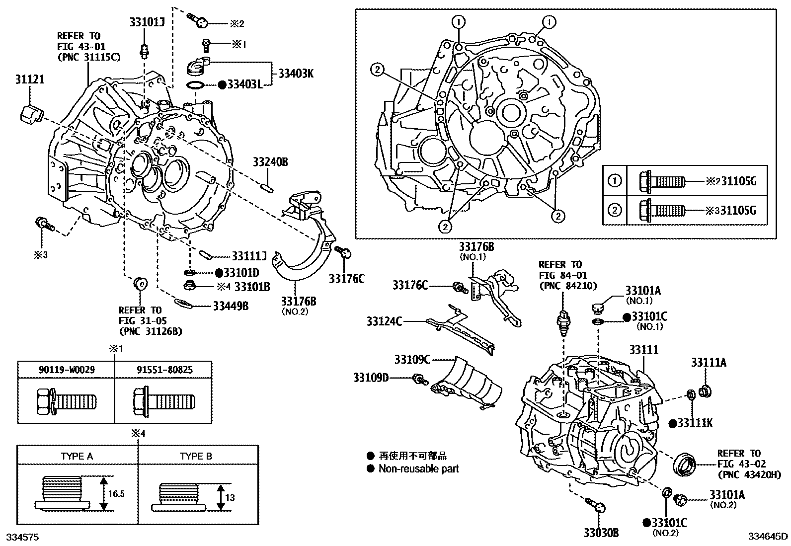
CLUTCH HOUSING & TRANSMISSION CASE (MTM)

3105
31105GBOLT(FOR TRANSAXLE CASE & ENGINE SETTING)
*12-1.25PX45-30,TYPE A:REFER ILLUST.
*10-1.25PX45-26
*12-1.25PX45-30,TYPE B:REFER ILLUST.
*12-1.25PX80-30
31121COVER, CLUTCH HOUSING, NO.1
33030BBOLT(FOR TRANSAXLE CASE & TRANSMISSION CASE SETTING)
*8-1.25PX40-22,*201,*206
33101APLUG(FOR MANUAL TRANSMISSION FILLER)
NO.1
NO.2
33101BPLUG(FOR MANUAL TRANSMISSION DRAIN)
*206T/P A:SEE ILLUST
TYPE B:REFER ILLUST.
33101CGASKET(FOR MANUAL TRANSMISSION FILLER PLUG)
*201,NO.2
NO.1
*206,NO.2
33101DGASKET(FOR MANUAL TRANSMISSION DRAIN PLUG)
*201
*206
33101JPLUG, BREATHER
*201,*206
33109DBOLT(FOR MANUAL TRANSMISSION OIL SEPARATOR)
33111APLUG, MANUAL TRANSMISSION CASE
33111JPIN, STRAIGHT(FOR MANUAL TRANSMISSION CASE)
L=23,OD=8,*201
33111KGASKET(FOR TRANSMISSION CASE)
*201
*206
33124CPIPE, OIL RECEIVER, NO.1(MTM)
*206
33176BSEPARATOR, TRANSMISSION OIL(MTM)
NO.1
NO.2
33176CBOLT(FOR TRANSMISSION OIL SEPARATOR)
*201,*206
33240BPIN, STRAIGHT(FOR REVERSE SHIFT ARM BRACKET)
33403KCOVER SUB-ASSY, SPEEDOMETER DRIVEN HOLE
33403LRING, O
33449BMAGNET, TRANSMISSION
*201,*206
4301
4302
8401
90119W0029
main90119-W0029
9155180825
main91551-80825
27 parts on this diagram · 2 diagrams in section