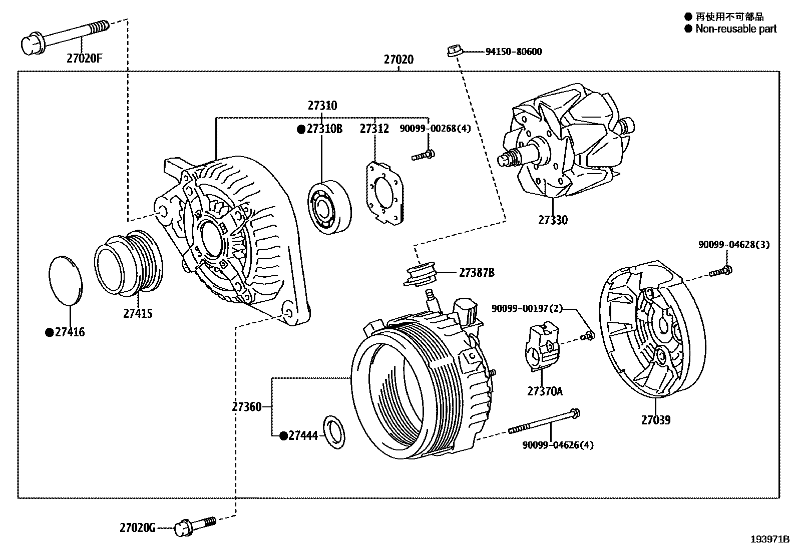
ALTERNATOR

27020ALTERNATOR ASSY
12V 80A
12V 80A
27020FBOLT, NO.1(FOR ALTERNATOR)
27020GBOLT, NO.2(FOR ALTERNATOR)
27039COVER, ALTERNATOR REAR END
27310BBEARING(FOR ALTERNATOR DRIVE END FRAME)
27312PLATE, RETAINER
27330ROTOR ASSY, ALTERNATOR
27360COIL ASSY, ALTERNATOR
27370AHOLDER ASSY, ALTERNATOR BRUSH
27387BINSULATOR, ALTERNATOR TERMINAL
27416CAP, ALTERNATOR PULLEY
27444PACKING, ALTERNATOR BEARING COVER
9009900197
main90099-00197
9009900268
main90099-00268
9009904626
main90099-04626
9009904628
main90099-04628
9415080600
main94150-80600
19 parts on this diagram · 3 diagrams in section