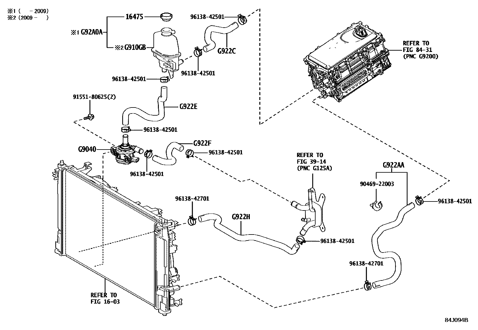
INVERTER COOLING

1603RADIATOR & WATER OUTLET
16475CAP, RESERVE TANK
3914OIL COOLER & TUBE (HEV OR BEV OR FCEV)
8431HEV INVERTER
G922FHOSE, HYBRID WATER PUMP OUTLET, NO.1
G92A0ATANK ASSY, INVERTER RESERVE
9046922003
main90469-22003
9155180625
main91551-80625
9613842501
main96138-42501
9613842701
main96138-42701
16 parts on this diagram · 2 diagrams in section