E
EPC Data

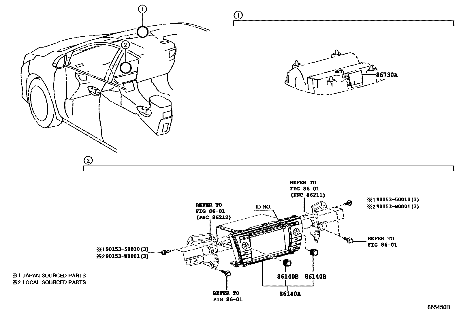
NAVIGATION & FRONT MONITOR DISPLAY

Parts diagram
8601RADIO RECEIVER & AMPLIFIER & CONDENSER
86140ARECEIVER ASSY, RADIO & DISPLAY
main86140-02490supersedes 86140-02500i201912-202110
PIONEER,ID=P11310; PIONEER,ID=P11310,EXCEPT SOUTH AFRICA, NIGERIA SPEC
main86140-02491i202111-202309
PIONEER; PIONEER,EXCEPT SOUTH AFRICA, NIGERIA SPEC
main86140-02492i202310
PIONEER; PIONEER,EXCEPT SOUTH AFRICA, NIGERIA SPEC
main86140-02080i201306-201505
PANASONIC,ID=53893,AUDIO-*DA & *BT & USB & 6SPEAKER
main86140-02220i201505-201605
PANASONIC,ID=510127,AUDIO-*DA & *BT & USB & 6SPEAKER
main86140-02250i201401-201505
PIONEER,ID=P10517,AUDIO-*DA & DVD & *BT & USB & 6SPEAKER
main86140-02260i201401-201505
PIONEER,ID=P10548,AUDIO-*DA & DVD & *BT & USB & 6SPEAKER
main86140-02270i201401-201505
PIONEER,ID=P10518,EXCEPT SOUTH AFRICA,SUDAN,SYRIA SPEC&AUDIO-*DA & DVD & *BT & USB& 6SPEAKER
main86140-02430i201505-201701
PIONEER,ID=P11103,AUDIO-*DA & DVD & *BT & USB & 6SPEAKER
main86140-02440i201505-201701
PIONEER,ID=P11101,AUDIO-*DA & DVD & *BT & USB & 6SPEAKER
main86140-02450i201505-201701
PIONEER,ID=P11102,EXCEPT SOUTH AFRICA,SUDAN,SYRIA SPEC&AUDIO-*DA & DVD & *BT & USB& 6SPEAKER
main86140-02480i201606-201808
PANASONIC,ID=510187,AUDIO(OVERSEAS MARKET)-*DA & CD & *BT & USB & 6SPEAKER
main86140-02500i201701-201912
PIONEER,ID=P11309,AUDIO(OVERSEAS MARKET)-*DA & DVD & *BT & USB & 6SPEAKER
main86140-12100i201606-201901
PIONEER,ID=P11308,AUDIO(OVERSEAS MARKET)-*DA & DVD & *BT & USB & 6SPEAKER
86140BKNOB, RADIO & DISPLAY RECEIVER SWITCH
main90011-25215×2i201306-201605
AUDIO-*DA & *BT & USB & 6SPEAKER
main90011-25256×2i201401-201701
AUDIO-*DA & DVD & *BT & USB & 6SPEAKER; EXCEPT SOUTH AFRICA,SUDAN,SYRIA SPEC&AUDIO-*DA & DVD & *BT & USB & 6SPEAKER
main90011-25257×2i201401-201701
AUDIO-*DA & DVD & *BT & USB & 6SPEAKER
86730AMICROPHONE ASSY, TELEPHONE
main86730-02010i201306-201701
AUDIO-RADIOLESS 6SPEAKER
main86730-02020i201912
9015350010
90153W0001

6 parts on this diagram · 2 diagrams in section

NAVIGATION & FRONT MONITOR DISPLAY — Toyota Parts Diagram with OEM Numbers & Prices | EPC Data