E
EPC Data

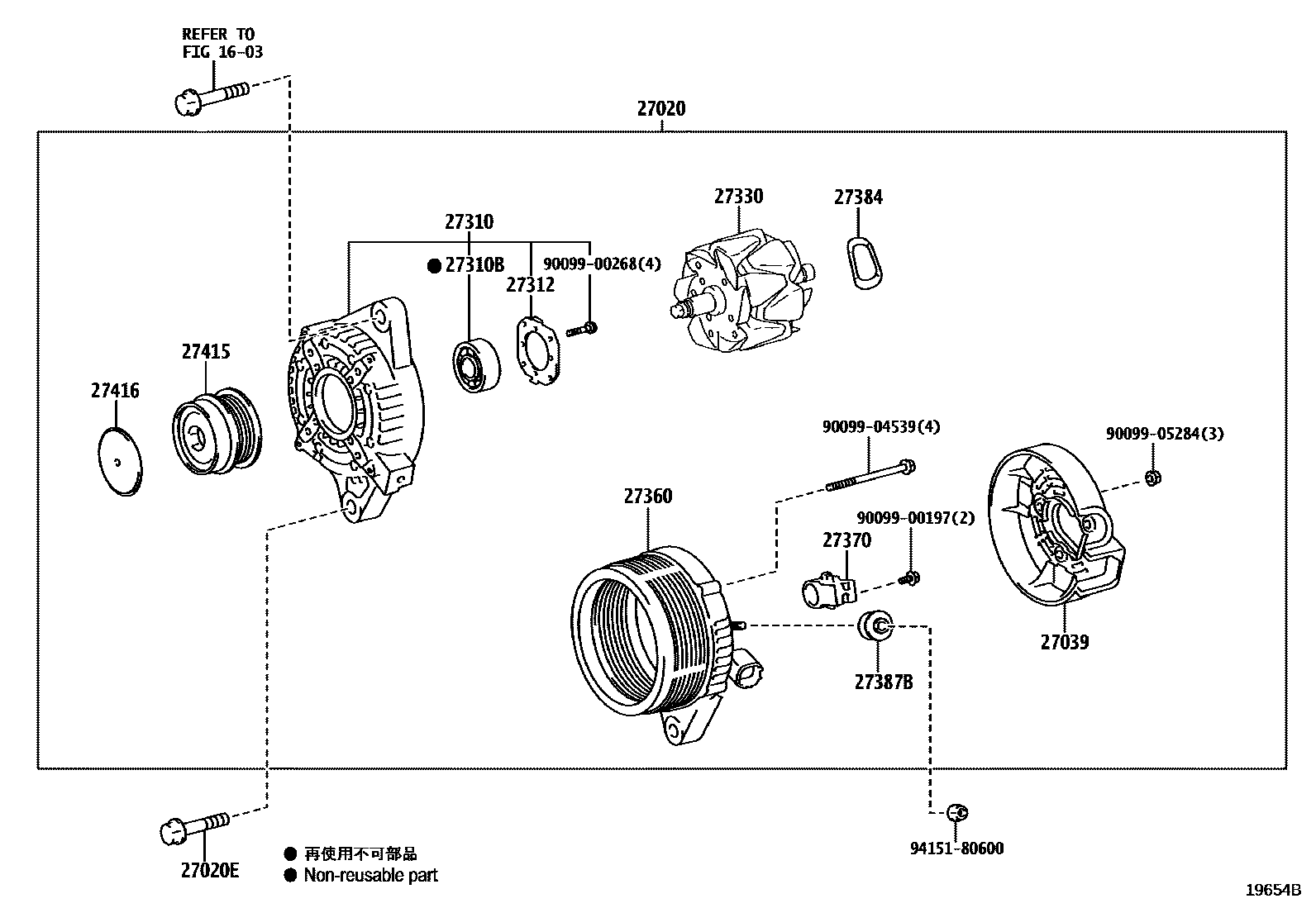
ALTERNATOR

Parts diagram
1603RADIATOR & WATER OUTLET
27020ALTERNATOR ASSY
main27060-37071i201006-201204
12V 100A
main27060-37081i200909-201204
12V 100A
main27060-37160i201204
12V 100A
main27060-37150i201204
12V 100A,SINGAPORE SPEC
27020EBOLT(FOR ALTERNATOR)
main90105-10307i200909-201005
27039COVER, ALTERNATOR REAR END
main27039-31390i200909-201005
main27039-47330i201204
27310FRAME ASSY, DRIVE END, ALTERNATOR
main27310-37100i200909-201005
main27310-37130i201204
27310BBEARING(FOR ALTERNATOR DRIVE END FRAME)
main90099-10223i200909-201005
27312PLATE, RETAINER
main27312-72100i200909-201005
27330ROTOR ASSY, ALTERNATOR
main27330-30070i200909-201005
main27330-47330i201204
27360COIL ASSY, ALTERNATOR
main27360-37030i201006-201204
main27360-37050i200909-201005
main27360-37190i201204-201308
main27360-37191i201308
main27360-37180i201204-201308
SINGAPORE SPEC
main27360-37181i201308
SINGAPORE SPEC
27370HOLDER ASSY, ALTERNATOR BRUSH
main27370-31220i200909-201204
27384WASHER
main27384-38130i201204-201308
main27384-50030i200909-201005
27387BINSULATOR, ALTERNATOR TERMINAL
main27387-20130i200909-201005
27415PULLEY, ALTERNATOR W/CLUTCH
main27415-0T011i200909-201204
main27415-0T060i201308-201711
27416CAP, ALTERNATOR PULLEY
main27416-0W020i200909-201204
main27416-0W050i201308-201711
9009900197
9009900268
9009904539
9009905284
9415180600

19 parts on this diagram · 2 diagrams in section

ALTERNATOR — Toyota Parts Diagram with OEM Numbers & Prices | EPC Data