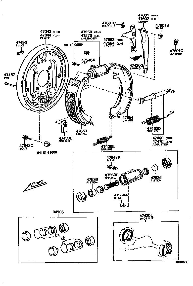
REAR DRUM BRAKE WHEEL CYLINDER & BACKING PLATE

04906CUP KIT, REAR WHEEL CYLINDER
ID=19.05 W/C
ID=20.64 W/C
47043CBOLT(FOR BACKING PLATE TO REAR AXLE HOUSING SETTING)
*10-1.25PX37-15
*10-1.25PX26-10
47430CSPRING(FOR REAR BRAKE SHOE HOLD DOWN)
47430DSPRING, TENSION(FOR REAR BRAKE SHOE RETURN)
RH
LH
47430ESPRING, TENSION(FOR REAR BRAKE SHOE RETURN)
47430GSPRING, TENSION(FOR REAR BRAKE AUTOMATIC ADJUST LEVER)
47430LSHOE KIT, REAR BRAKE
47457PIN, SHOE HOLD DOWN SPRING(FOR REAR BRAKE)
47460ADJUSTER ASSY, SHOE, RH(FOR REAR BRAKE)
47470ADJUSTER ASSY, SHOE, LH(FOR REAR BRAKE)
47496PLUG, HOLE(FOR REAR BRAKE)
47536PISTON, WHEEL BRAKE CYLINDER(FOR REAR BRAKE)
ID=19.05 W/C
ID=20.64 W/C
ID=19.05 W/C
ID=19.05 W/C
SWEDEN SPEC,ID=20.64 W/C
47547RPLUG, BLEEDER(FOR DRUM BRAKE, REAR)
47548RCAP, BLEEDER PLUG(FOR DRUM BRAKE, REAR)
47550CYLINDER ASSY, REAR WHEEL BRAKE(FOR RH, FRONT OR UPPER)
FR DRUM BRAKE,ID=19.05
47550ASEAT, UNION(FOR REAR WHEEL BRAKE CYLINDER)
47550CSPRING, COMPRESSION(FOR REAR WHEEL BRAKE CYLINDER)
ID=19.05 W/C
ID=20.64 W/C
SWEDEN SPEC,ID=20.64 W/C
47570CYLINDER ASSY, REAR WHEEL BRAKE(FOR LH, FRONT OR UPPER)
FR DRUM BRAKE,ID=19.05
47601LEVER SUB-ASSY, PARKING BRAKE SHOE, RH(FOR REAR BRAKE)
47601BSHIM, REAR PARKING BRAKE SHOE LEVER
T=0.3,T=0.3
T=0.6,T=0.6
T=0.9,T=0.9
T=0.2,T=0.2
T=0.4,T=0.4
T=0.5,T=0.5
47601CWASHER, C(FOR REAR BRAKE)
T=1.2
47602LEVER SUB-ASSY, PARKING BRAKE SHOE, LH (FOR REAR BRAKE)
47653LINING, REAR BRAKE SHOE(FOR FRONT OR UPPER)
FR DRUM BRAKE
FR DISC BRAKE
47654LINING, REAR BRAKE SHOE(FOR REAR OR LOWER)
FR DRUM BRAKE
FR DISC BRAKE
47663LEVER, AUTOMATIC ADJUST, RH(FOR REAR BRAKE)
47664LEVER, AUTOMATIC ADJUST, LH(FOR REAR BRAKE)
9011906084
main90119-06084
9418111000
main94181-11000
30 parts on this diagram · 2 diagrams in section