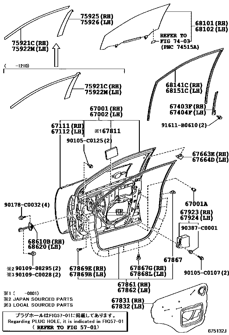
FRONT DOOR PANEL & GLASS

5701HOLE PLUG
67001PANEL SUB-ASSY, FRONT DOOR, RH
67001ACUSHION, FRONT DOOR PANEL
67002PANEL SUB-ASSY, FRONT DOOR, LH
67111PANEL, FRONT DOOR, OUTER RH
67112PANEL, FRONT DOOR, OUTER LH
67403FFRAME SUB-ASSY, FRONT DOOR, REAR LOWER RH
67404FFRAME SUB-ASSY, FRONT DOOR, REAR LOWER LH
67663EGARNISH, DOOR FRAME, RH
67811PAD, FRONT DOOR SILENCER
67831COVER, FRONT DOOR SERVICE HOLE, RH
67832COVER, FRONT DOOR SERVICE HOLE, LH
67861WEATHERSTRIP, FRONT DOOR, RH
67862WEATHERSTRIP, FRONT DOOR, LH
67867CLIP, DOOR WEATHERSTRIP
67867GRETAINER, DOOR WEATHERSTRIP, RH
67868LRETAINER, DOOR WEATHERSTRIP, LH
67869BCLIP, FRONT DOOR WEATHERSTRIP
67869ECLIP, FRONT DOOR WEATHERSTRIP
67923CUSHION, FRONT DOOR STIFFENER, NO.1
67924CUSHION, FRONT DOOR STIFFENER, NO.2
68101GLASS SUB-ASSY, FRONT DOOR, RH
*TEM,T=3.5,GREEN
*TEM,T=3.5,GREEN
*TEM,T=3.5,GREEN
*TEM,T=3.5,GREEN
68102GLASS SUB-ASSY, FRONT DOOR, LH
*TEM,T=3.5,GREEN
*TEM,T=3.5,GREEN
*TEM,T=3.5,GREEN
*TEM,T=3.5,GREEN
68141CRUN, FRONT DOOR GLASS, RH
68151CRUN, FRONT DOOR GLASS, LH
68610BCHECK ASSY, FRONT DOOR, RH
68620CHECK ASSY, FRONT DOOR, LH
7403CAUTION PLATE (EXTERIOR & INTERIOR)
75921CTAPE, BLACK OUT, NO.1 RH
75922MTAPE, BLACK OUT, NO.1 LH
75925TAPE, BLACK OUT, NO.3 RH
75926TAPE, BLACK OUT, NO.3 LH
90105C0107
main90105-C0107
90105C0125
main90105-C0125
9010908295
main90109-08295
90109C0028
main90109-C0028
90178C0032
main90178-C0032
90387C0001
main90387-C0001
91611B0610
main91611-B0610
40 parts on this diagram · 2 diagrams in section