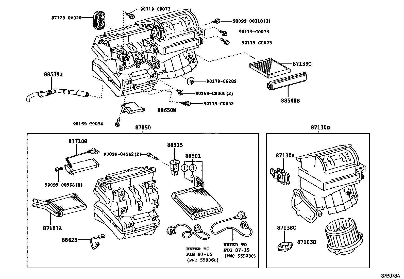
HEATING & AIR CONDITIONING - COOLER UNIT

87050RADIATOR ASSY, AIR CONDITIONER
HEATER-WITH(PTC HEATER)
87107AUNIT SUB-ASSY, HEATER RADIATOR
87130DBLOWER ASSY
HEATER-WITH(PTC HEATER)
87130KDAMPER SERVO SUB-ASSY, BLOWER, NO.1
87138CRESISTOR, BLOWER
87139CFILTER, CLEAN AIR
STANDARD
MICRO DUST FILTER
*DPF
8715HEATING & AIR CONDITIONING - CONTROL & AIR DUCT
87710GQUICK HEATER ASSY
88501EVAPORATOR SUB-ASSY, COOLER, NO.1
88515VALVE, COOLER EXPANSION
88548BCASE, AIR FILTER
88625THERMISTOR, COOLER, NO.1
88650NAMPLIFIER ASSY, AIR CONDITIONER
871280F020GROMMET, HEATER
main87128-0F020
9009900318
main90099-00318
9009900968
main90099-00968
9009904542
main90099-04542
90119C0073
main90119-C0073
90119C0092
main90119-C0092
90159C0005
main90159-C0005
90159C0034
main90159-C0034
9017906282
main90179-06282
24 parts on this diagram · 3 diagrams in section