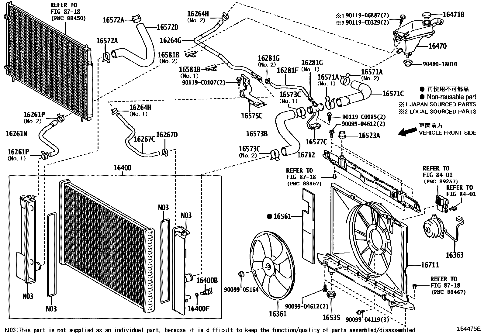
RADIATOR & WATER OUTLET

16261HOSE, WATER BY-PASS
(L)
(L)
(J)
(J)
16261NHOSE, WATER BY-PASS, NO.2
16261PCLIP(FOR WATER BY-PASS HOSE NO.2)
(L),NO.1
(L),NO.2
NO.1
(J),NO.2
16264HOSE, WATER BY-PASS, NO.2
(L)
(L)
(J)
(J)
16264GHOSE, WATER BY-PASS, NO.3
16264HCLIP(FOR WATER BY-PASS HOSE NO.3)
(L),NO.1
(L),NO.2
NO.1
NO.2
16267HOSE, WATER BY-PASS, NO.3
(L)
(J)
16267CHOSE, WATER BY-PASS, NO.4
16267DCLIP(FOR WATER BY-PASS HOSE NO.4)
16281FHOSE, WATER BY-PASS, NO.5
16281GCLIP(FOR WATER BY-PASS HOSE NO.5)
(L),NO.2
NO.1
(J),NO.2
16361FAN
16363MOTOR, COOLING FAN
16400RADIATOR ASSY
16400BPLUG, RADIATOR DRAIN COCK
16400FPACKING(FOR RADIATOR DRAIN COCK)
16470TANK ASSY, RADIATOR RESERVE
(L)
16471BCAP, RESERVE TANK
16523ACUSHION, RADIATOR SUPPORT
16535SUPPORT, RADIATOR, LOWER
16561SEAL, RADIATOR TO SUPPORT, NO.1
16571ACLAMP OR CLIP, HOSE(FOR RADIATOR INLET)
(L),NO.2
(L),NO.1
NO.2
(J),NO.1
16571CHOSE, RADIATOR, NO.1
16572ACLAMP OR CLIP, HOSE(FOR RADIATOR OUTLET NO.1)
(L)
16572DHOSE, RADIATOR, NO.2
16573BHOSE, RADIATOR, NO.3
16573CCLAMP OR CLIP, RADIATOR HOSE, NO.3
NO.1
NO.1
NO.2
16575CBRACKET, WATER HOSE CLAMP, NO.1
16577CPIPE, RADIATOR
16581CLAMP, HOSE(FOR WATER HOSE)
(L),NO.2
NO.1
NO.2
NO.2
16581BCLAMP, HOSE(FOR RADIATOR HOSE)
NO.1
NO.2
16711SHROUD, FAN
16712SHROUD, FAN, NO.2
8401SWITCH & RELAY & COMPUTER
8718HEATING & AIR CONDITIONING - COOLER PIPING
9009904119
main90099-04119
9009904612
main90099-04612
9009905164
main90099-05164
9011906887
main90119-06887
90119C0085
main90119-C0085
90119C0107
main90119-C0107
90119C0329
main90119-C0329
9048018010
main90480-18010
43 parts on this diagram · 5 diagrams in section