E
EPC Data

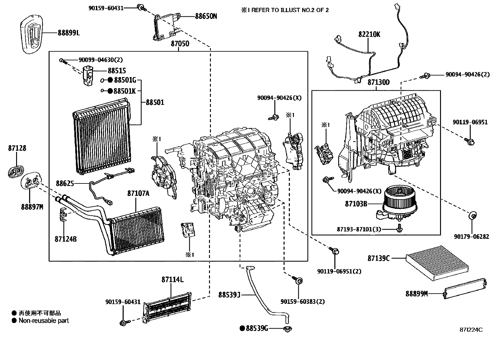
HEATING & AIR CONDITIONING - COOLER UNIT

Parts diagram
82210KHARNESS ASSY, AIR CONDITIONER
main82212-02600i201909-202201
main82212-02650i202201-202309
main82212-0A030i202309
87050RADIATOR ASSY, AIR CONDITIONER
main87050-0A110i202412
GR SPORT
main87050-0A120i202412
UP GRADE PACKAGE
main87050-0A230i202412
main87050-0A240i202309-202412
main87050-0ZD80i201909-202201
main87050-0ZD90i201909-202201
main87050-0ZE00i201909-202201
main87050-0ZE10i201909-202201
main87050-0ZG30i202309
87103BMOTOR SUB-ASSY, BLOWER W/FAN
main87103-02610i202201-202309
main87103-02640i202309
main87103-0A090i202309
87107AUNIT SUB-ASSY, HEATER RADIATOR
main87107-02400i202201-202309
87114LCOVER, HEATER, NO.2
main87114-02170i201909-202201
87124BCLAMP, HEATER
main87124-02220i202201-202309
87128GROMMET, HEATER
main87128-28010i202309-202412
87130DBLOWER ASSY
main87130-02C00i202201-202309
main87130-02C01i202309-202412
UP GRADE PACKAGE
main87130-02C60i201909-202201
87139CFILTER, CLEAN AIR
main87139-02240i202309-202412
POLLEN FILTER,OE PART
main87139-02250i202201-202309
DEODORANT FILTER
88501EVAPORATOR SUB-ASSY, COOLER, NO.1
main88501-02660i202201-202309
main88501-02670i201909-202201
main88501-0A060i202309-202412
88501GO-RING, COOLER EVAPORATOR NO.1(SUCTION)
main90099-14121i201909-202201
ID=13.4,OD=18.2
88501KO-RING, COOLER EVAPORATOR NO.1(LIQUID)
main90099-14120i201909-202201
ID=10.8,OD=15.6
88515VALVE, COOLER EXPANSION
main88515-02750i201909-202201
main88515-30800i201909-202201
88539GGROMMET (FOR COOLER UNIT DRAIN HOSE)
main88888-47010i202201-202309
88539JHOSE, DRAIN COOLER
main88539-02500i202412
88625THERMISTOR, COOLER, NO.1
main88620-02220i201909-202201
main88620-02230i201909-202201
88650NAMPLIFIER ASSY, AIR CONDITIONER
main88650-02M10i201909-202201
main88650-02N90i202309
main88650-02P70i202412
UP GRADE PACKAGE
main88650-12D60i202201-202309
main88650-12N10i202412
88897MGROMMET (FOR HEATER PIPE)
main87128-02210i201909-202201
88899LPARTS, COOLING UNIT
main88899-02440i202412
main88899-02450i201909-202201
88899MPLATE, COVER(FOR AIR FILTER)
main88899-02340i202201-202309
8719387101
9009490426
9009904630
9011906951
9015960383
9015960431
9017906282

27 parts on this diagram · 3 diagrams in section

HEATING & AIR CONDITIONING - COOLER UNIT — Toyota Parts Diagram with OEM Numbers & Prices | EPC Data