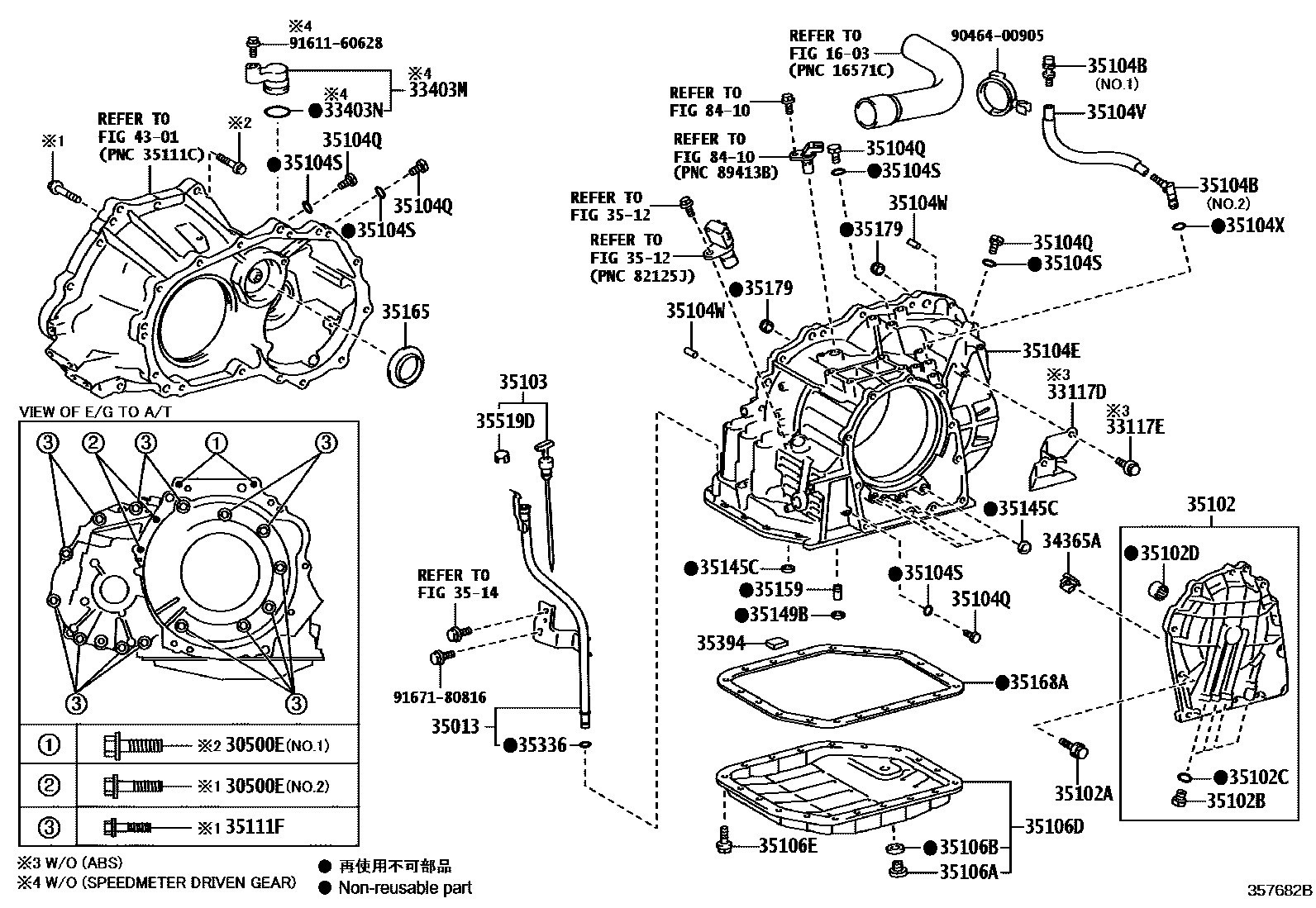
TRANSMISSION CASE & OIL PAN (ATM)

1603RADIATOR & WATER OUTLET
30500EBOLT(FOR TRANSAXLE & ENGINE SETTING)
*12-1.25PX55-30,NO.1
*10-1.25PX45-30
*10-1.25PX45-30
*10-1.25PX55-30,NO.2
33117DPROTECTOR, AUTOMATIC TRANSMISSION CASE
LOW GRADE PACKAGE&ABS-WITHOUT
33117EBOLT(FOR AUTOMATIC TRANSMISSION CASE PROTECTOR)
LOW GRADE PACKAGE&ABS-WITHOUT
33403MCOVER SUB-ASSY, SPEEDOMETER DRIVEN HOLE (ATM)
33403NRING, O (FOR ATM SPEEDOMETER DRIVEN HOLE COVER)
34365ARETAINER, OUTER RACE
35013TUBE SUB-ASSY, TRANSMISSION OIL FILLER
35102COVER SUB-ASSY, TRANSAXLE REAR
35102ABOLT (FOR TRANSAXLE REAR COVER SETTING)
*8-1.25PX30-25
*8-1.25PX28-20
35102BPLUG(FOR TRANSAXLE REAR COVER)
35102CRING, O(FOR TRANSAXLE REAR COVER PULG)
35102DBEARING, NEEDLE ROLLER(FOR TRANSAXLE REAR COVER)
35103GAGE SUB-ASSY, TRANSMISSION OIL LEVEL
35104BPLUG, BREATHER, NO.1 (ATM)
NO.1
NO.2
35104ECASE SUB-ASSY, AUTOMATIC TRANSAXLE
35104QPLUG, NO.1 (FOR TRANSAXLE CASE)
35104SRING, O (FOR TRANSAXLE CASE PLUG NO.1)
35104VHOSE (FOR BREATHER PLUG)
35104WPIN, STRAIGHT (FOR TRANSAXLE CASE)
35104XRING, O (FOR BREATHER PLUG)
35106APLUG SUB-ASSY, DRAIN (ATM)
35106BGASKET, DRAIN PLUG (ATM)
35106DPAN SUB-ASSY, AUTOMATIC TRANSAXLE OIL
35106EBOLT (FOR TRANSAXLE OIL PAN)
35111FBOLT (FOR TRANSAXLE HOUSING & TRANSAXLE CASE SETTING)
*6-1.00PX50-25,NO.4
*8-1.25PX72-30,NO.1
*8-1.25PX30-25
*8-1.25PX42-30,NO.2
*8-1.25PX50-30,NO.3
3512VALVE BODY & OIL STRAINER (ATM)
3514OIL COOLER & TUBE (ATM)
35145CGASKET, TRANSAXLE CASE
35149BGASKET, TRANSAXLE CASE 2ND BRAKE
35159GASKET, BRAKE DRUM
35165PLATE, TRANSMISSION CASE, NO.1
35168AGASKET, AUTOMATIC TRANSAXLE OIL PAN
35179GASKET, OVERDRIVE BRAKE
35336RING, O (FOR TRANSMISSION OIL FILLER TUBE)
35394MAGNET, OIL CLEANER (FOR TRANSMISSION)
35519DLABEL, AUTOMATIC TRANSMISSION INFORMATION
4301FRONT AXLE HOUSING & DIFFERENTIAL
8410OVERDRIVE & ELECTRONIC CONTROLLED TRANSMISSION
9046400905
main90464-00905
9161160628
main91611-60628
9167180816
main91671-80816
42 parts on this diagram · 4 diagrams in section