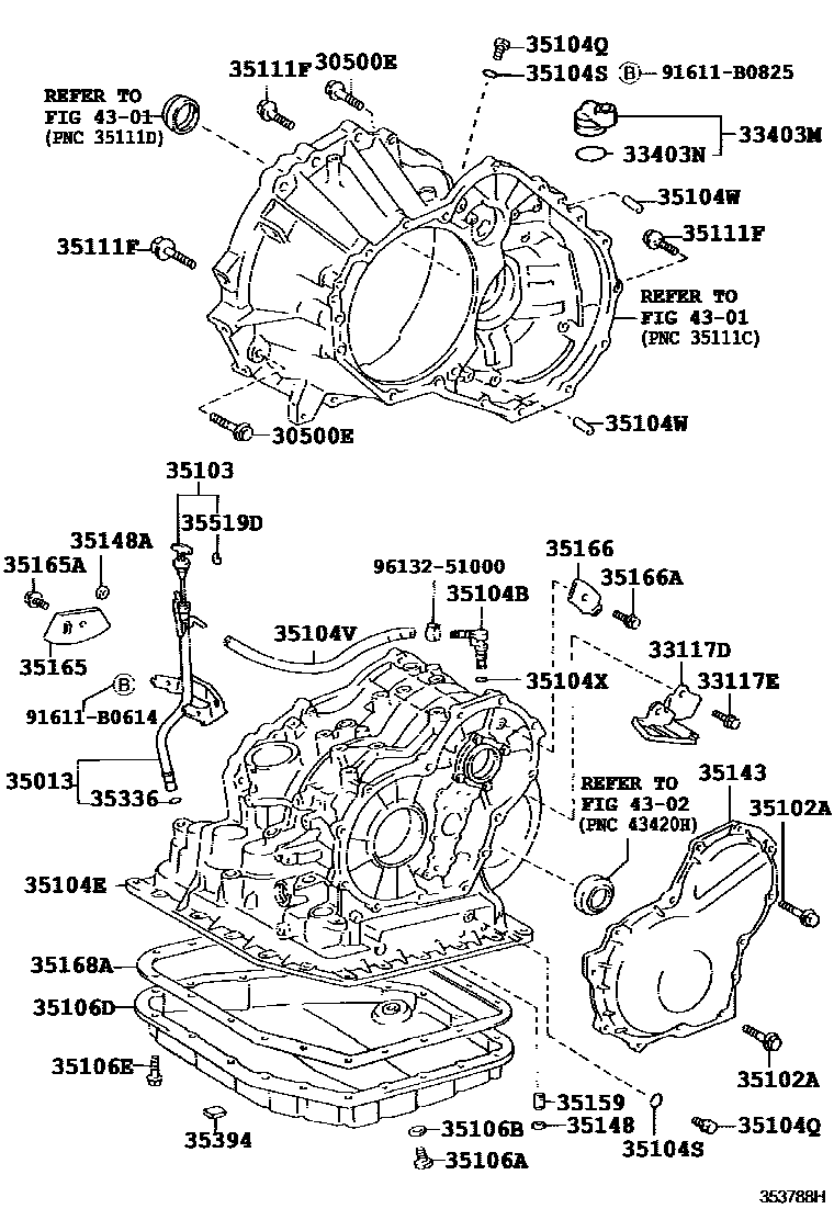
TRANSMISSION CASE & OIL PAN (ATM)

30500EBOLT(FOR TRANSAXLE & ENGINE SETTING)
*12-1.25PX55-30
*10-1.25PX55-30
33117DPROTECTOR, AUTOMATIC TRANSMISSION CASE
PERU SPEC
33117EBOLT(FOR AUTOMATIC TRANSMISSION CASE PROTECTOR)
PERU SPEC
33403MCOVER SUB-ASSY, SPEEDOMETER DRIVEN HOLE (ATM)
33403NRING, O (FOR ATM SPEEDOMETER DRIVEN HOLE COVER)
35013TUBE SUB-ASSY, TRANSMISSION OIL FILLER
PERU SPEC
35102COVER SUB-ASSY, TRANSAXLE REAR
PERU SPEC
35102ABOLT (FOR TRANSAXLE REAR COVER SETTING)
*6-1.00PX32-32
*8-1.25PX28-20,PERU SPEC
*6-1.0PX25-25
35103GAGE SUB-ASSY, TRANSMISSION OIL LEVEL
PERU SPEC
35104BPLUG, BREATHER, NO.1 (ATM)
PERU SPEC
35104ECASE SUB-ASSY, AUTOMATIC TRANSAXLE
PERU SPEC
35104QPLUG, NO.1 (FOR TRANSAXLE CASE)
35104SRING, O (FOR TRANSAXLE CASE PLUG NO.1)
35104VHOSE (FOR BREATHER PLUG)
PERU SPEC
35104WPIN, STRAIGHT (FOR TRANSAXLE CASE)
PERU SPEC
35104XRING, O (FOR BREATHER PLUG)
PERU SPEC
35106APLUG SUB-ASSY, DRAIN (ATM)
PERU SPEC
35106BGASKET, DRAIN PLUG (ATM)
PERU SPEC
35106DPAN SUB-ASSY, AUTOMATIC TRANSAXLE OIL
PERU SPEC
35106EBOLT (FOR TRANSAXLE OIL PAN)
35111FBOLT (FOR TRANSAXLE HOUSING & TRANSAXLE CASE SETTING)
*8-1.25PX30-25
*8-1.28PX30-25
35143COVER, TRANSMISSION CASE, REAR
35148GASKET, GOVERNOR APPLY, NO.1
35148AGASKET, GOVERNOR APPLY, NO.2
35159GASKET, BRAKE DRUM
PERU SPEC
35165PLATE, TRANSMISSION CASE, NO.1
PERU SPEC
35165ABOLT (FOR TRANSMISSION CASE PLATE NO.1)
35166PLATE, TRANSMISSION CASE, NO.3
35166ABOLT (FOR TRANSMISSION CASE PLATE NO.3)
35168AGASKET, AUTOMATIC TRANSAXLE OIL PAN
PERU SPEC
35336RING, O (FOR TRANSMISSION OIL FILLER TUBE)
35394MAGNET, OIL CLEANER (FOR TRANSMISSION)
35519DLABEL, AUTOMATIC TRANSMISSION INFORMATION
4301FRONT AXLE HOUSING & DIFFERENTIAL
4302FRONT DRIVE SHAFT
91611B0614
main91611-B0614
91611B0825
main91611-B0825
9613251000
main96132-51000
38 parts on this diagram · 2 diagrams in section