E
EPC Data

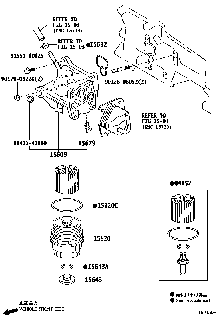
OIL FILTER

Parts diagram
04152ELEMENT KIT, OIL FILTER
main04152-31090i201703-201906
main04152-37010i201310-201512
ELEMENT TYPE
1503ENGINE OIL COOLER
15609BRACKET SUB-ASSY, OIL FILTER
main15609-0T040i201610-202201
(L),CARTRIGE TYPE
main15609-33050i201405-201702
main15609-37010i201611-201708
(J),CARTRIGE TYPE
main15609-37041i201707
ELEMENT TYPE
main15609-37060i201709-201907
(J),CARTRIGE TYPE
15620CAP ASSY, OIL FILTER
main15620-36020i201703-201906
main15620-37010i201707
ELEMENT TYPE
15620CGASKET(FOR OIL FILTER CAP)
main90301-69011i201707-202208
ELEMENT TYPE
main90301-79006i201703-201906
15643PLUG, OIL FILTER DRAIN
main15643-31050i201405-201702
15643ARING, O(FOR OIL FILTER DRAIN PLUG)
main96723-35028i201405-201702
15679CLIP, OIL FILTER BRACKET
main15679-37010i201310-201408
ELEMENT TYPE
main15679-37011i201409-201511
ELEMENT TYPE
15692GASKET, OIL FILTER BRACKET
main15692-33010i201405-201702
9012608052
9017908228
9155180825
9641141800

13 parts on this diagram · 4 diagrams in section

OIL FILTER — Toyota Parts Diagram with OEM Numbers & Prices | EPC Data