E
EPC Data

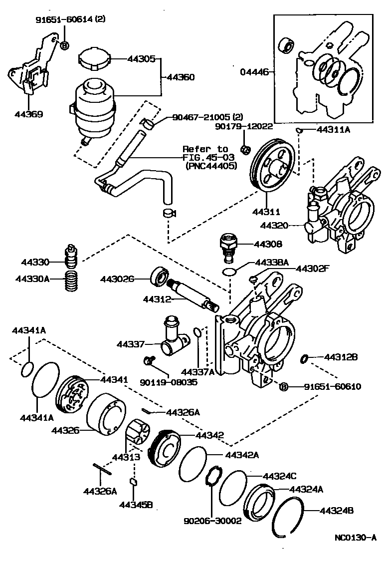
VANE PUMP & RESERVOIR (POWER STEERING)

Parts diagram
04446GASKET KIT, POWER STEERING PUMP
main04446-20030i198705-199308
44302FSEAT, UNION(FOR VANE PUMP HOUSING)
main90410-05035i198705-199207
44302GSEAL, OIL, NO.2(FOR VANE PUMP HOUSING)
main90311-18007i198705-199308
44305CAP SUB-ASSY, VANE PUMP OIL RESERVOIR
main44305-12010i198705-198905
main44305-22020i198705-198905
main44305-22030i198905-199308
main44305-22040i198905-199308
44308UNION SUB-ASSY, PRESSURE PORT
main44308-12032i198705-199207
main44308-12042i198705-199308
44311PULLEY, VANE PUMP
main44311-12040i198705-199308
main44311-12070i198705-199308
main44311-12100i198705-199207
main44311-12110i198712-199206
W(AIR CONDITIONER OR COOLER)
44311AKEY, VANE PUMP PULLEY
main90280-05008i198705-199308
44312SHAFT, VANE PUMP
main44312-12030i198705-199308
44312BRING, SNAP, NO.1(FOR VANE PUMP SHAFT)
main90520-10003i198705-199308
44313ROTOR, VANE PUMP
main44313-12010i198705-198804
NO MARK
main44313-12020i198705-198804
MARK 1
main44313-12030i198705-198804
MARK 2
main44313-12040i198705-198804
MARK 3
main44313-12050i198705-198804
MARK 4
main44313-22040i198804-199308
NO MARK
main44313-22050i198804-199308
MARK 1
main44313-22060i198804-199308
MARK 2
main44313-22070i198804-199308
MARK 3
main44313-22080i198804-199308
MARK 4
44320PUMP ASSY, VANE
main44320-12190i198705-198804
main44320-12191i198804-199108
main44320-12192i199108-199308
main44320-12200i198705-198804
main44320-12201i198804-199005
main44320-12202i199005-199103
main44320-12203i199103-199308
main44320-12210i198705-198804
main44320-12211i198804-199103
main44320-12212i199103-199207
44324AHOUSING, PUMP, REAR
main44324-12031i198705-199308
44324BRING, HOLE SNAP(FOR PUMP HOUSING REAR)
main90521-62002i198705-199308
44324CRING, O(FOR PUMP HOUSING REAR)
main90301-52001i198705-199308
44326RING, CAM(FOR VANE PUMP)
main44325-12110i198705-199308
NO MARK
main44325-12120i198705-199308
MARK 1
main44325-12130i198705-199308
MARK 2
main44325-12140i198705-199308
MARK 3
main44325-12150i198705-199308
MARK 4
44326APIN, STRAIGHT(FOR VANE PUMP CAM RING)
main90250-04047i198705-199308
L=28,OD=4.0
main90250-04049i198705-199308
L=43,OD=4.0
44330VALVE ASSY, FLOW CONTROL
main44330-12070i198705-198906
MARK A
main44330-12071i198908-199207
MARK A
main44330-12080i198705-198906
MARK B
main44330-12081i198908-199207
MARK B
main44330-12090i198705-198906
MARK C
main44330-12091i198908-199207
MARK C
main44330-12100i198705-198906
MARK D
main44330-12101i198908-199207
MARK D
main44330-12110i198705-198906
MARK E
main44330-12111i198908-199207
MARK E
main44330-12120i198705-198906
MARK F
main44330-12121i198908-199207
MARK F
main44330-14010i198705-198906
MARK A
main44330-14020i198705-198906
MARK B
main44330-14030i198705-198906
MARK C
main44330-14040i198705-198906
MARK D
main44330-14050i198705-198906
MARK E
main44330-14060i198705-198906
MARK F
main44330-20010i198908-199207
MARK A
main44330-20020i198908-199207
MARK B
main44330-20030i198908-199207
MARK C
main44330-20040i198908-199207
MARK D
main44330-20050i198908-199207
MARK E
main44330-20060i198908-199207
MARK F
44330ASPRING, COMPRESSION(FOR FLOW CONTROL VALVE)
main90501-12103i198705-199308
44337UNION, POWER STEERING SUCTION PORT
main44337-12030i198708-199005
main44337-12050i198705-198708
main44337-12060i198705-199207
main44337-12070i199005-199308
44337ARING, O(FOR POWER STEERING SUCTION PORT)
main90301-12003i198705-199308
44338ARING, O(FOR PRESSURE PORT UNION)
main90301-19003i198705-199308
ID=19.5,OD=22.5
44341PLATE, VANE PUMP SIDE, FRONT
main44341-12030i198705-198804
main44341-32010i198804-199308
44341ARING, O(FOR VANE PUMP FRONT SIDE PLATE)
main90301-25001i198705-199308
INNER
main90301-52001i198705-199308
OUTER
44342PLATE, VANE PUMP SIDE, REAR
main44342-12021i198705-198804
main44342-32010i198804-199308
44342ARING, O(FOR VANE PUMP SIDE PLATE REAR)
main90301-52001i198705-199308
44345BPLATE, VANE PUMP
main44345-12010i198705-199308
L=14.997
main44345-12020i198705-199308
L=14.995
main44345-12030i198705-199308
L=14.993
main44345-12040i198705-199308
L=14.991
main44345-12050i198705-199308
L=14.989
44360RESERVOIR ASSY, VANE PUMP OIL
main44306-12070i198705-199108
main44306-12120i199108-199308
main44360-12030i198705-199308
44369BRACKET, OIL RESERVOIR, NO.1
main44369-12020i198705-199308
4503
9011908035
9017912022
9020630002
9046721005
9165160610
9165160614

35 parts on this diagram · 3 diagrams in section

VANE PUMP & RESERVOIR (POWER STEERING) — Toyota Parts Diagram with OEM Numbers & Prices | EPC Data