E
EPC Data

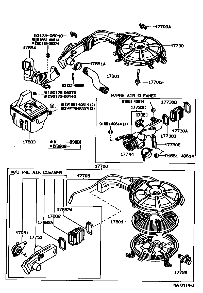
AIR CLEANER

Parts diagram
17061DIAPHRAGM SUB-ASSY
main17061-10010i198705-198811
W(HOT AIR INTAKE & PRE AIR CLEANER)
main17061-11010i198705-198908
NEW ZEALAND SPEC
main17061-15040i198705-198811
W(HOT AIR INTAKE)
17700CLEANER ASSY, AIR
main17700-11200i198705-199206
W(HOT AIR INTAKE)
main17700-11210i198705-198908
main17700-11360i198705-198908
NEW ZEALAND SPEC
main17700-11470i199105-199206
NEW ZEALAND SPEC
main17700-11540i198902-199006
W(PRE AIR CLEANER & POWER STEERING)
main17700-16370i198905-198908
main17700-16420i198705-199207
main17700-16430i198705-199106
W(HOT AIR INTAKE)
main17700-16480i198705-198811
W(PRE AIR CLEANER)
main17700-16510i198705-198811
W(HOT AIR INTAKE & PRE AIR CLEANER)
main17700-16590i198808-198910
main17700-16640i198908-199308
main17700-16710i198910-199308
17700ANUT, WING(FOR AIR CLEANER)
main90175-06010i198705-199006
17700FBOLT, STUD(FOR AIR CLEANER SETTING)
main90116-06018i198705-199308
main90116-06142i198705-199006
17705CAP SUB-ASSY, AIR CLEANER
main17705-11170i198705-198908
NEW ZEALAND SPEC
main17705-11180i198908-199308
main17705-11190i199006-199207
main17705-11360i199105-199206
NEW ZEALAND SPEC
main17705-11370i198902-199006
W(PRE AIR CLEANER & POWER STEERING)
main17705-15150i198705-199106
W(HOT AIR INTAKE)
main17705-16160i198705-198905
main17705-16210i198705-199207
main17705-16220i198811-199207
W(PRE AIR CLEANER)
main17705-16240i198705-198811
W(HOT AIR INTAKE & PRE AIR CLEANER)
main17705-16290i198808-198910
main17705-16320i198908-199308
main17705-16380i198910-199308
17728VALVE, THERMOSTATIC
main17728-10010i198908-198911
W(PRE AIR CLEANER & POWER STEERING)
main17728-11020i199105-199206
W(PRE AIR CLEANER & POWER STEERING)
main17728-11040i198705-198908
NEW ZEALAND SPEC
main17728-11080i199105-199206
NEW ZEALAND SPEC
main17728-16010i198705-198910
17730PRECLEANER ASSY, AIR W/HOSE
main17730-11011i198705-198902
main17730-11020i199006-199207
W(POWER STEERING)
17730AHOSE, PRECLEANER
main17881-11080i198705-198902
main17881-11200i198902-199006
W(POWER STEERING)
main17881-16180i198811-199207
17730BCLAMP, HOSE(FOR PRECLEANER HOSE)
main17786-16010×2i198705-198811
main90460-01005i199006-199207
W(POWER STEERING),NO.2
main90460-01034i198705-198902
AIR CLEANER SIDE
main96111-10600i198902-198908
W(POWER STEERING),PRE CLEANER SIDE
17730CCASE, PRECLEANER
main17736-16030i198908-199207
main17736-16040i198705-198811
W(HOT AIR INTAKE)
17730EBRACKET, PRECLEANER, NO.1
main17741-11010i199006-199207
main17741-11020i199006-199207
W(POWER STEERING)
main17741-16020i198811-199207
17744CUP, PRECLEANER
main17744-16020i198705-198811
main17744-35010i198902-199006
17751INLET, AIR CLEANER, NO.1
main17751-15010i198705-199106
W(HOT AIR INTAKE)
main17751-16010i198705-199207
main17751-16030i198808-198910
main17751-16050i198910-199308
17801ELEMENT SUB-ASSY, AIR CLEANER FILTER
main17801-10030i199006-199202
main17801-11100i199202-199308
main17801-15060i198705-199308
main17801-16020i198705-198905
main17801-74020i198908-199308
17881HOSE, AIR CLEANER, NO.1
main17881-10030i198705-198802
NEW ZEALAND SPEC OR W(HOT AIR INTAKE)
main17881-10031i198908-198912
NEW ZEALAND SPEC OR W(HOT AIR INTAKE)
main17881-10032i199105-199110
NEW ZEALAND SPEC OR W(HOT AIR INTAKE)
main17881-10033i199110-199308
main17881-15120i198706-198710
main17881-15150i198710-198910
main17881-16130i198905-198908
main17881-16240i198908-199308
17881ACLAMP(FOR AIR CLEANER HOSE, NO.1)
main90460-80002×2i198908-199308
main96111-10460i198705-198910
main96111-10800×2i198705-198905
17882HOSE, AIR CLEANER, NO.2
main17881-15140i198705-199308
17882ACLAMP(FOR AIR CLEANER HOSE, NO.2)
main17786-15010×2i198705-199308
main90460-58003i198908-199308
17883HOSE, AIR CLEANER, NO.3
main17883-16030i198705-198805
main17883-16031i198805-199308
main17883-16040i198705-198805
main17883-16041i198805-199308
17884HOSE, AIR CLEANER, NO.4
main17880-14070i198705-199108
main17880-16010i198705-199308
main17882-16100i198705-198908
main17882-16130i198908-199308
9011906374
9017506010
9017906070
9017906143
9165140614
9212240655

26 parts on this diagram · 8 diagrams in section

AIR CLEANER — Toyota Parts Diagram with OEM Numbers & Prices | EPC Data