E
EPC Data

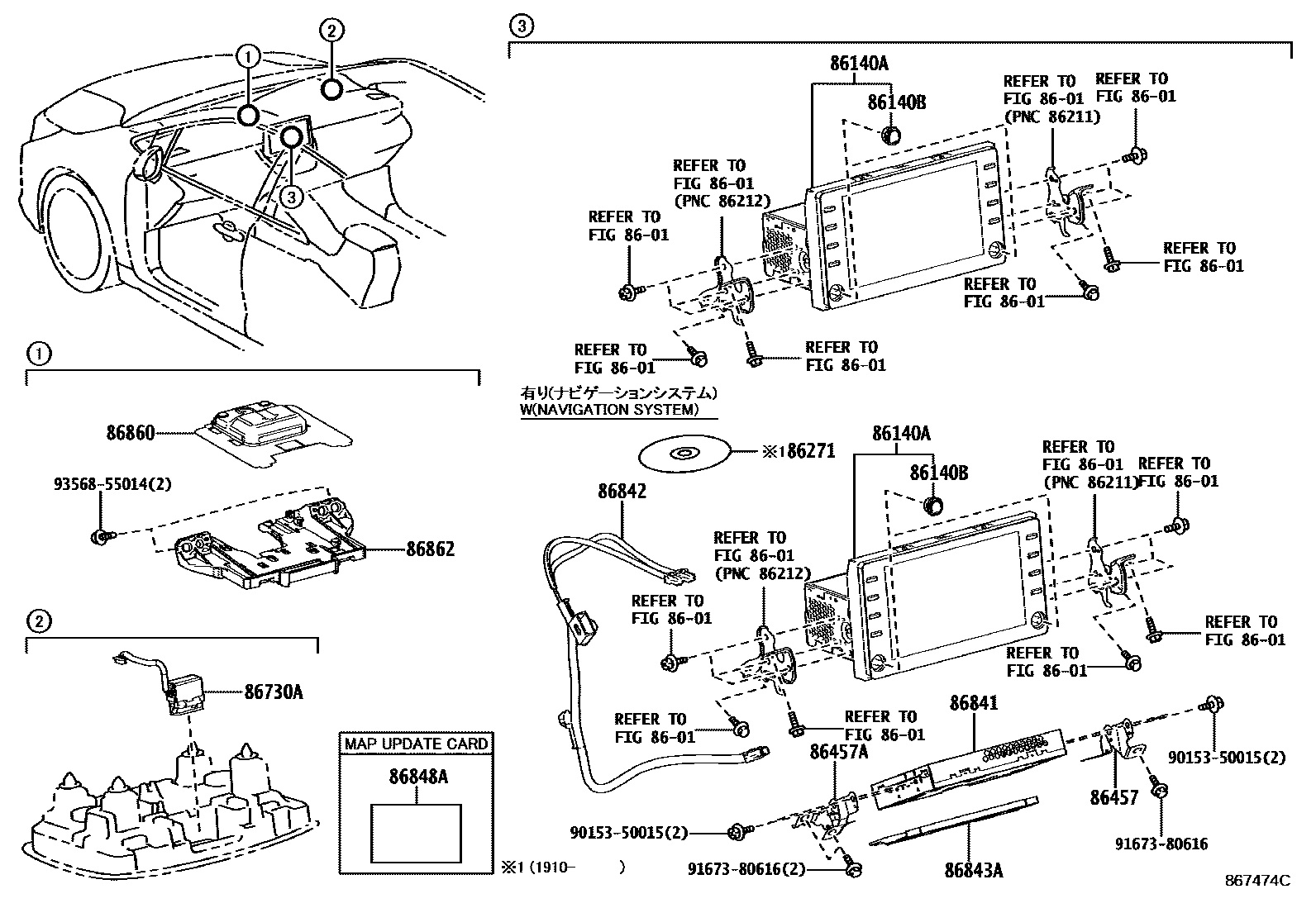
NAVIGATION & FRONT MONITOR DISPLAY

Parts diagram
8601RADIO RECEIVER & AMPLIFIER & CONDENSER
86140ARECEIVER ASSY, RADIO & DISPLAY
main86140-12290supersedes 86140-12720i201909-202004
PIONEER; PIONEER,AUDIO-8INCH 6SPEAKER & DAB
main86140-12670i202004-202208
PIONEER
main86140-12730i202004-202208
PIONEER; PIONEER,AUDIO-8INCH 6SPEAKER & DAB
main86140-12C10supersedes 86140-12B80i202209-202307
DENSO TEN
main86140-12C11i202404-202409
DENSO TEN; DENSO TEN,CENTRAL AMERICA 1 SPEC; DENSO TEN,CENTRAL AMERICA 2 SPEC
main86140-12C20i202409-202507
DENSO TEN
main86100-12B11supersedes 86100-12A11i202409-202508
DENSO TEN,AUDIO-8INCH JBL
main86100-12B21supersedes 86100-12A11i202209-202308
DENSO TEN,NEW ZEALAND SPEC
main86100-12B40supersedes 86100-12A11i202209-202409
PANASONIC,MAURITIUS SPEC; PANASONIC,SOUTH AFRICA SPEC
main86140-12170supersedes 86140-12130i201901-202004
PIONEER,AUDIO-8INCH 6SPEAKER; PIONEER,CENTRAL AMERICA 1 SPEC; PIONEER,CENTRAL AMERICA 2 SPEC; PIONEER,HIGH GRADE PACKAGE&AUDIO-8INCH 6SPEAKER
main86140-12280supersedes 86140-12810i201909-202004
DENSO TEN; DENSO TEN,AUDIO-8INCH 6SPEAKER; DENSO TEN,FIJI SPEC
main86140-12300supersedes 86100-12A11i201909-202004
PIONEER,AUDIO-8INCH 6SPEAKER & DAB & JBL 9SPEAKER
main86140-12340i202001-202004
DENSO TEN,SOUTH AFRICA SPEC; DENSO TEN,SOUTH AFRICA SPEC&AUDIO-8INCH 6SPEAKER
main86140-12720supersedes 86140-12810i202004-202208
DENSO TEN; DENSO TEN,AUDIO-8INCH 6SPEAKER; DENSO TEN,FIJI SPEC
main86140-12740supersedes 86100-12A11i202004-202208
PIONEER,AUDIO-8INCH 6SPEAKER & DAB & JBL 9SPEAKER
main86140-12800i202004-202208
PIONEER,CENTRAL AMERICA 1 SPEC; PIONEER,CENTRAL AMERICA 2 SPEC; PIONEER,HIGH GRADE PACKAGE&AUDIO-8INCH 6SPEAKER
main86140-12810i202004-202208
PIONEER; PIONEER,AUDIO-8INCH 6SPEAKER; PIONEER,CENTRAL AMERICA 1 SPEC&AUDIO-8INCH 6SPEAKER; PIONEER,CENTRAL AMERICA 2 SPEC&AUDIO-8INCH 6SPEAKER
main86140-12C40supersedes 86100-12A11i202209-202403
DENSO TEN,MAURITIUS SPEC&AUDIO-ENTRY *DA 8INCH 6SPEAKER; DENSO TEN,SOUTH AFRICA SPEC&AUDIO-ENTRY *DA 8INCH 6SPEAKER
main86140-12C41supersedes 86100-12A11i202404-202409
DENSO TEN,MAURITIUS SPEC&AUDIO-ENTRY *DA 8INCH 6SPEAKER; DENSO TEN,SOUTH AFRICA SPEC&AUDIO-ENTRY *DA 8INCH 6SPEAKER
86140BKNOB, RADIO & DISPLAY RECEIVER SWITCH
main90010-22129×2supersedes 90010-23057i201901-202004
AUDIO-8INCH 6SPEAKER; HIGH GRADE PACKAGE&AUDIO-8INCH 6SPEAKER
main90010-23068i202409-202507
main90010-23057×2supersedes 90010-23068i202004-202208
AUDIO-8INCH 6SPEAKER; FIJI SPEC; SOUTH AFRICA SPEC; SOUTH AFRICA SPEC&AUDIO-8INCH 6SPEAKER
main90010-24202i202409
MAURITIUS SPEC; SOUTH AFRICA SPEC
86271DISC, DISC PLAYER
main86807-11042i201910-202004
AUDIO-8INCH 6SPEAKER & DAB
main86807-11043supersedes 86807-11044i202010-202109
AUDIO-8INCH 6SPEAKER; AUDIO-8INCH 6SPEAKER & DAB
main86807-11044i202110-202208
AUDIO-8INCH 6SPEAKER; AUDIO-8INCH 6SPEAKER & DAB
86457BRACKET, MULTI-MEDIA MODULE NO.1
main86457-12010i201909-202004
AUDIO-8INCH 6SPEAKER; AUDIO-8INCH 6SPEAKER & DAB; SOUTH AFRICA SPEC&AUDIO-8INCH 6SPEAKER
86457ABRACKET, MULTI-MEDIA MODULE NO.2
main86457-12020i201909-202004
AUDIO-8INCH 6SPEAKER; AUDIO-8INCH 6SPEAKER & DAB; SOUTH AFRICA SPEC&AUDIO-8INCH 6SPEAKER
86730AMICROPHONE ASSY, TELEPHONE
main86730-12081i201901-202004
main86730-16010×2i202409
main86730-47030i202004-202208
86841COMPUTER, NAVIGATION
main86840-12021i201909-201910
AUDIO-8INCH 6SPEAKER; AUDIO-8INCH 6SPEAKER & DAB; SOUTH AFRICA SPEC&AUDIO-8INCH 6SPEAKER
main86840-12022i201910-202004
AUDIO-8INCH 6SPEAKER; AUDIO-8INCH 6SPEAKER & DAB; SOUTH AFRICA SPEC&AUDIO-8INCH 6SPEAKER
main86840-K0050i202004-202009
AUDIO-8INCH 6SPEAKER; AUDIO-8INCH 6SPEAKER & DAB; SOUTH AFRICA SPEC&AUDIO-8INCH 6SPEAKER
main86840-K0051i202010-202109
AUDIO-8INCH 6SPEAKER; AUDIO-8INCH 6SPEAKER & DAB; SOUTH AFRICA SPEC&AUDIO-8INCH 6SPEAKER
main86840-K0052i202110-202208
AUDIO-8INCH 6SPEAKER; AUDIO-8INCH 6SPEAKER & DAB; SOUTH AFRICA SPEC&AUDIO-8INCH 6SPEAKER
86842WIRE, NAVIGATION, NO.1
main86842-12020i201909-202004
AUDIO-8INCH 6SPEAKER; AUDIO-8INCH 6SPEAKER & DAB; SOUTH AFRICA SPEC&AUDIO-8INCH 6SPEAKER
86843ACOVER, NAVIGATION COMPUTER
main86843-12010i201909-202004
AUDIO-8INCH 6SPEAKER; AUDIO-8INCH 6SPEAKER & DAB; SOUTH AFRICA SPEC&AUDIO-8INCH 6SPEAKER
86848ACARD, SERIAL NUMBER MAP UPDATE
main86848-33040i201910-202004
AUDIO-8INCH 6SPEAKER & DAB
86860ANTENNA ASSY, NAVIGATION
main86860-78010supersedes 86880-42010i202004-202208
AUDIO-8INCH 6SPEAKER; HIGH GRADE PACKAGE
main86880-42010i202209-202409
86862BRACKET, NAVIGATION ANTENNA
main86862-42010i202001-202004
AUDIO-8INCH 6SPEAKER; HIGH GRADE PACKAGE
main86862-58020i201901-201912
AUDIO-8INCH 6SPEAKER; HIGH GRADE PACKAGE
9015350015
9167380616
9356855014

16 parts on this diagram · 2 diagrams in section

NAVIGATION & FRONT MONITOR DISPLAY — Toyota Parts Diagram with OEM Numbers & Prices | EPC Data