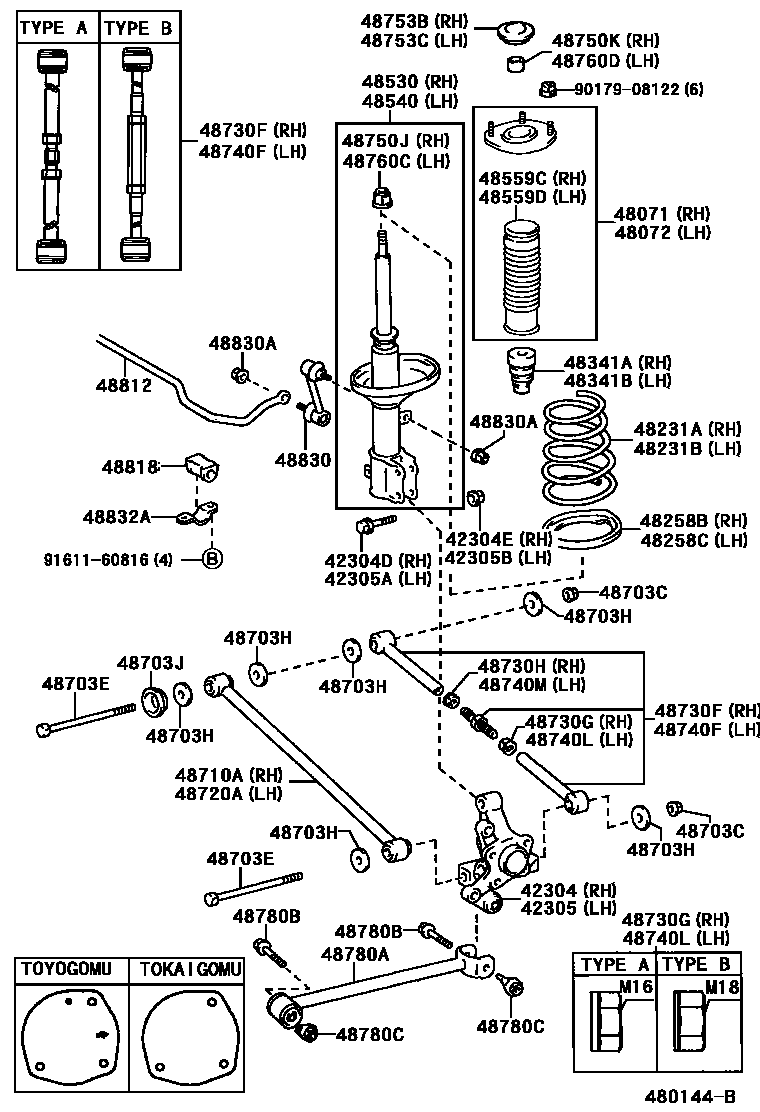
REAR SPRING & SHOCK ABSORBER

42304CARRIER SUB-ASSY, REAR AXLE, RH
W(*66)
42304DBOLT (FOR REAR AXLE CARRIER RH)
sub90105-12236
42304ENUT (FOR REAR AXLE CARRIER RH)
42305CARRIER SUB-ASSY, REAR AXLE, LH
W(*66)
42305ABOLT (FOR REAR AXLE CARRIER LH)
sub90105-12236
42305BNUT (FOR REAR AXLE CARRIER LH)
48231ASPRING, COIL, REAR RH
48231BSPRING, COIL, REAR LH
48341ABUMPER, REAR SPRING, NO.1 RH
48341BBUMPER, REAR SPRING, NO.1 LH
48530ABSORBER ASSY, SHOCK, REAR RH
48540ABSORBER ASSY, SHOCK, REAR LH
48703CNUT(FOR REAR SUSPENSION ARM)
48703EBOLT(FOR REAR SUSPENSION ARM)
*14-1.50PX225-32
*14-1.5PX222-29
48703HWASHER, NO.1(FOR REAR SUSPENSION ARM)
48703JWASHER, NO.2(FOR REAR SUSPENSION ARM)
48730GNUT, NO.1(FOR REAR SUSPENSION ARM NO.2 RH)
TYPE A:REFER TO ILLUSTRATION
48730HNUT, NO.2(FOR ARM ASSY, REAR SUSPENSION, NO.2 RH)
TYPE A:REFER TO ILLUSTRATION
48740LNUT, NO.1(FOR REAR SUSPENSION ARM NO.2 LH)
TYPE A:REFER TO ILLUSTRATION
48740MNUT, NO.2(FOR ARM ASSY, REAR SUSPENSION, NO.2 LH)
TYPE A:REFER TO ILLUSTRATION
48750JNUT(FOR REAR SUPPORT TO REAR SHOCK ABSORBER RH)
48750KCOLLAR(FOR REAR SUPPORT TO REAR SHOCK ABSORBER RH)
48753BCOVER, REAR SUSPENSION SUPOPORT, NO.1 RH
48753CCOVER, REAR SUSPENSION SUPOPORT, NO.1 LH
48760CNUT(FOR REAR SUPPORT TO REAR SHOCK ABSORBER LH)
48760DCOLLAR(FOR REAR SUPPORT TO REAR SHOCK ABSORBER LH)
48780BBOLT(FOR STRUT ROD)
48780CNUT(FOR STRUT ROD)
CARRIER SIDE
BODY SIDE
CARRIER SIDE
48812BAR, STABILIZER, REAR
48818BUSH, STABILIZER, REAR
48830ANUT(FOR REAR STABILIZER LINK)
48832ABRACKET, REAR STABILIZER BAR, NO.1
9017908122
main90179-08122
9161160816
main91611-60816
46 parts on this diagram · 1 diagram in section